×
Buy Suzuki PE Parts Online
home
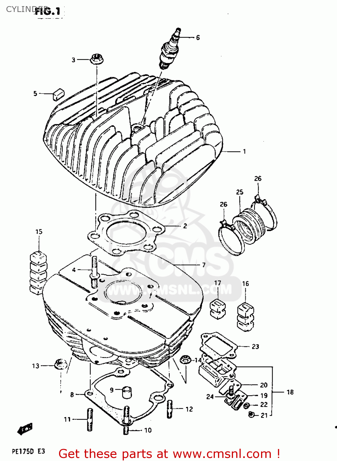
CYLINDER
PE175 1983 (D)
Cylinder diagram PE175 1983 (D)
CYLINDER PE175 1983 (D)
×
prices are in EUR
ref
part #
description
quantity
1
1111140502
ref: 1
HEAD,CYLINDER
€ 0.00
2
1114140501
ref: 2
GASKET,CYLINDER HEAD (NAS)
€ 16.50
3
0831616088
ref: 3
NUT
€ 2.50
4
0910808018
ref: 4
BOLT,STUD
€ 4.50
5
1125225000
ref: 5
PAD,CYLINDER
€ 5.50
6-1
0948200214
ref: 6-1
EXECUTED LOCALLY
SPARK PLUG (CHAMPION)
€ 16.50
6-2
0948200210
ref: 6-2
PLUG,SPARK(B10EGV)
€ 16.50
7
1121040503
ref: 7
CYLINDER
€ 480.50
8
1124140500
ref: 8
GASKET,CYLINDER (MCA)
€ 8.00
9
0920613001
ref: 9
PIN
€ 2.50
10
0910808144
ref: 10
BOLT,STUD
€ 5.00
11
0142108258
ref: 11
STUD 8X25
€ 2.50
12
0142106258
ref: 12
STUD 6X25
€ 3.00
13
0831616088
ref: 13
NUT
€ 2.50
14
0915906017
ref: 14
NUT
€ 2.50
15
1125136500
ref: 15
PAD,CYLINDER
€ 7.50
16
1125136500
ref: 16
PAD,CYLINDER
€ 7.50
17
1125136500
ref: 17
PAD,CYLINDER
€ 7.50
18
1315040200
ref: 18
VALVE ASSY,REED
€ 110.50
19
1315240200
ref: 19
STOPPER,REED VALVE
€ 110.50
20
1315340200
ref: 20
VALVE,REED
€ 10.00
21
0211203087
ref: 21
SCREW
€ 2.00
22
0916203001
ref: 22
WASHER,LOCK
€ 1.50
23
1315640200
ref: 23
GASKET,REED VALVE (MCA)
€ 7.50
24
0211206167
ref: 24
SCREW
€ 2.50
25
1311140500
ref: 25
PIPE,INTAKE
€ 19.00
26
0940252306
ref: 26
CLAMP
€ 7.00
up
all assemblies
* COLOR CHART *
* CATALOG PREFACE *
* CONVERSION CHART *
CYLINDER
CRANKCASE
CRANKCASE COVER
CRANKSHAFT
CARBURETOR
AIR CLEANER
MUFFLER
CLUTCH
TRANSMISSION
GEAR SHIFTING
KICK STARTER
MAGNETO
TRIP METER
HEADLAMP
TAIL LAMP
ELECTRICAL
FRAME -SEAT
STAND -FOOTREST
REAR BRAKE
FUEL TANK MODEL Z
FUEL TANK MODEL D
FUEL COCK
FRAME COVER MODEL Z
FRAME COVER MODEL D
FRONT FORK MODEL Z
FRONT FORK MODEL D
FRONT FENDER -HEADLAMP HOUSING
FRONT WHEEL
HANDLEBAR
RH HANDLE GRIP
LH HANDLE GRIP
REAR SWINGING ARM MODEL Z
REAR SWINGING ARM MODEL D
CHAIN CASE
CHAIN GUIDE
SHOCK ABSORBER
CUSHION LEVER
REAR FENDER
REAR WHEEL MODEL Z
REAR WHEEL MODEL D
OPTIONAL
up