×
Buy Suzuki PE Parts Online
home
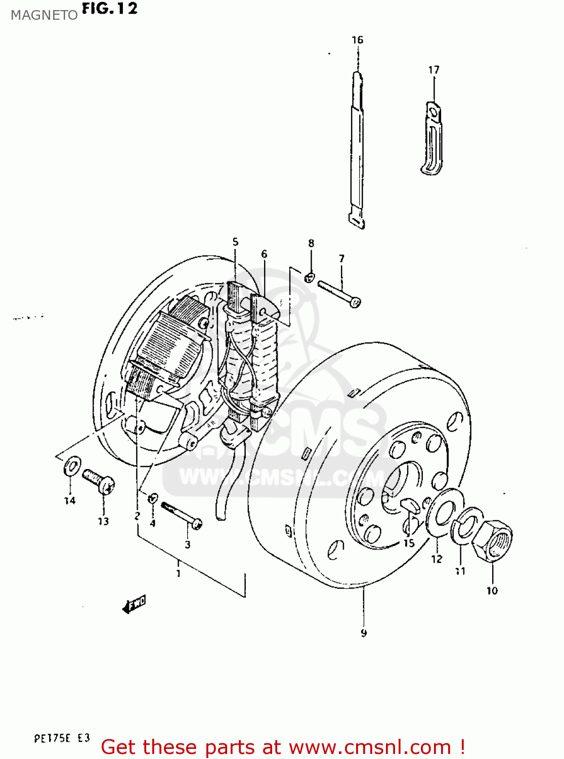
MAGNETO
PE175 1984 (E)
Magneto diagram PE175 1984 (E)
MAGNETO PE175 1984 (E)
×
prices are in EUR
ref
part #
description
quantity
1
3210140521
ref: 1
STATOR ASSEMBLY
€ 275.00
2
3212041420
ref: 2
COIL,LIGHTING
€ 275.00
3
0912504019
ref: 3
SCREW
€ 1.50
4
0832121047
ref: 4
WASHER,LOCK 4M
€ 2.50
5
3214040520
ref: 5
COIL
€ 66.00
6
3215040520
ref: 6
COIL,PRIMARY
€ 56.00
7
0912504019
ref: 7
SCREW
€ 1.50
8
0832121047
ref: 8
WASHER,LOCK 4M
€ 2.50
9
3210240521
ref: 9
ROTOR ASSEMBLY
€ 333.00
10
0914010003
ref: 10
NUT (10MM)
€ 4.50
11
0832121107
ref: 11
WASHER,LOCK,10
€ 2.50
12
0832221108
ref: 12
WASHER
€ 2.50
13
0211206167
ref: 13
SCREW
€ 2.50
14
0832201067
ref: 14
WASHER
€ 2.50
15
0834131049
ref: 15
KEY 4MM
€ 4.00
16
0940711301
ref: 16
CLAMP L:110
€ 7.00
17
0940406412
ref: 17
CLAMP
€ 3.00
up
all assemblies
* COLOR CHART *
* CATALOG PREFACE *
* CONVERSION CHART *
CYLINDER
CRANKCASE
CRANKCASE COVER
CRANKSHAFT
CARBURETOR
AIR CLEANER
MUFFLER
CLUTCH
TRANSMISSION
GEAR SHIFTING
KICK STARTER
MAGNETO
TRIP METER
HEADLAMP
TAIL LAMP
ELECTRICAL
FRAME -SEAT
STAND -FOOTREST
REAR BRAKE
FUEL TANK
FUEL COCK
FRAME COVER
FRONT FORK
FRONT FENDER -HEADLAMP HOUSING
FRONT WHEEL
HANDLEBAR
RIGHT HANDLE SWITCH
LEFT HANDLE SWITCH
REAR SWINGING ARM
CHAIN CASE
CHAIN GUIDE
SHOCK ABSORBER
CUSHION LEVER
REAR FENDER
REAR WHEEL
OPTIONAL
up