×
Buy Suzuki PV Parts Online
home
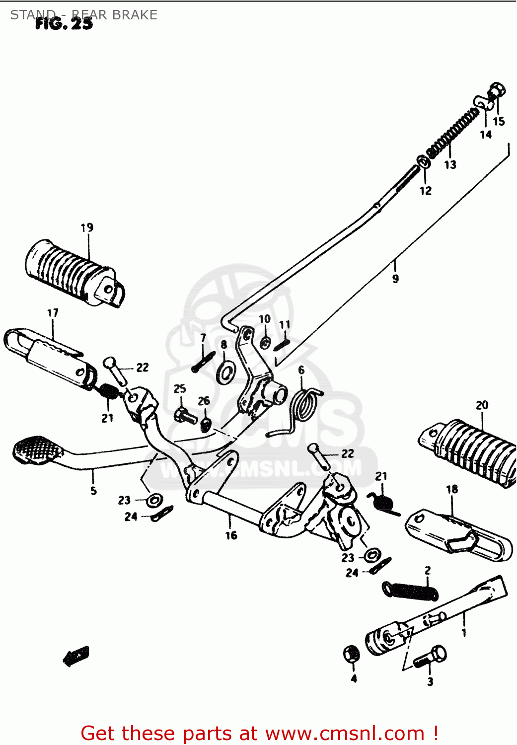
STAND - REAR BRAKE
PV50 1983 (D) (E01)
Stand - rear brake diagram PV50 1983 (D) (E01)
STAND - REAR BRAKE PV50 1983 (D) (E01)
×
prices are in EUR
ref
part #
description
quantity
1-1
4231043001
ref: 1-1
MODEL X/D/H/L/M
STAND,PROP
€ 18.00
1-2
4231017210
ref: 1-2
MODEL R
STAND,PROP
€ 26.50
1-3
4231017200
ref: 1-3
MODEL M E16
STAND, PROP
€ 0.00
1-4
4231017220
ref: 1-4
MODEL R E16
STAND, PROP
€ 0.00
2-1
0944314017
ref: 2-1
SPRING
€ 7.00
2-2
0944314015
ref: 2-2
E16
SPRING
€ 3.00
3
0910010007
ref: 3
BOLT
€ 5.00
4-1
0831012108
ref: 4-1
MODEL X/D/H/L/M
NUT
€ 3.00
4-2
0831000103
ref: 4-2
MODEL R
NUT
€ 2.00
5-1
4311017200
ref: 5-1
MODEL X/D/H/L/M
PEDAL, BRAKE
€ 0.00
5-2
4311017201
ref: 5-2
MODEL R
PEDAL,BRAKE
€ 0.00
6
0944831013
ref: 6
SPRING
€ 3.50
7
0411130308
ref: 7
COTTER PIN
€ 1.50
8
0916015002
ref: 8
WASHER(15.5X26X2.3)
€ 2.50
9
4330017200
ref: 9
ROD ASSY,RR BRAKE
€ 0.00
10-1
0832221057
ref: 10-1
MODEL X/D/H/L/M
WASHER
€ 2.50
10-2
0832201053
ref: 10-2
MODEL R
WASHER
€ 2.50
11
0411120208
ref: 11
PIN 20X20
€ 1.50
12-1
0832221067
ref: 12-1
MODEL X/D/H/L/M
WASHER
€ 2.50
12-2
0832201063
ref: 12-2
MODEL R
WASHER
€ 2.50
13
0944009004
ref: 13
SPRING
€ 2.50
14
0920911002
ref: 14
PIN(11X18)
€ 2.50
15
0915006009
ref: 15
NUT (6MM)
€ 3.50
16-1
4351017210
ref: 16-1
BAR,FR FOOTREST
€ 0.00
16-2
4351017220
ref: 16-2
E16
BAR, FRONT FOOTREST
€ 0.00
16-3
4351017200
ref: 16-3
E43
BAR, FRONT FOOTREST
€ 0.00
17
4355046000019
ref: 17
FOOTREST,FR,R
€ 9.50
18
4356046000019
ref: 18
FOOTREST,FR,L
€ 9.50
19
4355049002
ref: 19
E43
RUBBER,FRONT FOOTREST
€ 24.00
20
4356049002
ref: 20
E43
FOOTREST
€ 24.00
21
0944814012
ref: 21
SPRING
€ 4.00
22
0920008002
ref: 22
PIN
€ 2.00
23-1
0832211088
ref: 23-1
MODEL X/D/H/L/M
WASHER
€ 2.50
23-2
0832201083
ref: 23-2
MODEL R
WASHER
€ 2.00
24
0411120208
ref: 24
PIN 20X20
€ 1.50
25-1
0110708167
ref: 25-1
MODEL X/D/H/L/M
BOLT,8X16
€ 2.00
25-2
0157008163
ref: 25-2
MODEL R
BOLT, UPPER
€ 2.00
26
0832121088
ref: 26
LOCK WASHER
€ 2.50
up
all assemblies
* COLOR CHART *
* CATALOG PREFACE *
* CONVERSION CHART *
CYLINDER
OIL PUMP (E16,E43,MODEL R E15,P15)
CLUTCH
TRANSMISSION
GEAR SHIFTING
KICK STARTER
MAGNETO (MODEL X E15, MODEL D/H/L/M E43)
MAGNETO (MODEL D/H/L/M E15)
MAGNETO (MODEL R E15/P15)
MAGNETO (E16)
ELECTRICAL
SPEEDOMETER (E15)
SPEEDOMETER (E16,E43)
CRANKCASE
HEADLAMP (E43)
TURNSIGNAL LAMP (E43)
REAR COMBINATION LAMP (E16)
REAR COMBINATION LAMP (E43)
WIRING HARNESS
FRAME - FRAME COVER
STAND - REAR BRAKE
FUEL TANK (MODEL X, MODEL D E43)
FUEL TANK (MODEL D/H E15,MODEL H E43)
FUEL TANK (MODEL L/M/R)
FUEL COCK
OIL TANK (E16,E43,MODEL R E15)
CRANKCASE COVER (MODEL X)
SEAT
FRONT CARRIER (E43)
FRONT FORK
FENDER
FRONT WHEEL
HANDLEBAR (E15)
HANDLEBAR (E16)
HANDLEBAR (E43)
HANDLE SWITCH (E15)
HANDLE SWITCH (E16,E43)
REAR SWINGING ARM
CRANKCASE COVER (MODEL D/H/L/M/R)
REAR FENDER
REAR WHEEL
LABEL
OPTIONAL
CRANKCASE COVER (E43)
CRANKSHAFT
CARBURETOR
CARBURETOR (E16)
AIR CLEANER
MUFFLER
up