×
Buy Suzuki PV Parts Online
home
PV50 1987 (H) (E01)
* COLOR CHART *
0 products
* CATALOG PREFACE *
0 products
* CONVERSION CHART *
0 products
CYLINDER
39 products
OIL PUMP (E16,E43,MODEL R E15,P15)
20 products
CLUTCH
27 products
TRANSMISSION
42 products
GEAR SHIFTING
46 products
KICK STARTER
20 products
MAGNETO (MODEL X E15, MODEL D/H/L/M E43)
24 products
MAGNETO (MODEL D/H/L/M E15)
16 products
MAGNETO (MODEL R E15/P15)
10 products
MAGNETO (E16)
19 products
ELECTRICAL
34 products
SPEEDOMETER (E15)
13 products
SPEEDOMETER (E16,E43)
13 products
CRANKCASE
30 products
HEADLAMP (E43)
18 products
TURNSIGNAL LAMP (E43)
11 products
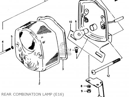
REAR COMBINATION LAMP (E16)
20 products
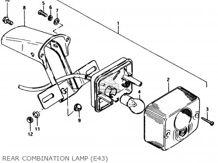
REAR COMBINATION LAMP (E43)
12 products
WIRING HARNESS
27 products
FRAME - FRAME COVER
26 products
STAND - REAR BRAKE
38 products
FUEL TANK (MODEL X, MODEL D E43)
29 products
FUEL TANK (MODEL D/H E15,MODEL H E43)
30 products
FUEL TANK (MODEL L/M/R)
32 products
FUEL COCK
18 products
OIL TANK (E16,E43,MODEL R E15)
9 products
CRANKCASE COVER (MODEL X)
17 products
SEAT
28 products
FRONT CARRIER (E43)
7 products
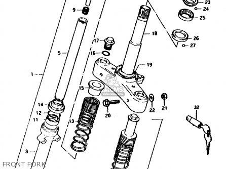
FRONT FORK
42 products
FENDER
5 products
FRONT WHEEL
64 products
HANDLEBAR (E15)
25 products
HANDLEBAR (E16)
24 products
HANDLEBAR (E43)
22 products
HANDLE SWITCH (E15)
18 products
HANDLE SWITCH (E16,E43)
15 products
REAR SWINGING ARM
39 products
CRANKCASE COVER (MODEL D/H/L/M/R)
18 products
REAR FENDER
16 products
REAR WHEEL
67 products
LABEL
5 products
OPTIONAL
28 products
CRANKCASE COVER (E43)
17 products
CRANKSHAFT
28 products
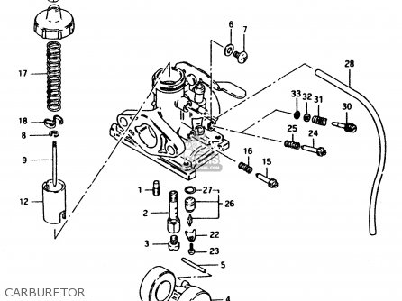
CARBURETOR
64 products
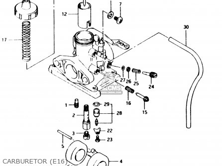
CARBURETOR (E16)
33 products
AIR CLEANER
26 products
MUFFLER
16 products
up
popular products
0947106008
BULB(6V10/3W,STANLEY,A4854H)
Suzuki
6827140A100RM
EMBLEM
Suzuki
2751119000
SPROCKET,ENGINE
Suzuki
2630046900
LEVER ASSY,KICK STARTER
Suzuki