×
Buy Suzuki PV Parts Online
home
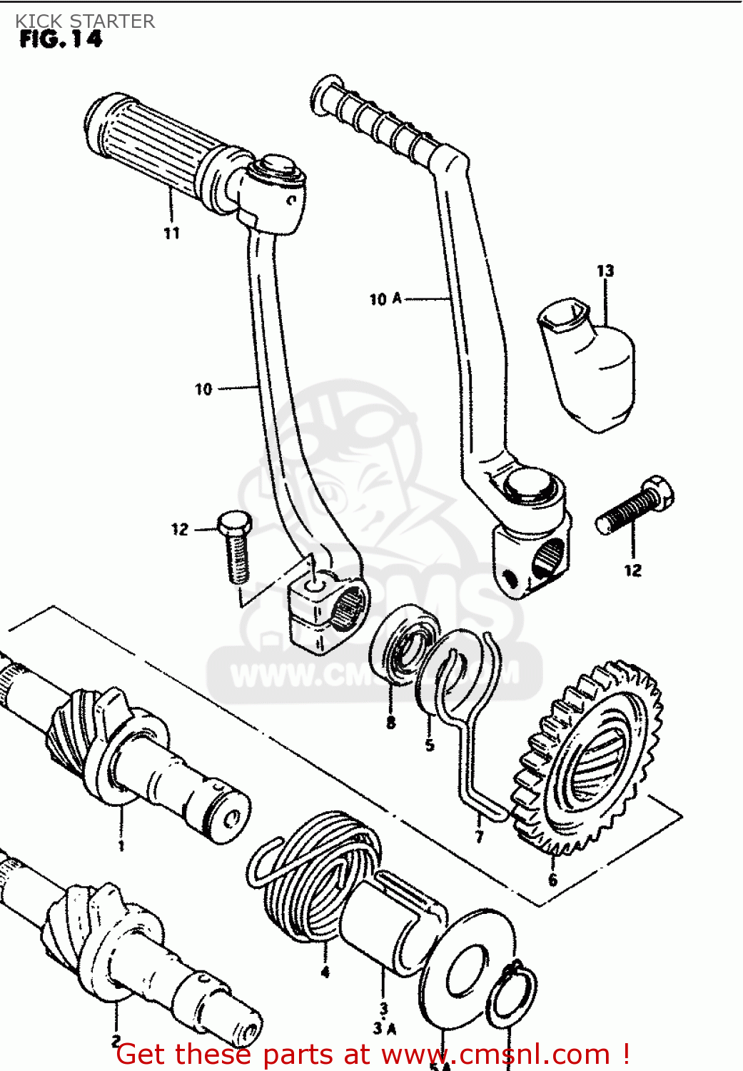
KICK STARTER
PV50 1987 (H) (E01)
Kick starter diagram PV50 1987 (H) (E01)
KICK STARTER PV50 1987 (H) (E01)
×
prices are in EUR
ref
part #
description
quantity
1
2621046910
ref: 1
MODEL X/D/H/L/M
SHAFT,KICK STARTER
€ 77.50
2-1
2621046001
ref: 2-1
MODEL R
SHAFT,KICK STARTER
€ 52.50
2-2
2621046001
ref: 2-2
E16,E43
SHAFT,KICK STARTER
€ 52.50
3
2622146000
ref: 3
GUIDE,KICK STARTER SFT SPRING
€ 5.50
3A
2622117200
ref: 3A
MODEL H/L/M:E15,P15
GUIDE, SPRING (L:20.2)
€ 0.00
4
0944840001
ref: 4
SPRING
€ 5.50
5
0916014046
ref: 5
WASHER
€ 4.50
5A
0916016018
ref: 5A
MODEL H/L/M:E15,P15
WASHER(16.2X38X2.3)
€ 2.00
6
2624146000
ref: 6
NT:30
GEAR,KICK STARTER DRIVE(NT:30)
€ 42.50
7
0938428001
ref: 7
RETAINER,SNAP
€ 2.50
8
0928514001
ref: 8
SEAL,OIL(14X24X6)
€ 9.50
9
0833131166
ref: 9
MODEL H/L/M:E15,P15
CIRCLIP 16MM
€ 2.00
10-1
2630013990
ref: 10-1
MODEL X
LEVER ASSEMBLY,KICK STARTER
€ 439.00
10-2
2630035301
ref: 10-2
MODEL D/H/L/M
LEVER ASSY, KICK STARTER
€ 100.50
10-3
2630035302
ref: 10-3
MODEL R
LEVER ASSY
€ 100.50
10A
2630046900
ref: 10A
MODEL P15
LEVER ASSY,KICK STARTER
€ 265.00
11
2635201000
ref: 11
RUBBER,KICK STARTER PEDAL
€ 4.00
12-1
0110706207
ref: 12-1
MODEL X/D/H/L/M
BOLT
€ 2.50
12-2
0150006203
ref: 12-2
MODEL R
BOLT
€ 2.50
13
2634146900
ref: 13
P15
COVER,KICK STARTER PEDAL
€ 6.50
up
all assemblies
* COLOR CHART *
* CATALOG PREFACE *
* CONVERSION CHART *
CYLINDER
OIL PUMP (E16,E43,MODEL R E15,P15)
CLUTCH
TRANSMISSION
GEAR SHIFTING
KICK STARTER
MAGNETO (MODEL X E15, MODEL D/H/L/M E43)
MAGNETO (MODEL D/H/L/M E15)
MAGNETO (MODEL R E15/P15)
MAGNETO (E16)
ELECTRICAL
SPEEDOMETER (E15)
SPEEDOMETER (E16,E43)
CRANKCASE
HEADLAMP (E43)
TURNSIGNAL LAMP (E43)
REAR COMBINATION LAMP (E16)
REAR COMBINATION LAMP (E43)
WIRING HARNESS
FRAME - FRAME COVER
STAND - REAR BRAKE
FUEL TANK (MODEL X, MODEL D E43)
FUEL TANK (MODEL D/H E15,MODEL H E43)
FUEL TANK (MODEL L/M/R)
FUEL COCK
OIL TANK (E16,E43,MODEL R E15)
CRANKCASE COVER (MODEL X)
SEAT
FRONT CARRIER (E43)
FRONT FORK
FENDER
FRONT WHEEL
HANDLEBAR (E15)
HANDLEBAR (E16)
HANDLEBAR (E43)
HANDLE SWITCH (E15)
HANDLE SWITCH (E16,E43)
REAR SWINGING ARM
CRANKCASE COVER (MODEL D/H/L/M/R)
REAR FENDER
REAR WHEEL
LABEL
OPTIONAL
CRANKCASE COVER (E43)
CRANKSHAFT
CARBURETOR
CARBURETOR (E16)
AIR CLEANER
MUFFLER
up