×
Buy Suzuki RB Parts Online
home
RB50 1987 (H) (E01)
* CATALOG PREFACE *
0 products
* CONVERSION CHART *
0 products
CYLINDER
25 products
CYLINDER BARREL
8 products
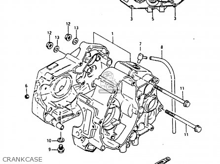
CRANKCASE
14 products
CRANKCASE COVER
22 products
CRANKSHAFT
38 products
CAM SHAFT
18 products
CAM CHAIN
13 products
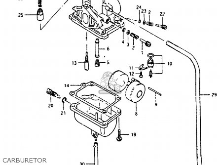
CARBURETOR
31 products
AIR CLEANER
13 products
MUFFLER
7 products
OIL PUMP
17 products
CLUTCH
21 products
TRANSMISSION
26 products
GEAR SHIFTING
31 products
KICK STARTER
15 products
MAGNETO
16 products
BATTERY
18 products
STEERING STEM
17 products
HEADLAMP
9 products
TURN SIGNAL LAMP
16 products
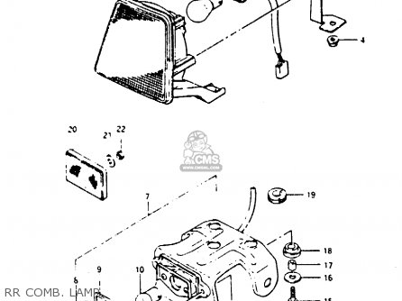
RR COMB. LAMP
22 products
ELECTRICAL
18 products
FRAME
8 products
REAR BRAKE
18 products
FUEL TANK
15 products
MASTER CYLINDER
16 products
FUEL COCK
15 products
SEAT
12 products
SEAT
12 products
FRAME COVER
24 products
FRAM COVER
25 products
FRONT FORK
18 products
SPEED
11 products
FRONT FENDER
10 products
FRONT WHEEL
20 products
HANDLEBAR
15 products
HANDLE SWITCH
10 products
HANDLE SWITCH
21 products
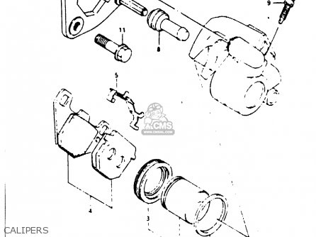
CALIPERS
12 products
FRONT BRAKE HOSE
7 products
MASTER CYLINDER
9 products
RR FENDER
26 products
RR WHEEL
43 products
COWLING
60 products
COWLING
56 products
COWLING
55 products
COWLING
59 products
up
popular products
0918120014
SHIM(20X30X0.9)
Suzuki
0947106008
BULB(6V10/3W,STANLEY,A4854H)
Suzuki
1214009410050
RING SET,PISTON (OS:0.5)
Suzuki
0944030007
SPRING
Suzuki