×
Buy Suzuki RM Parts Online
home
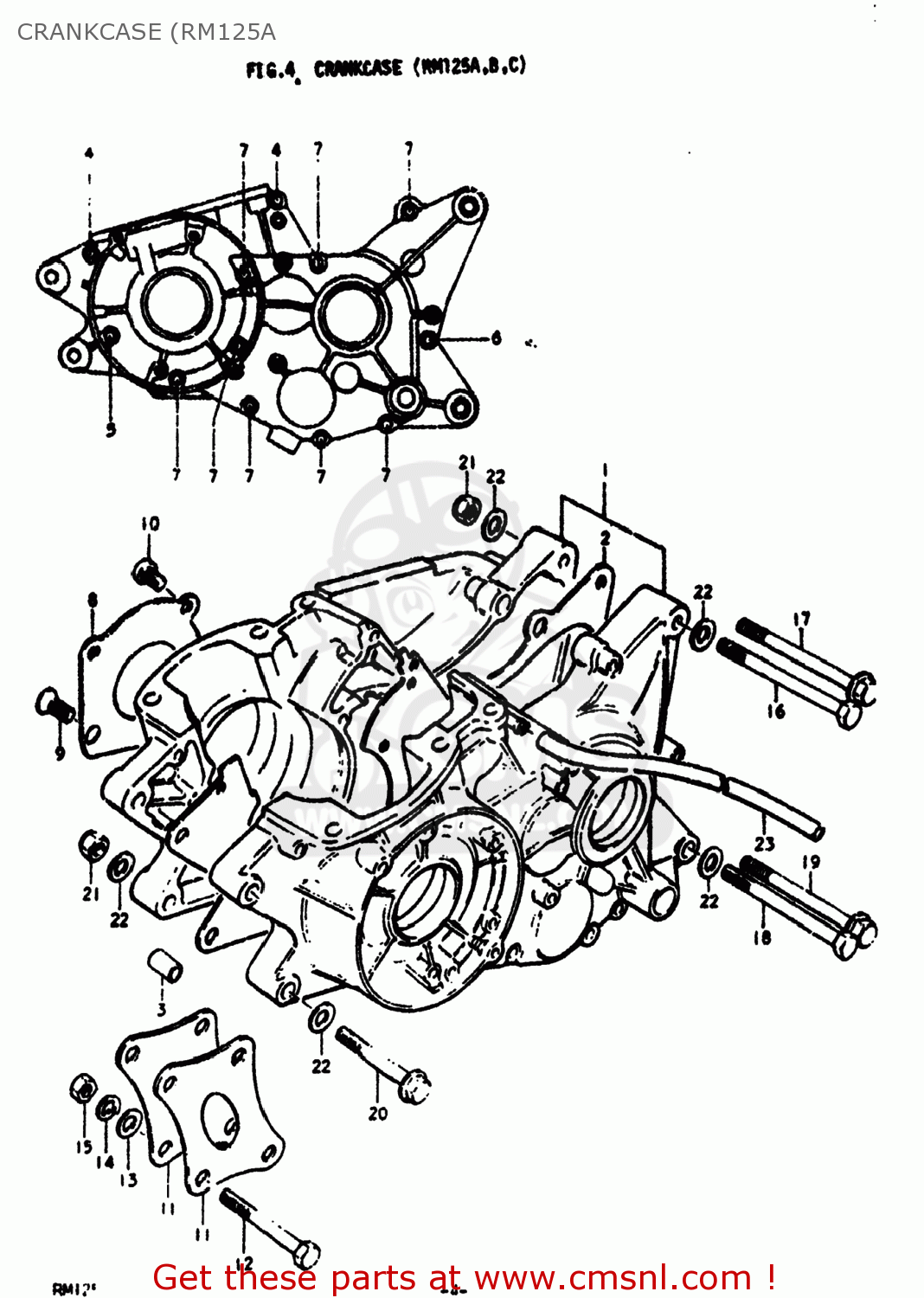
CRANKCASE (RM125A
RM125 1977 (B) USA (E03)
Crankcase (rm125a diagram RM125 1977 (B) USA (E03)
CRANKCASE (RM125A RM125 1977 (B) USA (E03)
×
prices are in EUR
ref
part #
description
quantity
1-1
1130041830
ref: 1-1
11300-41831
CRANKCASE SET
€ 237.50
1-2
1130041840
ref: 1-2
CRANKCASE SET
€ 144.50
2
1148141300
ref: 2
11481-41301
GASKET,CRANKCASE (MCA)
€ 13.00
3
0920613001
ref: 3
04211-13189
PIN
€ 2.50
4
0211206358
ref: 4
02112-06357
SCREW (6X35)
€ 2.50
5
0211206458
ref: 5
02112-06457
SCREW (6X45)
€ 2.00
6
0211206508
ref: 6
02112-06507
SCREW
€ 3.00
7
0211206608
ref: 7
02112-06607
SCREW 6X60
€ 3.00
8
1252129102
ref: 8
PLATE,OIL RESERVOIR
€ 5.00
9
0212206128
ref: 9
02122-06127
SCREW
€ 3.50
10
0211206128
ref: 10
02112-06127
SCREW 6X12
€ 2.50
11
4199141300
ref: 11
PLATE,ENGINE MOUNTING
€ 5.50
12
0110708708
ref: 12
01500-0870B
BOLT
€ 3.00
13
0832211088
ref: 13
08322-01087
WASHER
€ 2.50
14
0832121088
ref: 14
08321-01087
LOCK WASHER
€ 2.50
15
0831012108
ref: 15
08310-00107
NUT
€ 3.00
16
0910008024
ref: 16
09100-08228
BOLT 8X105
€ 4.00
17
0910308023
ref: 17
09103-08097
BOLT
€ 3.50
18
0910008023
ref: 18
BOLT 8X100
€ 5.00
19
0910308009
ref: 19
09103-08070
BOLT
€ 6.00
20
0151708708
ref: 20
01550-08707
BOLT (8X70)
€ 2.50
21
0915908020
ref: 21
NUT
€ 2.50
22
0832211088
ref: 22
08322-01087
WASHER
€ 2.50
22
0832211088
ref: 22
08322-01087
WASHER
€ 2.50
23
0934305021
ref: 23
09352-50823-00B
HOSE
€ 14.00
up
all assemblies
AIR CLEANER (RM125A
AIR CLEANER (RM125M)
CARBURETOR (RM125A
CARBURETOR (RM125M)
CLUTCH (RM125A
CLUTCH (RM125M)
CRANKCASE (RM125A
CRANKCASE (RM125M)
CRANKCASE COVER (RM125A
CRANKCASE COVER (RM125M)
CRANKSHAFT (RM125A)
CRANKSHAFT (RM125B
CRANKSHAFT (RM125M)
CYLINDER (RM125A
CYLINDER (RM125M)
ELECTRICAL
FENDER (RM125A
FENDER (RM125C)
FENDER (RM125M)
FRAME - SEAT (RM125A
FRAME - SEAT (RM125M)
FRAME COVER (RM125A
FRAME COVER (RM125M)
FRONT FORK (RM1258)
FRONT FORK (RM125A)
FRONT FORK (RM125C)
FRONT FORK (RM125M)
FRONT WHEEL (RM125B
FRONT WHEEL (RM125M
FUEL COCK (RM125A
FUEL COCK (RM125M)
FUEL TANK (RM125A
FUEL TANK (RM125C)
FUEL TANK (RM125M)
GEAR SHIFTING (RM125A
GEAR SHIFTING (RM125M)
HANDLE GRIP - LEVER
HANDLEBAR
KICK STARTER (RM125A
KICK STARTER (RM125M)
MAGNETO (RM125A
MAGNETO (RM125M)
MUFFLER (RM125A
MUFFLER (RM125M)
OPTIONAL (RM125A
OPTIONAL (RM125B)
REAR SWINGING ARM (RM125A)
REAR SWINGING ARM (RM125B)
REAR SWINGING ARM (RM125C)
REAR SWINGING ARM (RM125M)
REAR WHEEL (RM125C)
REAR WHEEL (RM125M
STAND - FOOTREST (RM125A
STAND - FOOTREST (RM125M)
TRANSMISSION (RM125A
TRANSMISSION (RM125M)
up