×
Buy Suzuki RM Parts Online
home
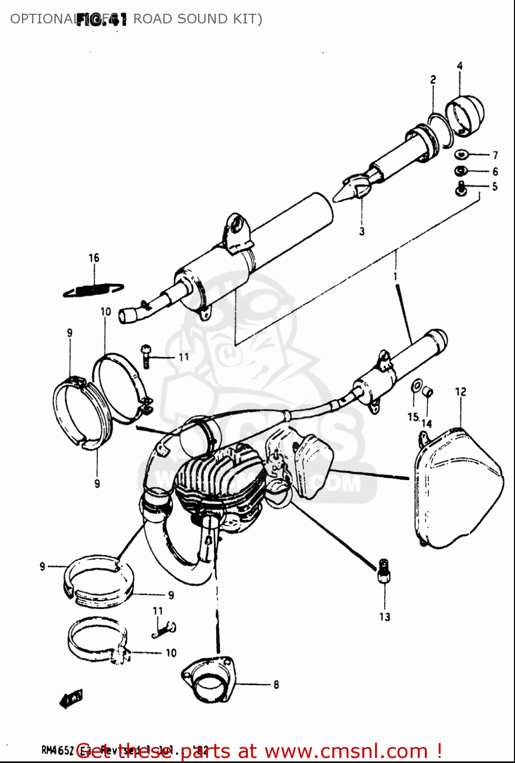
OPTIONAL (OFF - ROAD SOUND KIT)
RM465 1981 (X) USA (E03)
Optional (off - road sound kit) diagram RM465 1981 (X) USA (E03)
OPTIONAL (OFF - ROAD SOUND KIT) RM465 1981 (X) USA (E03)
×
prices are in EUR
ref
part #
description
quantity
up
all assemblies
FUEL COCK
FRAME COVER (MODEL X)
FRAME COVER (MODEL Z)
FRONT FORK (MODEL X)
FRONT FORK (MODEL Z)
FRONT FENDER
FRONT WHEEL
HANDLEBAR
HANDLE CLIP - LEVER (MODEL X)
RIGHT HANDLE SWITCH (MODEL Z)
LEFT HANDLE GRIP (MODEL Z)
REAR SWINGING ARM
CHAIN GUIDE
SHOCK ABSORBER
CUSHION LEVER
REAR FENDER
REAR WHEEL
OPTIONAL
OPTIONAL (OFF - ROAD SOUND KIT)
AIR CLEANER
CARBURETOR (MODEL X)
CARBURETOR (MODEL Z)
CHAIN GUIDE
CLUTCH
CRANKCASE
CRANKCASE COVER
CRANKSHAFT
CUSHION LEVER
CYLINDER
ELECTRICAL
FRAME - SEAT (MODEL X)
FRAME - SEAT (MODEL Z)
FRAME COVER (MODEL X)
FRAME COVER (MODEL Z)
FRONT FENDER
FRONT FORK (MODEL X)
FRONT FORK (MODEL Z)
FRONT WHEEL
FUEL COCK
FUEL TANK (MODEL X)
FUEL TANK (MODEL Z)
GEAR SHIFTING (MODEL X)
GEAR SHIFTING (MODEL Z)
HANDLE CLIP - LEVER (MODEL X)
HANDLEBAR
KICK STARTER
LEFT HANDLE GRIP (MODEL Z)
MAGNETO
MUFFLER
OPTIONAL (OFF - ROAD SOUND KIT)
REAR BRAKE
REAR FENDER
REAR SWINGING ARM
REAR WHEEL
RIGHT HANDLE SWITCH (MODEL Z)
SHOCK ABSORBER
STAND - FOOTREST
TRANSMISSION (MODEL X)
TRANSMISSION (MODEL Z)
up