×
Buy Suzuki RM Parts Online
home
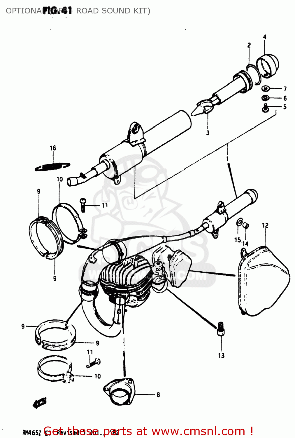
OPTIONAL (OFF - ROAD SOUND KIT)
RM465 1982 (Z) USA (E03)
Optional (off - road sound kit) diagram RM465 1982 (Z) USA (E03)
OPTIONAL (OFF - ROAD SOUND KIT) RM465 1982 (Z) USA (E03)
×
prices are in EUR
ref
part #
description
quantity
0-1
1430014840
ref: 0-1
OFF-ROAD SOUND KIT
€ 41.50
0-2
1430014860
ref: 0-2
OFF-ROAD SOUND KIT (RM4)
€ 64.50
1
1430314230
ref: 1
14303-14230-H01
MUFFLER ASSEMBLY
€ 71.50
2
0928055001
ref: 2
O-RING (D:3.5 ID:54.4)
€ 5.50
3
1485030510
ref: 3
TUBE,MUFFLER CLEAN OUT
€ 22.50
4
1464930520
ref: 4
COVER,SECOND MUFFLER TAIL
€ 10.00
5
0912806013
ref: 5
SCREW(6X8)
€ 1.50
6
0832121068
ref: 6
08321-01067
LOCK WASHER
€ 2.50
7
0832221068
ref: 7
08322-01067
WASHER
€ 2.00
8
1417040420
ref: 8
FLANGE,EXHAUST PIPE
€ 27.50
9
1431941700
ref: 9
BODY,MUFFLER
€ 19.00
10
0940292601
ref: 10
CLAMP
€ 2.50
11
0211206258
ref: 11
02112-06257
SCREW
€ 2.00
12-1
1374014200
ref: 12-1
13700-14840
CAP,AIR CLEANER
€ 0.00
12-2
1375014200
ref: 12-2
13700-14850
CAP,AIR CLEANER
€ 0.00
12-3
1386014220
ref: 12-3
CAP, AIR CLEANER RH
€ 0.00
12-4
1386014225
ref: 12-4
CAP, AIR CLEANER LH
€ 0.00
13
0949150003
ref: 13
09491-50008
JET
€ 12.50
14
0918006073
ref: 14
09180-06306
SPACER
€ 2.00
15
0916808010
ref: 15
GASKET
€ 2.00
16
0944312023
ref: 16
SPRING
€ 3.00
up
all assemblies
AIR CLEANER
CARBURETOR (MODEL X)
CARBURETOR (MODEL Z)
CHAIN GUIDE
CLUTCH
CRANKCASE
CRANKCASE COVER
CRANKSHAFT
CUSHION LEVER
CYLINDER
ELECTRICAL
FRAME - SEAT (MODEL X)
FRAME - SEAT (MODEL Z)
FRAME COVER (MODEL X)
FRAME COVER (MODEL Z)
FRONT FENDER
FRONT FORK (MODEL X)
FRONT FORK (MODEL Z)
FRONT WHEEL
FUEL COCK
FUEL TANK (MODEL X)
FUEL TANK (MODEL Z)
GEAR SHIFTING (MODEL X)
GEAR SHIFTING (MODEL Z)
HANDLE CLIP - LEVER (MODEL X)
HANDLEBAR
KICK STARTER
LEFT HANDLE GRIP (MODEL Z)
MAGNETO
MUFFLER
OPTIONAL (OFF - ROAD SOUND KIT)
REAR BRAKE
REAR FENDER
REAR SWINGING ARM
REAR WHEEL
RIGHT HANDLE SWITCH (MODEL Z)
SHOCK ABSORBER
STAND - FOOTREST
TRANSMISSION (MODEL X)
TRANSMISSION (MODEL Z)
up