×
Buy Suzuki RS Parts Online
home
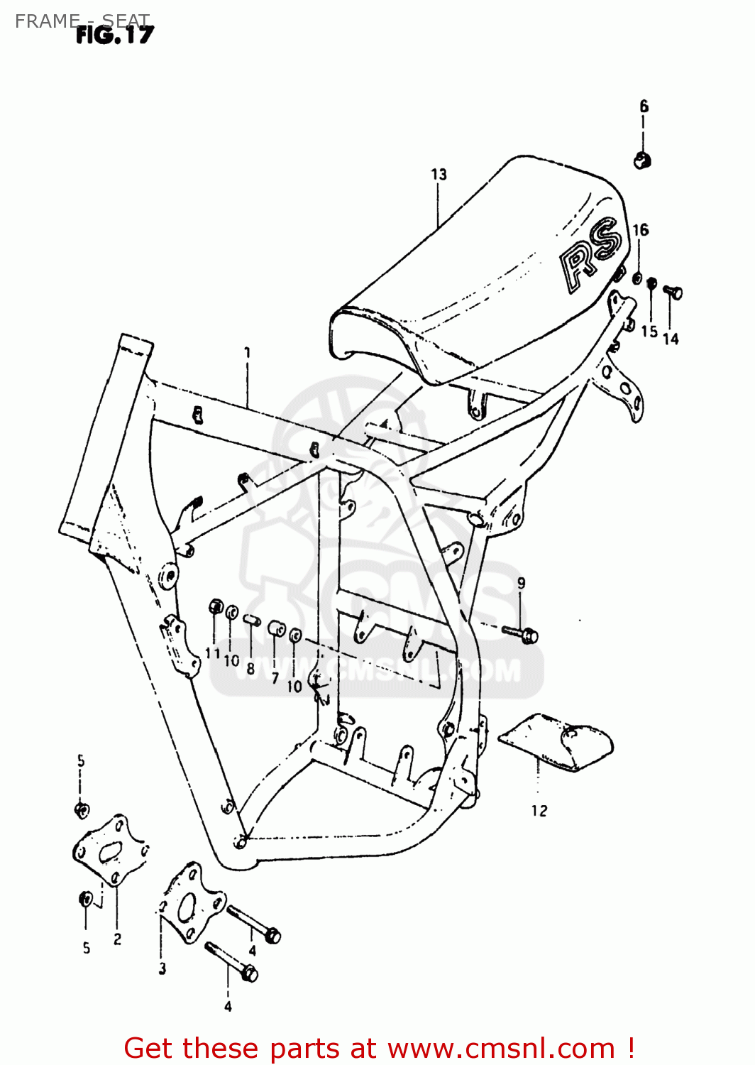
FRAME - SEAT
RS175 1980 (T) USA (E03)
Frame - seat diagram RS175 1980 (T) USA (E03)
FRAME - SEAT RS175 1980 (T) USA (E03)
×
prices are in EUR
ref
part #
description
quantity
1-1
4110040550019
ref: 1-1
41100-40551-019
FRAME
€ 267.00
1-2
4110040551019
ref: 1-2
FRAME
€ 267.00
2
4199140200
ref: 2
PLATE,ENGINE MOUNTING
€ 13.50
3
4199240550
ref: 3
PLATE,ENGINE MOUNTING
€ 8.50
4
0910308017
ref: 4
09103-08099
BOLT
€ 6.50
5
0831931088
ref: 5
08319-3108A
NUT
€ 3.00
6
0925014005
ref: 6
PLUG(OD:19)
€ 2.00
7-1
4391140410
ref: 7-1
43911-14200
ROLLER,CHAIN CONTROL
€ 18.50
7-2
4391114200
ref: 7-2
ROLLER,CHAIN LENGTH CONTROL
€ 18.50
8
4391340400
ref: 8
SPACER,CHAIN LENGTH ROLLER
€ 8.00
9
0910308043
ref: 9
BOLT(8X45)
€ 5.00
10
0916008035
ref: 10
09160-08130
WASHER
€ 2.50
11
0831616088
ref: 11
08316-10087
NUT
€ 2.50
12
0980001800
ref: 12
09800-21021
TOOL SET
€ 33.00
13
4510040550865
ref: 13
45100-40221-48F
SEAT ASSEMBLY
€ 125.00
14
0110706208
ref: 14
01500-06207
BOLT
€ 2.50
15
0832121068
ref: 15
08321-01067
LOCK WASHER
€ 2.50
16
0916006007
ref: 16
09160-06084
WASHER
€ 2.00
up
all assemblies
AIR CLEANER
CARBURETOR
CHAIN GUIDE (MODEL T)
CHAIN GUIDE (MODEL X
CLUTCH
CRANKCASE
CRANKCASE COVER
CRANKSHAFT
CYLINDER
ELECTRICAL
FRAME - SEAT
FRAME COVER (MODEL T)
FRAME COVER (MODEL X
FRONT FORK
FRONT WHEEL (MODEL T)
FRONT WHEEL (MODEL X
FUEL TANK (MODEL T)
FUEL TANK (MODEL X)
FUEL TANK (MODEL Z)
GEAR SHIFTING
HANDLE GLIP - LEVER
HANDLEBAR
HEADLAMP
HEADLAMP HOUSING - FRONT FENDER
KICK STARTER
MAGNETO
MUFFLER
REAR BRAKE
REAR FENDER
REAR SWINGING ARM
REAR WHEEL
STAND - FOOTREST
TAIL LAMP
TRANSMISSION
TRIP METER (MODEL X
up