×
Buy Suzuki SP Parts Online
home
HEADLAMP
SP125 1986 (G) USA (E03)
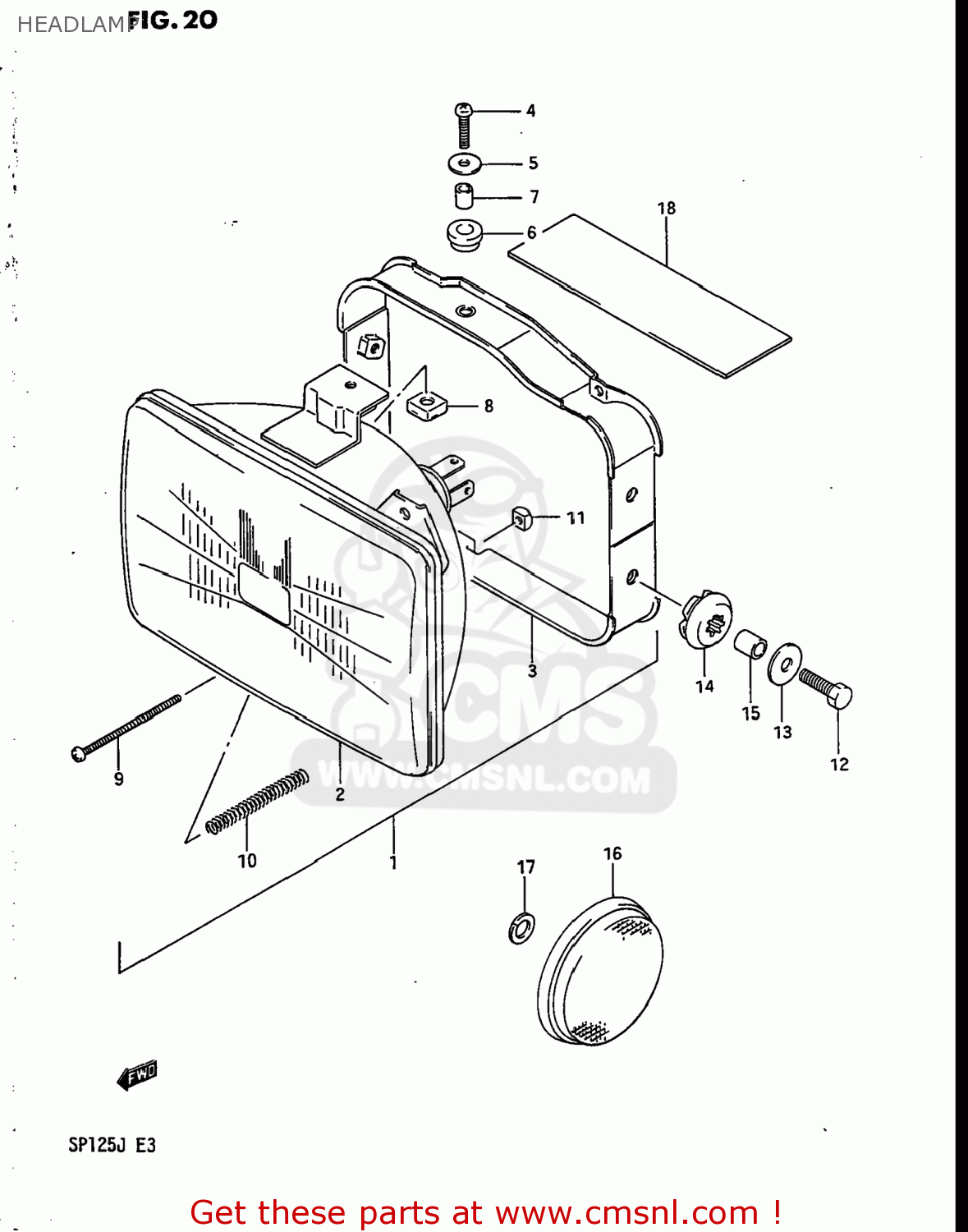
Headlamp diagram SP125 1986 (G) USA (E03)
HEADLAMP SP125 1986 (G) USA (E03)
×
prices are in EUR
ref
part #
description
quantity
1
3510044A30
ref: 1
HEADLAMP ASSEMBLY
€ 63.00
2
3512144A30
ref: 2
LAMP UNIT,SHIELD BEAM
€ 48.50
3
3514114A00
ref: 3
HOUSING
€ 31.00
4
0211205208
ref: 4
02112-05207
SCREW 5X20
€ 3.00
5
3513845230
ref: 5
09160-05045
WASHER
€ 2.00
6
3513945230
ref: 6
CUSHION
€ 1.50
7
3513314A00
ref: 7
SPACER
€ 3.50
8
3513545900
ref: 8
NUT
€ 2.50
9
3515149200
ref: 9
35151-45900
SCREW,HEADLAMP ADJUST
€ 4.00
10
3515449200
ref: 10
SPRING
€ 3.50
11
3513545600
ref: 11
NUT
€ 3.00
12
0110706207
ref: 12
01500-06207
BOLT
€ 2.00
13
0916006027
ref: 13
09160-06077
WASHER (6.5X20X1.2)
€ 2.00
14
0932009018
ref: 14
CUSHION
€ 2.00
15
0918006011
ref: 15
09180-06263
SPACER (6.1X9X9)
€ 2.00
16
3595030910
ref: 16
REFLEX REFLECTOR,FR
€ 43.50
17
0832121057
ref: 17
08321-0105A
LOCK WASHER
€ 2.00
18
3692044A00
ref: 18
36920-14D00
CUSHION
€ 5.50
up
all assemblies
AIR CLEANER
BATTERY
CAM CHAIN
CAM SHAFT - VALVE
CARBURETOR
CLUTCH
CRANKCASE
CRANKCASE COVER
CRANKSHAFT
CYLINDER
CYLINDER HEAD
ELECTRICAL
FOOTREST
FRAME
FRAME COVER
FRONT BRAKE HOSE
FRONT CALIPER
FRONT FORK
FRONT MASTER CYLINDER
FRONT WHEEL
FUEL COCK
FUEL TANK (MODEL G/H)
FUEL TANK (MODEL J)
GEAR SHIFTING
HANDLEBAR
HEADLAMP
HEADLAMP COVER - FRONT FENDER (MODEL G)
HEADLAMP COVER - FRONT FENDER (MODEL H/J)
KICK STARTER
LIGHT HANDLE SWITCH
MAGNETO
MUFFLER
OIL PUMP
REAR COMBINATION LAMP
REAR CUSHION
REAR FENDER
REAR SWINGING ARM
REAR WHEEL
RIGHT HANDLE SWITCH
SEAT
SPEEDOMETER
STAND - REAR BRAKE
STEERING STEM
TRANSMISSION
TURN SIGNAL LAMP
WIRING HARNESS
up