prices are in EUR
ref
part #
description
quantity
 
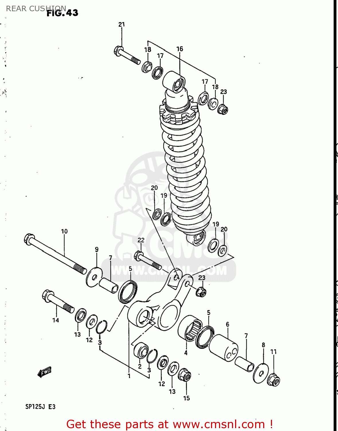
1
LEVER SET,RR CUSHION
 
 
 
2
BEARING(12X26X16)
 
 
 
4
BEARING(37X47X20)
 
 
 
5
SEAL,DUST
 
 
 
6
SPACER,RR SUSPENSION ECCENTRIC
 
 
 
7
SPACER,CUSHION LEVER SHAFT
 
 
 
8
WASHER(12X40X3)
 
 
 
10
SHAFT,REAR CUSHION LEVER
 
11
NUT 12MM
 
 
 
12
SEAL,RR CUSHION ROD DUST
 
 
 
13
SPACER,RR CUSHION ROD
 
 
 
14
BOLT,CUSHION LEVER FR
 
 
 
15
NUT 12MM
 
 
 
16-1
ABSORBER ASSEMBLY,REAR SHOCK
 
16-2
ABSORBER ASSEMBLY,REAR SHOCK
 
16-3
ABSORBER ASSEMBLY,REAR SHOCK
 
17
DUST SEAL
 
 
 
18
SPACER
 
 
 
19-2
DUST SEAL,RR SHOCK
 
 
 
20
COLLAR
 
 
 
21
BOLT,REAR SHOCK ABSORBER
 
 
 
22
BOLT(10X48)
 
 
 
23
NUT
