×
Buy Suzuki SV Parts Online
home
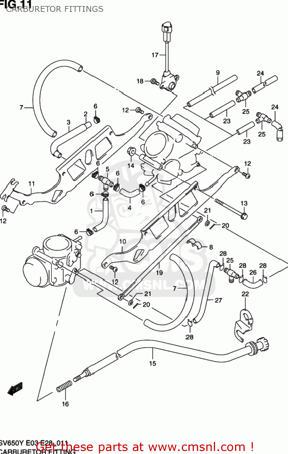
CARBURETOR FITTINGS
SV650 2001 (K1) USA (E03)
Carburetor fittings diagram SV650 2001 (K1) USA (E03)
CARBURETOR FITTINGS SV650 2001 (K1) USA (E03)
×
prices are in EUR
ref
part #
description
quantity
1
1368448B10
ref: 1
HOSE
€ 21.50
2-1
1368419F00
ref: 2-1
HOSE (5.3X10.5X125)
€ 6.00
2-2
1368419F30
ref: 2-2
HOSE(5.3X10.5X125)
€ 12.00
3-1
1368419F10
ref: 3-1
HOSE (11X15X90)
€ 6.00
3-2
1368419F40
ref: 3-2
HOSE(11X15X70)
€ 12.00
4
1368419F20
ref: 4
HOSE,5.3X10.5
€ 11.00
5
1368548B00
ref: 5
NIPPLE
€ 10.00
6
1367119F00
ref: 6
CLIP
€ 4.00
7
1368619F00
ref: 7
HOSE(7X11X250)
€ 15.00
8
1367119F10
ref: 8
CLIP
€ 6.00
9
0935250903600
ref: 9
HOSE(5X9X600)
€ 33.50
9
0935250903600
ref: 9
HOSE(5X9X600)
€ 33.50
10
1348220F00
ref: 10
PLATE
€ 46.00
11
1344720F00
ref: 11
PLATE
€ 46.00
12
1360205109
ref: 12
SCREW
€ 3.50
13
1361219F00
ref: 13
BOLT
€ 6.00
14
1332419F00
ref: 14
NUT
€ 2.50
15
1326719F00
ref: 15
SCREW,ADJUST
€ 81.00
16
1327133C00
ref: 16
SPRING
€ 4.50
17
1358019F00
ref: 17
SENSOR ASSY
€ 132.50
18
1360219B50
ref: 18
SCREW
€ 3.00
19
1355319F00
ref: 19
LEVER ASSY
€ 52.00
20
1356319F00
ref: 20
PIN
€ 4.50
21
1361545010
ref: 21
WASHER,STARTER SHAFT
€ 4.00
22
1327919F00
ref: 22
PLATE,IDLE ADJUST
€ 5.50
23-1
1368310D20
ref: 23-1
13683-42E10
HOSE (5X9X60)
€ 3.50
23-2
1368420F30
ref: 23-2
13683-42E10
HOSE (5X9X40)
€ 3.50
24
0935250901600
ref: 24
HOSE(5X9X600)
€ 7.00
24
0935250901600
ref: 24
HOSE(5X9X600)
€ 7.00
25
1368548B00
ref: 25
NIPPLE
€ 10.00
26
1368419F20
ref: 26
HOSE,5.3X10.5
€ 11.00
27
1368720F40
ref: 27
HOSE(5.3X10.5)
€ 0.00
28
0940110410
ref: 28
09401-10401
CLIP
€ 2.00
up
all assemblies
2ND AIR (E33)
AIR CLEANER
BATTERY
CAM CHAIN
CAM SHAFT / VALVE
CARBURETOR
CARBURETOR FITTINGS
CLUTCH
COWLING BODY (SV650SK1)
COWLING BODY (SV650SK2)
COWLING BODY (SV650SX E28)
COWLING BODY (SV650SY E28)
COWLING INSTALATION PARTS (SV650SX/SY/SK1/SK2)
CRANKCASE (MODEL K1/K2)
CRANKCASE (MODEL X/Y)
CRANKCASE COVER
CRANKSHAFT
CYLINDER
ELECTRICAL
EVAPO SISTEM (E33)
FOOTREST
FRAME (MODEL K2)
FRAME (MODEL X/Y/K1)
FRAME COVER
FRONT BRAKE HOSE
FRONT CALIPER
FRONT CYLINDER HEAD
FRONT FENDER
FRONT FORK DAMPER (MODEL K1)
FRONT FORK DAMPER (MODEL K2)
FRONT FORK DAMPER (MODEL X/Y)
FRONT MASTER CYLINDER (SV650SX/SY/SK1/SK2)
FRONT MASTER CYLINDER (SV650X/Y/K1/K2)
FRONT WHEEL
FUEL COCK
FUEL TANK (MODEL X)
FUEL TANK (MODEL Y)
FUEL TANK (MODLE K1)
FUEL TANK (MODLE K2)
GASKET SET
GEAR SHIFTING
HANDLE BAR (SV650SX/SY/SK1/SK2)
HANDLE BAR (SV650X/Y/K1/K2)
HANDLE LEVER
HANDLE SWITCH (SV650SX/SY/SK1/SK2)
HANDLE SWITCH (SV650X/Y/K1/K2)
HEADLAMP (SV650SX/SY/SK1/SK2)
HEADLAMP (SV650X/Y/K1/K2)
HEADLAMP HOUSING (SV650X/Y/K1/K2)
MAGNETO
MUFFLER
OIL PUMP / FUEL PUMP
RADIATOR
RADIATOR HOSE
REAR CALIPER
REAR CUSHION LEVER
REAR CYLINDER HEAD
REAR FENDER
REAR MASTER CYLINDER
REAR SWINGING ARM
REAR WHEEL
SEAT
SEAT TAIL COVER (MODEL K1)
SEAT TAIL COVER (MODEL K2)
SEAT TAIL COVER (MODEL X)
SEAT TAIL COVER (MODEL Y)
SPEEDOMETER (SV650SX/SY/SK1/SK2)
SPEEDOMETER (SV650X/Y/K1/K2)
STAND
STARTER CLUTCH
STARTING MOTOR
STEERING STEM (SV650K1 E3)
STEERING STEM (SV650K2)
STEERING STEM (SV650SK1/SK2)
STEERING STEM (SV650SX/SY E28)
STEERING STEM (SV650X/Y)
TAIL LAMP
TRANSMISSION
TURNSIGNAL LAMP (SV650SX/SY/SK1/SK2)
TURNSIGNAL LAMP (SV650X/Y/K1/K2)
WARNING LABEL (MODEL K2)
WARNING LABEL (MODEL X/Y/K1)
WATER PUMP (MODEL K1/K2)
WATER PUMP (MODEL X/Y)
WIRING HARNESS (SV650SX/SY/SK1/SK2)
WIRING HARNESS (SV650X/Y/K1/K2)
up