×
Buy Suzuki T Parts Online
home
T350 1969 1970 1971 1972 (?) (?) (R) (J) USA (E03)
CYLINDER - AIR CLEANER
24 products
CRANKCASE
22 products
CRANKCASE COVER
14 products
PISTON - CRANKSHAFT
14 products
CARBURETOR
31 products
MUFFLER
7 products
OIL PUMP
13 products
CLUTCH
15 products
TRANSMISSION
24 products
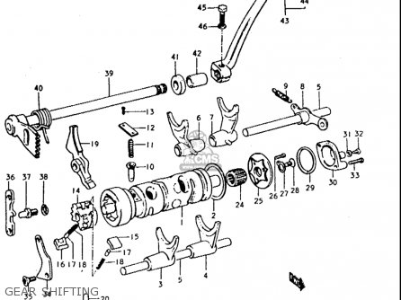
GEAR SHIFTING
26 products
KICK STARTER
14 products
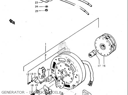
GENERATOR - IGNITION COIL
18 products
SPEEDOMETER - TACHOMETER
21 products
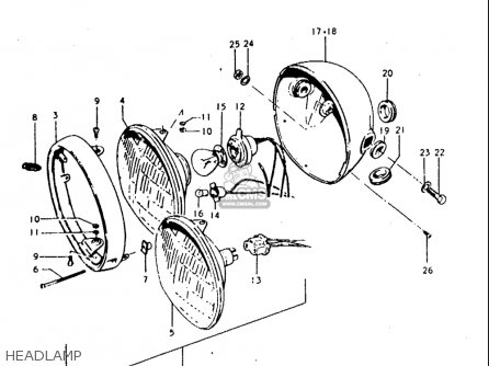
HEADLAMP
15 products
HEADLAMP (T350-2)
2 products
TURN SIGNAL LAMP
16 products
REAR COMBINATION LAMP (T350.2.R)
15 products
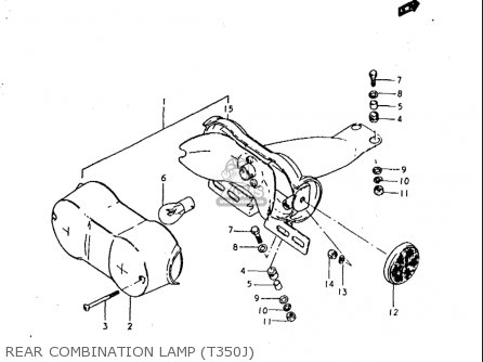
REAR COMBINATION LAMP (T350J)
11 products
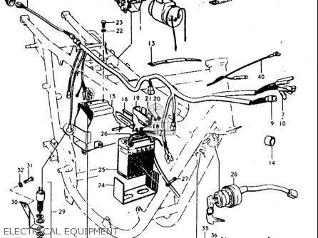
ELECTRICAL EQUIPMENT
23 products
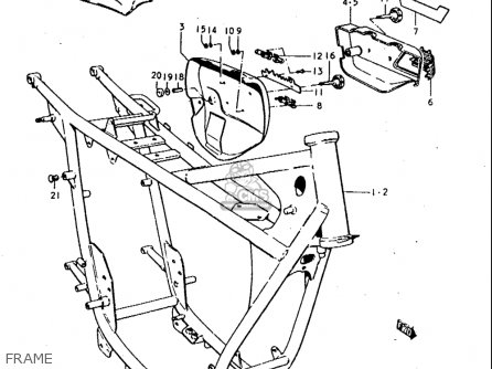
FRAME
7 products
OIL TANK
31 products
CENTER STAND - FOOTREST
24 products
FUEL TANK
13 products
SEAT FENDER
14 products
FRONT FORK (T350)
14 products
FRONT FORK (T350-2.R.J)
13 products
FRONT WHEEL
29 products
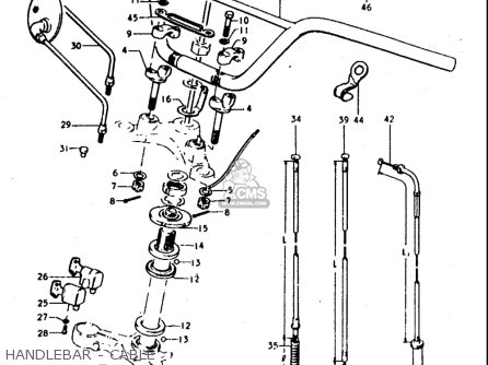
HANDLEBAR - CABLE
29 products
THROTTLE GRIP - HANDLE SWITCH
27 products
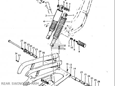
REAR SWINGING ARM
20 products
REAR WHEEL
30 products
OPTIONAL
3 products
up
popular products
2534118000
GUIDE,GEAR SHIFT CAM
Suzuki
3561303610
GASKET,TURNSIGNAL LENS (NAS)
Suzuki
0944005011
SPRING
Suzuki
5117218630
GUIDE,SPRING COVER
Suzuki