Buy Suzuki T Parts Online

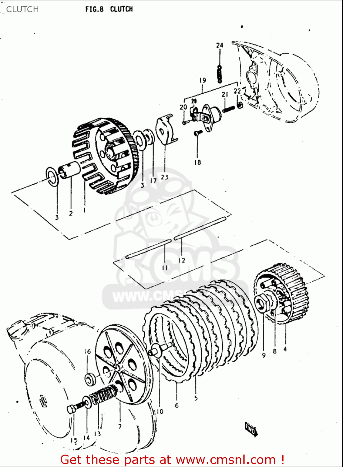
CLUTCH

T350 1969 1970 1971 1972 (?) (?) (R) (J) USA (E03)

Clutch diagram T350 1969 1970 1971 1972 (?) (?) (R) (J) USA (E03)

CLUTCH T350 1969 1970 1971 1972 (?) (?) (R) (J) USA (E03)
CLUTCH T350 1969 1970 1971 1972 (?) (?) (R) (J) USA (E03)
CLUTCH T350 1969 1970 1971 1972 (?) (?) (R) (J) USA (E03)
prices are in EUR
ref
part #
description
quantity
2
2125113E00
ref: 2
SPACER,PRIMARY DRIVEN GEAR
€ 11.50

3
0916020028
ref: 3
WASHER(20X38X2)
0916020028
€ 6.50

5
2145131000
ref: 5
PLATE,CLUTCH DRIVEN(T:2.0) (NAS)
2145131000
€ 10.00

8
0916720009
ref: 8
WASHER,LOCK
0916720009
€ 3.50

9
0914020001
ref: 9
NUT
0914020001
€ 4.00

11
2311110000
ref: 11
ROD,CLUTCH PUSH
2311110000
€ 9.50

12
2311118001
ref: 12
ROD, CLUTCH PUSH B
2311118001
€ 11.50

13
0944019004
ref: 13
SPRING
0944019004
€ 3.50

14
0916006066
ref: 14
WASHER(6.5X20X1.6)
0916006066
€ 2.00

16
0928410002
ref: 16
SEAL,OIL (10X17X5)
0928410002
€ 4.50

17
0928506005
ref: 17
SEAL,OIL (6X30X5)
0928506005
€ 5.50

18
0211206127
ref: 18
SCREW
0211206127
€ 2.50

21
0913406010
ref: 21
SCREW(6X25)
0913406010
€ 3.50

22
0831000067
ref: 22
NUT
0831000067
€ 2.50

24
0944308001
ref: 24
SPRING
0944308001
€ 4.50