×
Buy Suzuki TS Parts Online
home
TS100 1979 (N) USA (E03)
AIR CLEANER
0 products
BATTERY
8 products
CARBURETOR (TS100C)
39 products
CARBURETOR (TS100N) (TS100C F.NO.119365~TSTCON)
38 products
CLUTCH
19 products
CRANKCASE
13 products
CRANKCASE COVER
14 products
CYLINDER
29 products
ELECTRICAL
15 products
FRAME
10 products
FRAME COVER
14 products
FRONT FENDER
19 products
FRONT FORK
43 products
FRONT WHEEL
39 products
FUEL COCK
9 products
GEAR SHIFTING
33 products
HANDLEBAR
39 products
HEADLAMP
23 products
KICK STARTER
18 products
LEFT HANDLE SWITCH
42 products
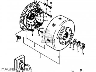
MAGNETO (KOKUSAN)
17 products
MAGNETO (ND)
26 products
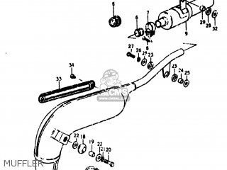
MUFFLER
34 products
OIL PUMP
25 products
OIL TANK
5 products
PISTON - CRANKSHAFT
27 products
REAR BRAKE
26 products
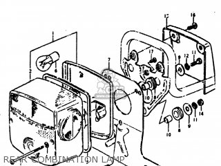
REAR COMBINATION LAMP
16 products
REAR FENDER
18 products
REAR SWINGING ARM
27 products
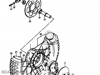
REAR WHEEL
32 products
RIGHT HANDLE SWITCH
27 products
SEAT
24 products
SPEEDOMETER
21 products
STAND - FOOTREST
12 products
TRANSMISSION
34 products
TURN SIGNAL LAMP
19 products
WIRING HARNESS
11 products
up
popular products
0918012076
SPACER (12.2X19X18.5)
Suzuki
3515429610
SPRING,HEADLAMP ADJUST
Suzuki
3491026033
CABLE ASSEMBLY,SPEEDOMETER
Suzuki
1327196110
SPRING
Suzuki