×
Buy Suzuki TS Parts Online
home
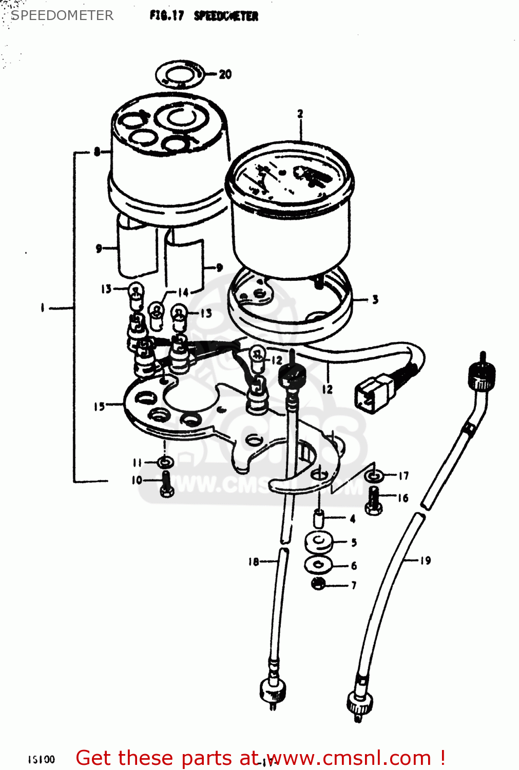
SPEEDOMETER
TS100 1979 (N) USA (E03)
Speedometer diagram TS100 1979 (N) USA (E03)
SPEEDOMETER TS100 1979 (N) USA (E03)
×
prices are in EUR
ref
part #
description
quantity
1-1
3410048110
ref: 1-1
SPEEDOMETER ASSEMBLY
€ 385.00
1-2
3410048111
ref: 1-2
SPEEDOMETER ASSEMBLY
€ 385.00
2-1
3411048110
ref: 2-1
SPEEDOMETER ASSEMBLY
€ 197.50
2-2
3411048111
ref: 2-2
34110-39673
SPEEDOMETER ASSEMBLY
€ 197.50
3
3495546221
ref: 3
CUSHION
€ 6.50
4
3497846221
ref: 4
SPACER
€ 0.00
5
3496146220
ref: 5
CUSHION,SPEEDOMETER
€ 3.50
6
0916005006
ref: 6
09160-05006-XC0
WASHER (5.5X18X1.6)
€ 4.00
7
0831011058
ref: 7
08310-00057
NUT
€ 2.50
8
3638148640
ref: 8
CASE,PILOT BULB
€ 25.50
9
3632846220
ref: 9
REFLECTOR,PILOT LAMP
€ 2.50
10
0110405108
ref: 10
01500-0510B
BOLT
€ 1.50
11
0832221058
ref: 11
08322-01057
WASHER
€ 2.50
12
3417348610
ref: 12
SOCKET,METER
€ 13.50
13
0947106002
ref: 13
BULB(6V/3W)
€ 2.50
14
0947106001
ref: 14
BULB(6V1.7W,STANLEY,A61A)
€ 2.50
15
3495046220
ref: 15
BRACKET,SPEEDOMETER
€ 18.00
16
0110708128
ref: 16
01500-08127
BOLT 8X12
€ 2.50
17
0832211088
ref: 17
08322-01087
WASHER
€ 2.00
18
3491048130
ref: 18
CABLE ASSY,SPEEDOMETER
€ 25.00
19
3491026033
ref: 19
34910-39991
CABLE ASSEMBLY,SPEEDOMETER
€ 59.00
up
all assemblies
AIR CLEANER
BATTERY
CARBURETOR (TS100C)
CARBURETOR (TS100N) (TS100C F.NO.119365~TSTCON)
CLUTCH
CRANKCASE
CRANKCASE COVER
CYLINDER
ELECTRICAL
FRAME
FRAME COVER
FRONT FENDER
FRONT FORK
FRONT WHEEL
FUEL COCK
GEAR SHIFTING
HANDLEBAR
HEADLAMP
KICK STARTER
LEFT HANDLE SWITCH
MAGNETO (KOKUSAN)
MAGNETO (ND)
MUFFLER
OIL PUMP
OIL TANK
PISTON - CRANKSHAFT
REAR BRAKE
REAR COMBINATION LAMP
REAR FENDER
REAR SWINGING ARM
REAR WHEEL
RIGHT HANDLE SWITCH
SEAT
SPEEDOMETER
STAND - FOOTREST
TRANSMISSION
TURN SIGNAL LAMP
WIRING HARNESS
up