×
Buy Suzuki VS Parts Online
home
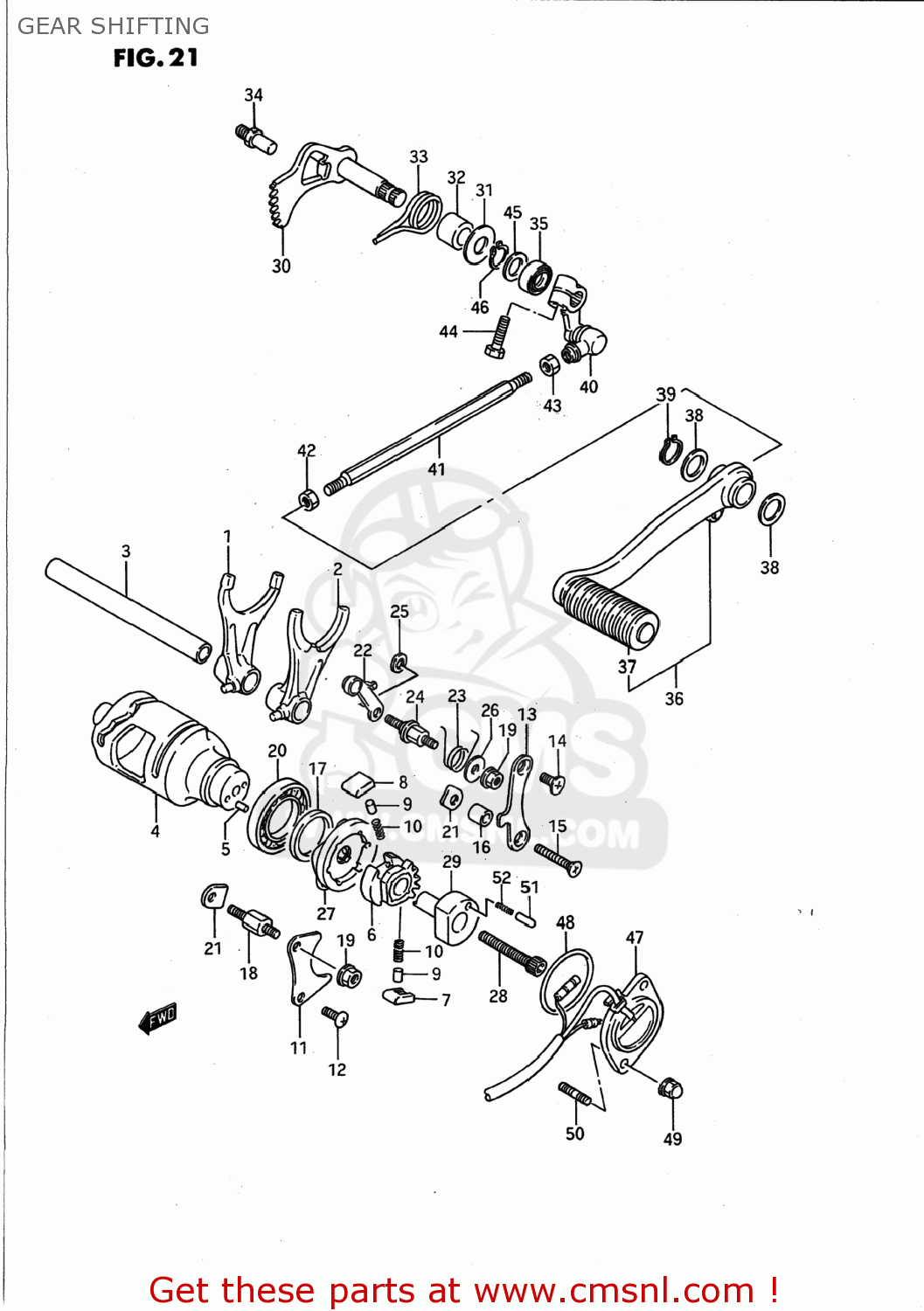
GEAR SHIFTING
VS1400GLP INTRUDER 1988 (J) USA (E03)
Gear shifting diagram VS1400GLP INTRUDER 1988 (J) USA (E03)
GEAR SHIFTING VS1400GLP INTRUDER 1988 (J) USA (E03)
×
prices are in EUR
ref
part #
description
quantity
1
2521138B00
ref: 1
25211-38B01
FORK,GEAR SHIFT NO.1
€ 70.50
2
2522138B00
ref: 2
FORK,GEAR SHIFT NO.2
€ 47.50
3-1
2541138B00
ref: 3-1
25411-38B01
SHAFT,GEAR SHIFT FORK
€ 22.00
3-2
2541138B01
ref: 3-2
SHAFT,GEAR SHIFT FORK(L:152)
€ 22.00
4
2531038B01
ref: 4
CAM,GEAR SHIFT
€ 158.50
5
0422104089
ref: 5
PIN
€ 1.50
6
2532231301
ref: 6
25322-31310
GEAR,GEARSHIFT CAM DRIVE
€ 15.50
7
2532334201
ref: 7
PAWL,GEAR SHIFT NO.1
€ 7.00
8
2532434201
ref: 8
PAWL,GEAR SHIFT NO.2
€ 7.00
9
0926105003
ref: 9
PIN(5X8)
€ 2.00
10
0944004003
ref: 10
SPRING
€ 2.00
11
2533138B00
ref: 11
LIFTER,GEAR SHIFT POLE
€ 5.00
12-1
0211206128
ref: 12-1
02112-06127
SCREW 6X12
€ 2.50
12-2
0211206123
ref: 12-2
02112-0612A
SCREW
€ 1.50
13
2534138B00
ref: 13
GUIDE,GEAR SHIFT CAM
€ 8.00
14-1
0212206128
ref: 14-1
02122-06127
SCREW
€ 3.50
14-2
0212206123
ref: 14-2
02122-0612A
SCREW
€ 3.50
15-1
0212206308
ref: 15-1
02122-0630B
SCREW
€ 2.00
15-2
0212206303
ref: 15-2
02122-0630B
SCREW
€ 2.00
16
0918006169
ref: 16
09180-06293
SPACER (6.1X10X14)
€ 2.50
17
0916025059
ref: 17
WASHER(25X32X3)
€ 5.50
18
2533238A00
ref: 18
BOSS,SHIFT PAWL LIFTER
€ 4.00
19-1
0915906017
ref: 19-1
08319-31067
NUT
€ 2.50
19-2
0831610063
ref: 19-2
08316-1006B
NUT
€ 2.50
20-1
0926225002
ref: 20-1
09262-25006
BEARING
€ 27.50
20-2
0926225006
ref: 20-2
BEARING(25X47X8)
€ 27.50
21-1
2474120A10
ref: 21-1
24741-21A00
RETAINER,SHIFT CAM,R BEARING
€ 2.50
21-2
2474121A00
ref: 21-2
RETAINER
€ 2.50
22
2535038B00
ref: 22
STOPPER,GEAR SHIFT CAM
€ 14.00
23
0944817024
ref: 23
SPRING
€ 5.00
24-1
2535524B01
ref: 24-1
25356-12C00
SPRING,STOPPER ARM
€ 10.50
24-2
2535612C00
ref: 24-2
SUPPORT,CAM STOPPER ARM
€ 10.50
25
0821106141
ref: 25
WASHER
€ 2.50
26
0916006013
ref: 26
09160-06121
WASHER (6.5X18X2)
€ 11.50
27
2538038B00
ref: 27
PLATE,GEAR SHIFT CAM
€ 15.00
28-1
0711006408
ref: 28-1
07130-06407
BOLT
€ 3.00
28-2
0713006403
ref: 28-2
07130-0640B
BOLT
€ 4.00
29
2531238B01
ref: 29
HOLDER,NEUTRAL SWITCH
€ 22.50
30
2551038B00
ref: 30
SHAFT,GEAR SHIFT
€ 102.50
31
0916012063
ref: 31
09160-12091
WASHER (12.5X28X1.2)
€ 2.50
32
0918012068
ref: 32
SPACER(12X20X15.3)
€ 3.50
33
0944426021
ref: 33
SPRING
€ 6.00
34
2567138B00
ref: 34
STOPPER,SHIFT ARM
€ 3.50
35
0928512002
ref: 35
09285-12006
OIL SEAL
€ 7.00
36
2560038B01
ref: 36
LEVER ASSY,GEAR SHIFT
€ 78.00
37
2565238B00
ref: 37
RUBBER,GEAR SHIFT PEDAL
€ 8.50
38
0916014003
ref: 38
09160-14054
WASHER (14.2X22X1)
€ 1.50
39
0833131146
ref: 39
08331-3114A
CIRCLIP
€ 2.00
40
2552038B00
ref: 40
ARM,GEAR SHIFT LINK
€ 43.50
41
2552538B00
ref: 41
ROD,GEAR SHIFT LINK
€ 23.00
42
0914006011
ref: 42
NUT
€ 2.00
43-1
0831011067
ref: 43-1
08310-00067
NUT 6MM
€ 2.50
43-2
0831000067
ref: 43-2
NUT
€ 2.50
44-1
0110706207
ref: 44-1
01500-06207
BOLT
€ 2.50
44-2
0150006207
ref: 44-2
BOLT
€ 2.50
45
0821112201
ref: 45
09181-12167
WASHER,THRUST
€ 2.50
46
0833131126
ref: 46
08331-3112A
CIRCLIP,12 MM
€ 2.00
47
3772038B00
ref: 47
BASE ASSY,NEUTRAL SW TERMINAL
€ 100.00
48-1
0928036001
ref: 48-1
O RING(D:2.4,ID:36.5)
€ 5.50
48-2
0928035006
ref: 48-2
O RING(D:2.4,ID:35.5)
€ 4.50
49-1
0831321055
ref: 49-1
08313-2005A
NUT 5MM
€ 1.50
49-2
0831320053
ref: 49-2
08313-2005A
NUT
€ 1.50
50
0910805010
ref: 50
BOLT,STUD
€ 3.00
51
0920904021
ref: 51
PIN
€ 10.00
52
0944002003
ref: 52
SPRING
€ 1.50
up
all assemblies
AIR CLEANER (FRONT)
AIR CLEANER (REAR)
BATTERY
BOOST SENSOR (MODEL L/M/N/P/R/S)
CAM CHAIN
CAMSHAFT - VALVE
CANISTER (FOR CALIFORNIA)
CARBURETOR (FRONT)
CARBURETOR (REAR)
CLUTCH
CLUTCH CYLINDER (VS1400GLFH)
CLUTCH CYLINDER (VS1400GLPH
CLUTCH HOSE
CRANKCASE
CRANKCASE COVER
CRANKSHAFT
CYLINDER
CYLINDER HEAD (FRONT)
CYLINDER HEAD (REAR)
DECOMP SHAFT
ELECTRICAL
FOOTREST
FRAME
FRAME COVER (MODEL H/J/L/M)
FRAME COVER (MODEL N/P/R)
FRAME COVER (MODEL S)
FRONT BRAKE HOSE
FRONT CALIPER
FRONT FENDER
FRONT FORK
FRONT MASTER CYLINDER (MODEL H/J)
FRONT MASTER CYLINDER (MODEL L/M/N/P/R/S)
FRONT WHEEL
FUEL COCK
FUEL TANK (MODEL H/J)
FUEL TANK (MODEL L/M/N)
FUEL TANK (MODEL P/R/S)
GEAR SHIFTING
HANDLE SWITCH (MODEL H/J)
HANDLE SWITCH (MODEL L/M/N/P/R)
HANDLE SWITCH (MODEL S)
HANDLEBAR (MODEL S)
HANDLEBAR (VS1400GLFH)
HANDLEBAR (VS1400GLPH
HEADLAMP
MAGNETO
MUFFLER
OIL COOLER
OIL PUMP - FUEL PUMP
PILLION RIDER HANDLE
PROP STAND - REAR BRAKE
PROPELLER SHAFT - FINAL DRIVE GEAR
REAR CALIPER (MODEL H/J/L/M/N)
REAR CALIPER (MODEL P/R/S)
REAR COMBINATION LAMP
REAR FENDER
REAR MASTER CYLINDER
REAR SWINGING ARM
REAR WHEEL
SEAT
SECONDARY DRIVE GEAR
SPEEDOMETER
STARTER CLUTCH
STARTING MOTOR
STEERING STEM
TRANSMISSION
TURN SIGNAL LAMP
WIRING HARNESS
up