×
Buy Suzuki VS Parts Online
home
VS700GLEF INTRUDER 1987 (H) USA (E03)
AIR CLEANER (FRONT)
13 products
AIR CLEANER (REAR)
14 products
BATTERY (MODEL G F.NO.111194~
17 products
BATTERY (MODEL G ~F.NO.111193)
15 products
CAM CHAIN
11 products
CAMSHAFT - VALVE
30 products
CANISTER (FOR CALIFORNIA)
35 products
CARBURETOR (FRONT)
70 products
CARBURETOR (REAR)
64 products
CLUTCH
32 products
CLUTCH HOSE
6 products
CLUTCH MASTER CYLINDER (VS700GLFG/GLEFG/GLFH/GLEFH)
12 products
CLUTCH MASTER CYLINDER (VS700GLPG/GLEPG/GLPH/GLEPH)
11 products
CRANKCASE
53 products
CRANKCASE COVER
34 products
CRANKSHAFT
34 products
CYLINDER
15 products
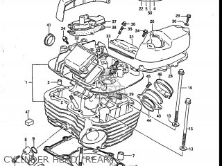
CYLINDER HEAD (FRONT)
60 products
CYLINDER HEAD (REAR)
60 products
ELECTRICAL
22 products
FOOTREST (MODEL G)
25 products
FOOTREST (MODEL H)
26 products
FRAME
56 products
FRAME COVER
26 products
FRONT BRAKE HOSE
10 products
FRONT CALIPER
21 products
FRONT FORK (MODEL G)
22 products
FRONT FORK (MODEL H)
24 products
FRONT MASTER CYLINDER (VS700GLFG/GLEFG/GLFH/GLEFH)
9 products
FRONT MASTER CYLINDER (VS700GLPG/GLEPG/GLPH/GLEPH)
8 products
FRONT WHEEL (VS700GLEFG/GLEPG)
17 products
FRONT WHEEL (VS700GLEFH/GLEPH)
15 products
FRONT WHEEL (VS700GLFG/GLPG)
21 products
FRONT WHEEL (VS700GLFH/GLPH)
19 products
FUEL COCK
7 products
FUEL TANK
42 products
GEAR SHIFTING
44 products
HANDLE SWITCH
28 products
HANDLEBAR - CONTROL CABLE (VS700GLFG/GLEFG/GLFH/GLEFH)
14 products
HANDLEBAR - CONTROL CABLE (VS700GLPG/GLEPG/GLPH/GLEPH)
13 products
HEADLAMP
19 products
HEADLAMP HOUSING - FRONT FENDER
9 products
MAGNETO
14 products
MUFFLER
20 products
OIL PUMP - FUEL PUMP
28 products
PILLION RIDER HANDLE
40 products
PROP STAND - REAR BRAKE (VS700GLFG/GLPG ~F.NO.115898)
45 products
PROPELLER SHAFT - FINAL DRIVE GEAR
55 products
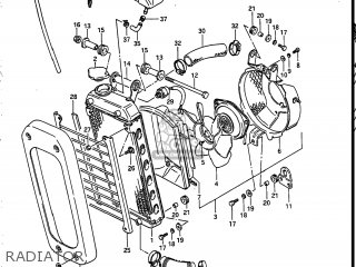
RADIATOR
46 products
REAR COMBINATION LAMP
29 products
REAR FENDER
23 products
REAR SWINGING ARM (MODEL H)
36 products
REAR SWINGING ARM (VS700GLFG/GLPG ~F.NO.115898)
35 products
REAR WHEEL (VS700GLEFG/GLEPG)
32 products
REAR WHEEL (VS700GLEFH/GLEPH)
30 products
REAR WHEEL (VS700GLFG/GLPG)
35 products
REAR WHEEL (VS700GLFH/GLPH)
34 products
SEAT
27 products
SECONDARY DRIVE GEAR (MODEL G)
29 products
SECONDARY DRIVE GEAR (MODEL H)
28 products
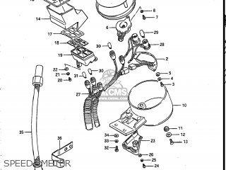
SPEEDOMETER
39 products
STARTER CLUTCH
6 products
STARTING MOTOR
24 products
STEERING STEM (MODEL G)
28 products
STEERING STEM (MODEL H)
25 products
TRANSMISSION
37 products
TURN SIGNAL LAMP
23 products
VS700GLFG/GLPG F.NO.115899~
35 products
WATER PUMP
28 products
WIRING HARNESS
41 products
up
popular products
2744538A00035
SHIM,FINAL DRIVE GEAR
Suzuki
3576538A30
CUSHION
Suzuki
2744538A00040
SHIM,FINAL DRIVE GEAR
Suzuki
2744538A00030
SHIM,FINAL DRIVE GEAR
Suzuki