prices are in EUR
ref
part #
description
quantity
 
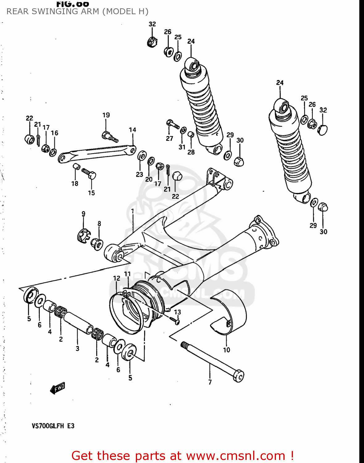
1-1
SWING ARM ASSEMBLY,REAR
 
1-2
SWING ARM ASSEMBLY,REAR
 
1-3
SWING ARM ASSEMBLY,REAR
 
 
 
2
BEARING(22X29X20)
 
 
 
3
SPACER,REAR SWING ARM PIVOT
 
 
 
4
SPACER,RR SWGARM PIVOT
 
 
 
5
CVR,RR SWGARM DUST SEAL(OD:40)
 
 
 
6
WASHER
 
 
 
7
SHAFT,RR SWINGINGARM PIVOT
 
 
 
8
NUT
 
 
 
9
CAP,REAR SWING ARM PIVOT
 
 
 
10-1
COVER,REAR SWING ARM PIVOT
 
10-2
COVER,REAR SWING ARM PIVOT
 
10-3
COVER,REAR SWING ARM PIVOT
 
11
BOOT,PROPELLER SHAFT
 
 
 
12
CLAMP
 
 
 
13
SCREW 4X25
 
 
 
15
BOLT(10X28)
 
 
 
16
WASHER
 
 
 
17
NUT
 
 
 
19
BOLT(10X41)
 
 
 
20
WASHER (10X20X2.3)
 
 
 
22
CAP
 
 
 
24
ABSORBER ASSEMBLY,REAR SHOCK
 
25
WASHER
 
 
 
27
BOLT(10X39)
 
 
 
29
WASHER
 
 
 
30
NUT, LOWER LH
 
 
 
31
WASHER 10MM
 
 
 
32
CAP,FRAME HANDLE GRIP
