Buy Suzuki VS Parts Online

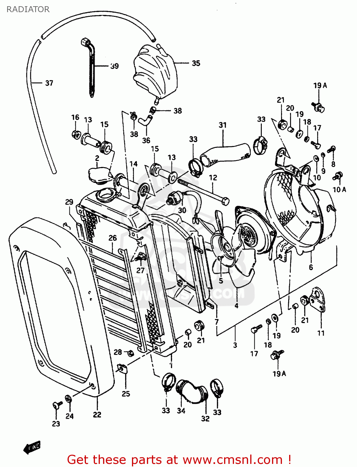
RADIATOR

VS800GL 1992 (N) (E01 E02 E04 E16 E17 E18 E21 E22 E25 E34 39 53)

Radiator diagram VS800GL 1992 (N) (E01 E02 E04 E16 E17 E18 E21 E22 E25 E34 39 53)

RADIATOR VS800GL 1992 (N) (E01 E02 E04 E16 E17 E18 E21 E22 E25 E34 39 53)
RADIATOR VS800GL 1992 (N) (E01 E02 E04 E16 E17 E18 E21 E22 E25 E34 39 53)
RADIATOR VS800GL 1992 (N) (E01 E02 E04 E16 E17 E18 E21 E22 E25 E34 39 53)
prices are in EUR
ref
part #
description
quantity
1
1771039A00
ref: 1
RADIATOR ASSY,WATER
€ 1,148.00

2
1773012C01
ref: 2
CAP,RADIATOR
1773012C01
€ 40.00

3
1780038A03
ref: 3
FAN ASSY,RADIATOR
1780038A03
€ 496.00

4
1782038A00
ref: 4
FAN
€ 51.00

5
0211204063
ref: 5

-17801-05A00
SCREW 4X6
0211204063
€ 2.00

6
1777039A00
ref: 6
SHROUD,FAN
1777039A00
€ 78.50

7
1715038A00
ref: 7
DUCT,FAN
€ 72.00

8
0211205103
ref: 8

MODEL N/P/R
SCREW
0211205103
€ 2.50

9
0832101053
ref: 9

MODEL N/P/R
LOCK,WASHER
€ 3.00

10
0832201053
ref: 10

MODEL N/P/R
WASHER
0832201053
€ 2.50

10A
0211275103
ref: 10A

MODEL S/T/V
SCREW
€ 1.50

11
1780838A00
ref: 11
BRACKET,RADIATOR FAN
1780838A00
€ 4.00

12-1
0910010198
ref: 12-1

MODEL N/P/R
BOLT 10X135
€ 4.00

12-2
0910010277
ref: 12-2

MODEL S/T/V
BOLT(10X135)
0910010277
€ 3.00

13
1778238A01
ref: 13
SPACER,RADIATOR CUSHION NO.2
1778238A01
€ 12.50

14
1778338A00
ref: 14
SPACER,RDTR CUSH NO.2 OUTER
1778338A00
€ 3.00

15
0932015008
ref: 15
CUSHION
0932015008
€ 4.00

16
0831931105
ref: 16
NUT 10MM
€ 3.50

17
0110706165
ref: 17

MODEL N/P/R
BOLT 6X16
0110706165
€ 2.00

18
0832121064
ref: 18

MODEL N/P/R
WASHER,LOCK
0832121064
€ 2.50

19
0916006039
ref: 19

MODEL N/P/R
WASHER (6.5X18X1.6)
0916006039
€ 2.00

19A
0911806067
ref: 19A

MODEL S/T/V
BOLT
€ 1.50

20-1
0918006154
ref: 20-1

MODEL N/P/R/S/T
SPACER (6X9X8)
€ 2.00

20-2
0918006261
ref: 20-2

MODEL V
SPACER(6.5X9X8)
0918006261
€ 2.00

21
0932008037
ref: 21
CUSHION
0932008037
€ 4.50

22-1
1776139A0103F
ref: 22-1

MODEL N
COVER,RADIATOR
€ 129.50

22-2
1776139A010CG
ref: 22-2

MODEL P
COVER,RADIATOR
€ 129.50

22-3
1776139A0119A
ref: 22-3

MODEL N/P/R/V
COVER,RADIATOR(RED)
€ 78.50

22-4
1776139A0133J
ref: 22-4

MODEL R/S/V
COVER,RADIATOR(BLACK)
€ 129.50

22-5
1776139A0120F
ref: 22-5

MODEL S/T
COVER,RADIATOR(MAROON)
€ 84.00

22-6
1776139A011ZV
ref: 22-6

MODEL T
COVER,RADIATOR(GREEN)
€ 129.50

22-7
1776139A01Y0N
ref: 22-7

MODEL V
COVER,RADIATOR(BLUE)
€ 77.00

23
0913906076
ref: 23
SCREW(6X10)
0913906076
€ 3.00

24
0916006093
ref: 24
WASHER (6.2X14X2)
0916006093
€ 2.00

25
1776239A00
ref: 25
NUT,RADIATOR COVER
1776239A00
€ 3.50

26
1779039A00
ref: 26
BUMPER,RADIATOR
1779039A00
€ 35.00

27
0911905014
ref: 27
BOLT
0911905014
€ 2.50

28-1
0831022055
ref: 28-1

MODEL N/P
NUT 5MM
0831022055
€ 2.50

28-2
0831000053
ref: 28-2

MODEL R/S/T/V
NUT
€ 2.50

29
1779538A00
ref: 29
CUSHION,RADIATOR BUMPER
€ 3.00

30
1768024A02
ref: 30
SWITCH,RADIATOR FAN
1768024A02
€ 116.00

31
1785139A00
ref: 31
HOSE,RADIATOR INLET
1785139A00
€ 19.00

32
1785838820
ref: 32
HOSE,WATER PUMP OUTLET
1785838820
€ 18.00

33-1
0940230502
ref: 33-1

MODEL N/P/R
CLAMP
€ 12.50

33-2
0940232511
ref: 33-2

MODEL S/T/V
CLAMP
0940232511
€ 12.50

34
0944035005
ref: 34

~F.NO.101391
SPRING
0944035005
€ 4.00

35
1791138A00
ref: 35
TANK,RESERVOIR
1791138A00
€ 25.00

36
1798138A01
ref: 36
HOSE,RESERVE TANK INLET
1798138A01
€ 7.50

37
1798238810
ref: 37
HOSE,RESERVOIR TANK OUTLET
1798238810
€ 18.00

38-1
0940108407
ref: 38-1

MODEL N/P/R
CLIP
€ 3.50

38-2
0940108411
ref: 38-2

MODEL S/T/V
CLIP
0940108411
€ 3.50

39
0940714403
ref: 39
CLAMP(L:125)
0940714403
€ 2.50