Buy Suzuki VS Parts Online

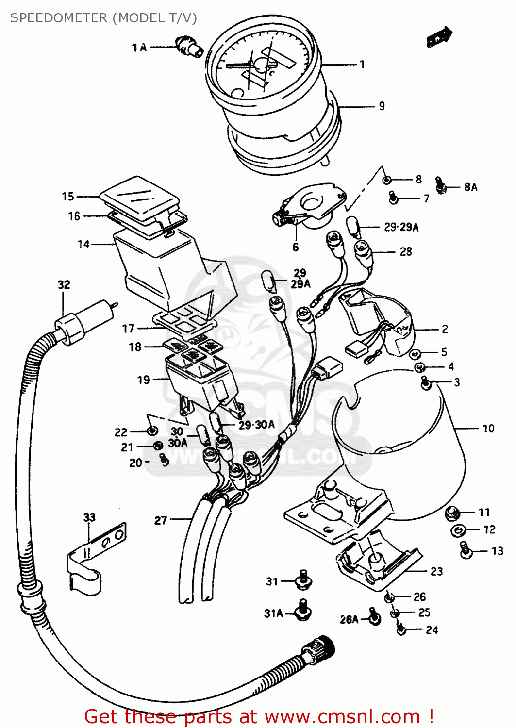
SPEEDOMETER (MODEL T/V)

VS800GL 1997 (V) (E02 E04 E17 E18 E22 E25 E34)

Speedometer (model t/v) diagram VS800GL 1997 (V) (E02 E04 E17 E18 E22 E25 E34)

SPEEDOMETER (MODEL T/V) VS800GL 1997 (V) (E02 E04 E17 E18 E22 E25 E34)
SPEEDOMETER (MODEL T/V) VS800GL 1997 (V) (E02 E04 E17 E18 E22 E25 E34)
SPEEDOMETER (MODEL T/V) VS800GL 1997 (V) (E02 E04 E17 E18 E22 E25 E34)
prices are in EUR
ref
part #
description
quantity
1-1
3411039A00
ref: 1-1

MODEL T
SPEEDOMETER (MILE/KILO)
€ 0.00

1-2
3411039AM0
ref: 1-2

MODEL V
SPEEDOMETER (MILE/KILO)
€ 339.50

1-3
3411039AC0
ref: 1-3

MODEL T; E4,E17,E18,
SPEEDOMETER (KILO)
3411039AC0
€ 440.50

1-4
3411039AL0
ref: 1-4

MODEL V E4,E17,E18,E
SPEEDOMETER(KILO)
€ 440.00

1A
3412439A10
ref: 1A
KNOB,TRIP
3412439A10
€ 16.00

2
3449039A10
ref: 2
UNIT,WATER TEMP
€ 222.00

3
0211203083
ref: 3
SCREW
0211203083
€ 2.00

4
0832121033
ref: 4
WASHER,LOCK
0832121033
€ 1.50

5
0832201033
ref: 5
WASHER
0832201033
€ 2.00

6-1
3413133450
ref: 6-1

MODEL T
GEAR BOX,SPEEDOMETER
3413133450
€ 134.00

6-2
3413119B00
ref: 6-2

MODEL V
BOX,GEAR
3413119B00
€ 134.00

7
0211204107
ref: 7

MODEL T
SCREW
0211204107
€ 3.00

8
0832101043
ref: 8

MODEL T
WASHER,LOCK
0832101043
€ 2.50

8A
0211234103
ref: 8A

MODEL V
SCREW
0211234103
€ 2.00

9
3428839A00
ref: 9
CUSHION
3428839A00
€ 15.50

10
3419339A20
ref: 10
COVER,METER
3419339A20
€ 192.50

11
3418905A30
ref: 11
CUSHION,METER
3418905A30
€ 5.50

12
3418138A00
ref: 12
WASHER
3418138A00
€ 4.00

13
0211204087
ref: 13
SCREW
0211204087
€ 1.50

14
3638139A20
ref: 14
BOX,PILOT
€ 106.00

15-1
3639338A00
ref: 15-1

MODEL T
LENS,PILOT BOX
3639338A00
€ 15.00

15-2
3639339AJ0
ref: 15-2

MODEL V
LENS,PILOT BOX
3639339AJ0
€ 16.50

16
3639538A00
ref: 16
CUSHION
3639538A00
€ 7.50

17
3638638A00
ref: 17
PLATE,PILOT LENS
3638638A00
€ 7.00

18-1
3630038810
ref: 18-1

MODEL T
LENS SET
€ 10.50

18-2
3630038850
ref: 18-2

MODEL V
LENS SET,PILOT LAMP
3630038850
€ 13.00

19
3638238B30
ref: 19
CASE,PILOT LAMP
€ 19.50

20
0211203083
ref: 20
SCREW
0211203083
€ 2.00

21
0832121033
ref: 21
WASHER,LOCK
0832121033
€ 1.50

22
0832201033
ref: 22
WASHER
0832201033
€ 2.00

23-1
3415239A20
ref: 23-1

MODEL T
COVER,PILOT BOX
3415239A20
€ 73.50

23-2
3415239A21
ref: 23-2

MODEL V
COVER,PILOT BOX
3415239A21
€ 73.50

24
0211204087
ref: 24

MODEL T
SCREW
0211204087
€ 1.50

25
0832101043
ref: 25

MODEL T
WASHER,LOCK
0832101043
€ 2.50

26
0832201047
ref: 26

MODEL T
WASHER
0832201047
€ 2.00

26A
0211274083
ref: 26A

MODEL V
SCREW
0211274083
€ 3.50

27
3417339AC0
ref: 27
SOCKET,METER NO.1
3417339AC0
€ 119.00

28-1
3417439A10
ref: 28-1

MODEL T
SOCKET
€ 19.50

28-2
3417439AJ0
ref: 28-2

MODEL V
SOCKET
€ 20.50

29
0947112103
ref: 29

MODEL T
BULB(12V3W,T6.5)
0947112103
€ 2.50

29A
0947112103
ref: 29A

MODEL V
BULB(12V3W,T6.5)
0947112103
€ 2.50

30
0947112108
ref: 30

MODEL T
BULB(12V1.7W,T6.5)
0947112108
€ 2.00

30A
0947112108
ref: 30A

MODEL V
BULB(12V1.7W,T6.5)
0947112108
€ 2.00

31
0155006163
ref: 31
BOLT
0155006163
€ 2.50

31A
0216206163
ref: 31A
SCREW
0216206163
€ 2.50

32
3491039A10
ref: 32
CABLE ASSY,SPEEDOMETER
3491039A10
€ 134.00

33
3493838A02
ref: 33
GUIDE,SPEEDOMETER CABLE
3493838A02
€ 10.50