Buy Suzuki VS Parts Online

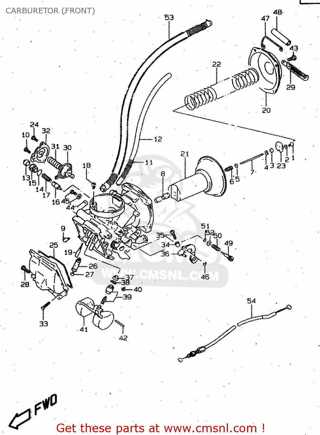
CARBURETOR (FRONT)

VS800GL 2000 (Y) (E02 E04 E17 E18 E22 E25 E34)

Carburetor (front) diagram VS800GL 2000 (Y) (E02 E04 E17 E18 E22 E25 E34)

CARBURETOR (FRONT) VS800GL 2000 (Y) (E02 E04 E17 E18 E22 E25 E34)
CARBURETOR (FRONT) VS800GL 2000 (Y) (E02 E04 E17 E18 E22 E25 E34)
CARBURETOR (FRONT) VS800GL 2000 (Y) (E02 E04 E17 E18 E22 E25 E34)
prices are in EUR
ref
part #
description
quantity
0
1321038E90
ref: 0
CARBURETOR ASSY, FRONT
€ 699.50

0
1321038EA0
ref: 0

E17, E22
CARBURETOR ASSY, FRONT
€ 0.00

0
1321038EB0
ref: 0

E37
CARBURETOR ASSY, FRONT
€ 0.00

1
0211203063
ref: 1
SCREW
0211203063
€ 2.00

2
0832121033
ref: 2
WASHER,LOCK
0832121033
€ 1.50

3
1338747010
ref: 3
RING
1338747010
€ 8.00

4
1339410010
ref: 4
CLIP
1339410010
€ 5.00

5
1338244030
ref: 5
WASHER
1338244030
€ 4.00

6
1338844030
ref: 6
SPRING
1338844030
€ 6.50

7
1338338E00
ref: 7
NEEDLE,JET
1338338E00
€ 17.50

8
0949400592
ref: 8
JET,NEEDLE(P-4)
0949400592
€ 35.00

9
1360538B00
ref: 9
SCREW
1360538B00
€ 8.50

10
0211204107
ref: 10
SCREW
0211204107
€ 3.00

11
1368938A00
ref: 11
SPRING
1368938A00
€ 9.50

12
0935250823600
ref: 12

L:600->185
HOSE(5X8.2X600)
0935250823600
€ 14.00

13
1368104010
ref: 13
CAP
1368104010
€ 4.00

14
1327847090
ref: 14
O RING
1327847090
€ 2.50

15
1341838A00
ref: 15
HOLDER,GUIDE
1341838A00
€ 12.50

16
1341101400
ref: 16
PLUNGER,STARTER
1341101400
€ 12.50

17
1341708210
ref: 17
SPRING
1341708210
€ 5.00

18
0949265005
ref: 18
JET,AIR(65)
0949265005
€ 8.00

19
0949240021
ref: 19
JET,PILOT(40)
0949240021
€ 19.00

20
1350245C10
ref: 20
COVER
1350245C10
€ 37.00

21
1350005A10
ref: 21
DIAPHRAGM,CARBURETOR
1350005A10
€ 189.00

21
1350045C00
ref: 21

E17, E22
DIAPHRAGM ASSY
€ 211.00

22
1350338B00
ref: 22
SPRING,DIAPHRAGM
1350338B00
€ 13.00

23
1338937400
ref: 23
PLATE
1338937400
€ 6.00

24
0212204103
ref: 24
SCREW,UPPER
€ 2.50

25
1325138A00
ref: 25
O RING,FLOAT CHAMBER
1325138A00
€ 7.50

26
1338505A11
ref: 26
HOLDER,MAIN JET
1338505A11
€ 15.50

27
0949195008
ref: 27
JET,MAIN(95)
0949195008
€ 9.00

27
0949120019
ref: 27

E17, E22
JET,MAIN(100)
0949120019
€ 7.50

28
1324713A00
ref: 28
SCREW,DRAIN
1324713A00
€ 6.00

29
0940406432
ref: 29

<-09404-06429
CLAMP(L:65)
0940406432
€ 3.00

30
1348005A10
ref: 30
DIAPHRAGM ASSY
1348005A10
€ 59.50

31
1348145C10
ref: 31
SPRING
1348145C10
€ 5.50

32
1348438A00
ref: 32
COVER
1348438A00
€ 22.50

33
1360104148
ref: 33
SCREW
1360104148
€ 3.00

34
0831000047
ref: 34
NUT
0831000047
€ 2.00

35
0211204307
ref: 35
SCREW
€ 0.00

36
1355445C20
ref: 36
LEVER ASSY
1355445C20
€ 38.50

37
1337684110
ref: 37
FILTER
€ 7.00

38
1337444080
ref: 38
O-RING,NEEDLE VALVE
1337444080
€ 6.00

39
1337039A00
ref: 39
VALVE ASSY,NEEDLE
1337039A00
€ 73.50

39
1337038E00
ref: 39

E37
VALVE ASSY,NEEDLE(NI)
1337038E00
€ 73.50

40
1360205A10
ref: 40
SCREW
1360205A10
€ 4.50

41
1325038B00
ref: 41
FLOAT
1325038B00
€ 35.00

42
1325420010
ref: 42
PIN,FLOAT
1325420010
€ 3.50

43
0211205127
ref: 43
SCREW
0211205127
€ 2.50

44
1352346110
ref: 44
GASKET,DRAIN PLUG (NAS)
1352346110
€ 3.00

45
0912505122
ref: 45
SCREW(5X6)
0912505122
€ 4.00

46
1341538300
ref: 46
E RING
1341538300
€ 2.00

47
1367138A00
ref: 47
CLIP
1367138A00
€ 11.50

48
0935260103600
ref: 48

L:600->50
HOSE(6X10X600)
0935260103600
€ 19.50

49
1327947070
ref: 49
SCREW,PILOT
1327947070
€ 12.50

49
1327947070
ref: 49

E17, E22
SCREW,PILOT
1327947070
€ 12.50

50
1326847070
ref: 50
SPRING
1326847070
€ 5.50

51
1329529900
ref: 51
O RING,PILOT AIR SCREW
1329529900
€ 4.00

52
1329129900
ref: 52
WASHER
1329129900
€ 2.00

53
1368338A20
ref: 53
HOSE ASSEMBLY
1368338A20
€ 76.00

54
1364138A00
ref: 54
CABLE,IDLE SYNCRO
1364138A00
€ 18.00