×
Buy Suzuki DR Parts Online
home
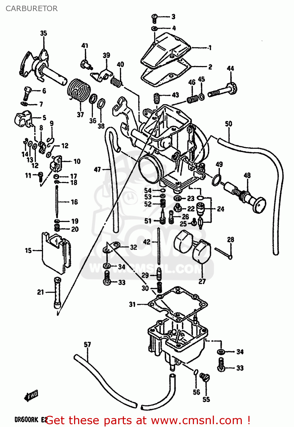
CARBURETOR
DR600R1989 (K)
Carburetor diagram DR600R1989 (K)
CARBURETOR DR600R1989 (K)
×
prices are in EUR
ref
part #
description
quantity
0
1320014A01
ref: 0
CARBURETOR ASSY
€ 509.50
0
1320014A60
ref: 0
MODEL K E22
CARBURETOR ASSY
€ 0.00
1
1326114A00
ref: 1
CAP, TOP
€ 0.00
2
1326614A00
ref: 2
GASKET,CARBURETOR TOP (NAS)
€ 4.50
3
0211204106
ref: 3
SCREWM4X0.7X10
€ 1.50
4
0832131046
ref: 4
LOCK WASHER
€ 2.50
5
1354114A00
ref: 5
ARM,THROTTLE
€ 37.50
6
1361343010
ref: 6
BOLT
€ 1.50
7
0832131056
ref: 7
LOCK WASHER
€ 3.00
8
1344714A00
ref: 8
PLATE
€ 18.00
9
1344614A00
ref: 9
SPRING
€ 4.00
10
1339814A01
ref: 10
BRACKET
€ 0.00
11
1356614A00
ref: 11
SCREW
€ 2.50
12
1344514A00
ref: 12
GASKET (NAS)
€ 3.50
13
1344914A00
ref: 13
WASHER
€ 2.00
14
1329849000
ref: 14
E-RING
€ 2.00
15
1355114A00
ref: 15
VALVE,THROTTLE
€ 115.50
16
1338314A00
ref: 16
NEEDLE,JET
€ 15.00
17
1338747010
ref: 17
RING
€ 8.00
18
1339410010
ref: 18
CLIP
€ 5.00
19
1338247010
ref: 19
WASHER,JET NEEDLE
€ 4.00
20
1338847010
ref: 20
SPRING
€ 7.50
21
0949400489
ref: 21
JET,NEEDLE(O-0)
€ 19.50
22
0949127009
ref: 22
JET,MAIN(135)
€ 11.50
23
1333244080
ref: 23
WASHER,NEEDLE NOZZLE
€ 3.00
24
1337014A00
ref: 24
VALVE ASSY,NEE
€ 48.50
25
1360243410
ref: 25
SCREW
€ 2.50
26
0949220008
ref: 26
JET,PILOT 20
€ 11.50
27
1325214A00
ref: 27
FLOAT
€ 25.00
28
1325492311
ref: 28
PIN,FLOAT
€ 2.00
29
1349314A00
ref: 29
PLUNGER
€ 7.50
30
1327109400
ref: 30
SPRING
€ 5.50
31
1325114A00
ref: 31
GASKET,FLOAT CHAMBER (NAS)
€ 8.50
32
1369316600
ref: 32
PLATE
€ 8.00
33
0211205166
ref: 33
SCREW
€ 2.50
34
0832131056
ref: 34
LOCK WASHER
€ 3.00
35
1355314A00
ref: 35
SHAFT ASSY
€ 34.00
36
1355632410
ref: 36
SEAL
€ 7.50
37
1357314A00
ref: 37
SPRING
€ 8.50
38
1357438200
ref: 38
RING,THROTTLE SHAFT
€ 5.00
39
1349014A00
ref: 39
LEVER
€ 10.50
40
1349414A00
ref: 40
SPRING
€ 4.50
41
1361314A00
ref: 41
BOLT
€ 8.50
42
1348714A00
ref: 42
ROD,PLUNGER
€ 7.00
43
1349944500
ref: 43
BOOT, ACCELE PUMP ROD
€ 12.00
44
1326701400
ref: 44
SCREW,THROTTLE STOP
€ 10.00
45
1342738300
ref: 45
WASHER
€ 1.50
46
1327193011
ref: 46
SPRING
€ 4.50
47
1368414A00
ref: 47
HOSE (3.5X6.5X200)
€ 6.50
48
1340014A00
ref: 48
PLANGER ASSY
€ 40.50
49
1327847090
ref: 49
O RING
€ 2.50
50
1368422A00
ref: 50
L:550-350
HOSE
€ 14.00
51
1327947070
ref: 51
2.0
SCREW,PILOT
€ 12.50
52
1326847070
ref: 52
SPRING
€ 5.50
53
1329129900
ref: 53
FROM 13277-44080
WASHER
€ 2.00
54
1329529900
ref: 54
O RING,PILOT AIR SCREW
€ 4.00
55
1324705010
ref: 55
PLUG
€ 6.50
56
1324905010
ref: 56
GASKET,DRAIN,PLUG (NAS)
€ 2.00
57
1368337420
ref: 57
HOSE
€ 6.50
up
all assemblies
* COLOR CHART *
* CATALOG PREFACE *
* CATALOG PREFACE *
* CONVERSION CHART *
CYLINDER HEAD
CYLINDER
CRANKCASE
CRANKCASE COVER
CRANKSHAFT
CRANK BALANCER
BALANCER CHAIN
CAM SHAFT-VALVE
CAM CHAIN
CARBURETOR
CARBURETOR (MODEL J E24 E.NO.139616~/MODEL K E24)
AIR CLEANER
MUFFLER (MODEL K)
OIL PUMP
OIL COOLER
CLUTCH
TRANSMISSION
GEAR SHIFTING
KICK STARTER
MAGNETO
BATTERY
ELECTRICAL
SPEEDOMETER (MODEL G)
SPEEDOMETER (MODEL H/J/K)
HEADLAMP
TURN SIGNAL LAMP
REAR COMBINATION LAMP
WIRING HARNESS
FRAME
STAND-REAR BRAKE
FOOTREST
FUEL TANK (MODEL J/K)
FUEL COCK
SEAT
FRAME COVER (MODEL G)
FRAME COVER (MODEL K)
FRONT FORK
STEERING STEM
FRONT FORK COVER (MODEL G)
FRONT FORK COVER (MODEL H/J/K)
FRONT FENDER (MODEL G)
FRONT FENDER (MODEL G E16,E18,E22,E24)
FRONT FENDER (MODEL H/J/K)
FRONT FENDER (MODEL H/J/K E15,E16,E17,E18,E22,E24)
FRONT WHEEL
HANDLEBAR-CABLE
RIGHT HANDLE SWITCH (MODEL G)
RIGHT HANDLE SWITCH (MODEL H/J/K)
RIGHT HANDLE SWITCH (MODEL H/J/K E18,MODEL K E24,E39)
LEFT HANDLE SWITCH (MODEL G)
LEFT HANDLE SWITCH (MODEL K)
FRONT CALIPERS
FRONT BRAKE HOSE
FRONT MASTER CYLINDER
REAR SWINGING ARM (MODEL K)
REAR SHOCK ABSORBER
REAR CUSHION LEVER
REAR FENDER
REAR WHEEL (MODEL K)
REAR CALIPER (MODEL K)
REAR MASTER CYLINDER (MODEL K)
METER VISOR
OPTIONAL
up