×
Buy Suzuki DR Parts Online
home
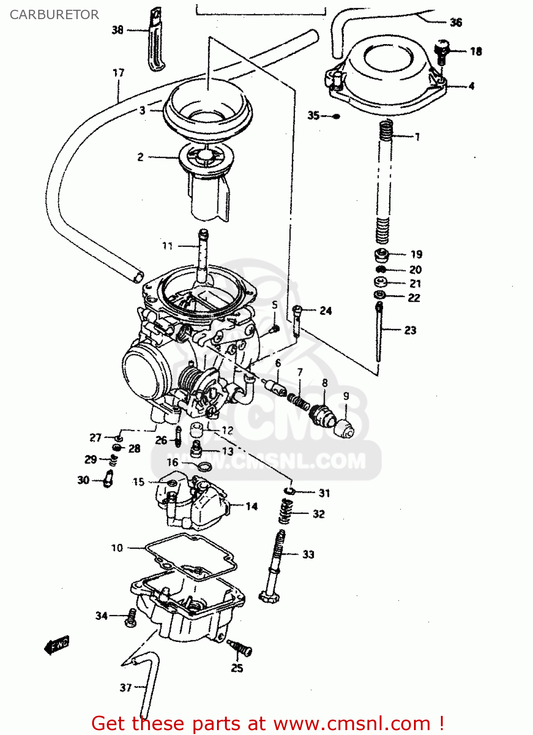
CARBURETOR
DR650REU 1994 (R) (E22)
Carburetor diagram DR650REU 1994 (R) (E22)
CARBURETOR DR650REU 1994 (R) (E22)
×
prices are in EUR
ref
part #
description
quantity
0
1320012EA0
ref: 0
CARBURETOR ASSY
€ 0.00
0
1320012EC0
ref: 0
DR650RER/RES E22, E2
CARBURETOR ASSY
€ 0.00
0
1320012ED0
ref: 0
DR650REUR E22
CARBURETOR ASSY
€ 0.00
1
1341717D00
ref: 1
SPRING
€ 6.00
2
1350112D00
ref: 2
VALVE,PISTON
€ 71.50
3
1350707D00
ref: 3
MODEL R
DIAPHRAGM
€ 27.00
3
1350707D01
ref: 3
MODEL S
DIAPHRAGM
€ 27.00
4
1350212D00
ref: 4
COVER,DIAPHRAGM
€ 38.50
4
1350241C10
ref: 4
DR650REUR/REUS E22
COVER,DIAPHRAGM
€ 32.00
5
0949328007
ref: 5
JET,AIR
€ 17.00
6
1341112D00
ref: 6
PLUNGER
€ 19.50
7
1341722010
ref: 7
SPRING
€ 3.50
8
1341843410
ref: 8
HOLDER,GUIDE
€ 7.00
9
1368104010
ref: 9
CAP
€ 4.00
10
1325844B00
ref: 10
GASKET,FLOAT CHAMBER (NAS)
€ 8.50
11
0949400754
ref: 11
JET,NEEDLE(Y-2)
€ 21.00
12
1333107D00
ref: 12
RING
€ 5.00
13
0949127009
ref: 13
JET,MAIN(135)
€ 11.50
13
0949127010
ref: 13
DR650RER/RES E22, E2
JET,MAIN(137.5)
€ 11.50
15
1327847090
ref: 15
O RING
€ 2.50
16
1337444080
ref: 16
O-RING,NEEDLE VALVE
€ 6.00
17
0935465113600
ref: 17
L:600->325
HOSE(6.5X11.5X600)
€ 28.50
18
0211275163
ref: 18
SCREW
€ 2.50
19
1333112D00
ref: 19
RING
€ 5.00
19
1333113D00
ref: 19
DR650REUR/REUS E22
RING
€ 4.00
20
1339431210
ref: 20
CLIP,NEEDLE
€ 4.00
21
1338707D00
ref: 21
RING
€ 5.00
22
1338246E00
ref: 22
DR650REUR/REUS E22
WASHER
€ 3.50
23
1338312E00
ref: 23
NEEDLE,JET
€ 16.50
23
1338312E30
ref: 23
DR650REUR/REUS E22
NEEDLE,JET(6F14)
€ 0.00
24
1323612C00
ref: 24
FILTER
€ 5.50
25
1324713A00
ref: 25
SCREW,DRAIN
€ 6.00
26
0949252010
ref: 26
JET,PILOT(52.5)
€ 13.50
26
0949247013
ref: 26
DR650RER/RES E22, E2
JET,PILOT(47.5)
€ 13.50
27
1329529900
ref: 27
O RING,PILOT AIR SCREW
€ 4.00
28
1329129900
ref: 28
WASHER
€ 2.00
29
1326847070
ref: 29
SPRING
€ 5.50
30
1327947070
ref: 30
SCREW,PILOT
€ 12.50
30
1327947070
ref: 30
DR650REUR/REUS E22
SCREW,PILOT
€ 12.50
31
1342738300
ref: 31
WASHER
€ 1.50
32
1327124D00
ref: 32
SPRING
€ 5.50
33
1326713D01
ref: 33
ADJUSTER
€ 15.50
34
1360105148
ref: 34
SCREW(5X14)
€ 3.50
35
1327802340
ref: 35
O RING
€ 2.00
36
0935445853600
ref: 36
L:600->250
HOSE (4.5X8.5X600)
€ 15.50
37
0935431684600
ref: 37
L:600->500
HOSE
€ 15.00
38
0940406402
ref: 38
MODEL R
CLAMP
€ 3.00
38
0940406429
ref: 38
MODEL S
CLAMP(L:45)
€ 3.00
up
all assemblies
* COLOR CHART *
* CATALOG PREFACE *
CYLINDER HEAD
CAM CHAIN
CARBURETOR
CARBURETOR (E18)
AIR CLEANER
MUFFLER
OIL PUMP
OIL COOLER
SECOND AIR (E18)
CLUTCH
TRANSMISSION
GEAR SHIFTING
CYLINDER
STARTING MOTOR
MAGNETO
BATTERY
ELECTRICAL
SPEEDOMETER - TACHOMETER
HEADLAMP (MODEL R)
HEADLAMP (MODEL S)
TURN SIGNAL LAMP (MODEL R)
TURN SIGNAL LAMP (MODEL S)
TAIL LAMP
WIRING HARNESS
FRAME
CRANKCASE
STAND - REAR BRAKE
FOOTREST
FUEL TANK (MODEL R)
FUEL TANK (MODEL S)
FUEL COCK
SEAT (MODEL R)
SEAT (MODEL S)
FRAME COVER
FRONT FORK
STEERING STEM
HEADLAMP HOUSING
FRONT FENDER
CRANKCASE COVER
FRONT WHEEL
HANDLEBAR
RIGHT HANDLE SWITCH
LEFT HANDLE SWITCH
FRONT CALIPER
FRONT BRAKE HOSE
FRONT MASTER CYLINDER
REAR SWINGING ARM
REAR CUSHION LEVER
REAR FENDER
CRANKSHAFT
REAR WHEEL
REAR CALIPER
REAR MASTER CYLINDER
LABEL
OPTIONAL
STARTER CLUTCH
CRANK BALANCER
BALANCER CHAIN
CAM SHAFT - VALVE
up