×
Buy Suzuki DR Parts Online
home
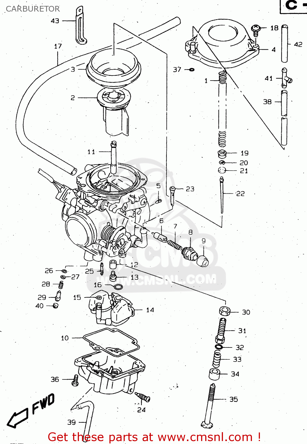
CARBURETOR
DR650SE 2000 (Y)
Carburetor diagram DR650SE 2000 (Y)
CARBURETOR DR650SE 2000 (Y)
×
prices are in EUR
ref
part #
description
quantity
0
1320032E00
ref: 0
CARBURETOR ASS
€ 562.00
0
1320032E20
ref: 0
E18
CARBURETOR ASSY
€ 0.00
0
1320032E30
ref: 0
DR650SET/SEV/SEW/SEX
CARBURETOR ASSY
€ 584.50
0
1320032E40
ref: 0
DR650SEUT/SEUV/SEUW/
CARBURETOR ASSY
€ 0.00
0
1320032E80
ref: 0
E37, P37
CARBURETOR ASSY
€ 0.00
1
1341717D00
ref: 1
SPRING
€ 6.00
2
1350132E00
ref: 2
VALVE,PISTON
€ 62.00
2
1350132E10
ref: 2
DR650SEUT/SEUV/SEUW/
VALVE,PISTON
€ 54.50
3
1350707D01
ref: 3
DIAPHRAGM
€ 27.00
4
1350241C00
ref: 4
COVER,DIAPHRAGM
€ 34.50
4
1350212D10
ref: 4
E18
COVER,DIAPHRAGM
€ 29.00
5
0949320007
ref: 5
JET,AIR(1.0)
€ 11.00
6
1341112D00
ref: 6
PLUNGER
€ 19.50
7
1341722010
ref: 7
SPRING
€ 3.50
8
1341843410
ref: 8
HOLDER,GUIDE
€ 7.00
9
1368104010
ref: 9
CAP
€ 4.00
10
1325844B00
ref: 10
GASKET,FLOAT CHAMBER (NAS)
€ 8.50
11
0949400884
ref: 11
<-09494-00882
JET,NEEDLE(Y-5M)
€ 36.50
12
1333107D00
ref: 12
RING
€ 5.00
13
0949128010
ref: 13
JET,MAIN(140)
€ 9.50
13
0949127010
ref: 13
E18
JET,MAIN(137.5)
€ 11.50
14
1325012E00
ref: 14
FLOAT/NEEDLE VALVE ASSEMBLY
€ 86.50
14
1325012EH0
ref: 14
E37, P37
FLOAT/NEEDLE VALVE ASSY
€ 86.50
15
1337446710
ref: 15
O RING
€ 4.50
16
1337444080
ref: 16
O-RING,NEEDLE VALVE
€ 6.00
17
1368332E00
ref: 17
HOSE(6.5X10.5X275)
€ 12.50
18
0211275163
ref: 18
SCREW
€ 2.50
19
1333112D00
ref: 19
RING
€ 5.00
20
1339431210
ref: 20
CLIP,NEEDLE
€ 4.00
21
1338707D00
ref: 21
RING
€ 5.00
22
1338332E00
ref: 22
NEEDLE,JET
€ 14.50
22
1338332E20
ref: 22
E18
NEEDLE,JET(6H21)
€ 10.00
23
1323612C00
ref: 23
FILTER
€ 5.50
24
1324713A00
ref: 24
SCREW,DRAIN
€ 6.00
25
0949242010
ref: 25
JET,PILOT(42.5)
€ 9.50
26
1329529900
ref: 26
O RING,PILOT AIR SCREW
€ 4.00
27
1329129900
ref: 27
WASHER
€ 2.00
28
1326847070
ref: 28
SPRING
€ 5.50
29
1327947070
ref: 29
SCREW,PILOT
€ 12.50
29
1327947070
ref: 29
DR650SET/SEV/SEW/SEX
SCREW,PILOT
€ 12.50
29
1327947070
ref: 29
DR650SEUT/SEUV/SEUW/
SCREW,PILOT
€ 12.50
30
1360737010
ref: 30
NUT
€ 2.50
31
1326731D00
ref: 31
ADJUSTER
€ 23.50
32
1361543010
ref: 32
WASHER,STARTER SHAFT
€ 2.50
33
1327133C00
ref: 33
SPRING
€ 4.50
34
1343295210
ref: 34
RING
€ 4.50
35
1326731D10
ref: 35
ADJUSTER
€ 13.00
36
1360105148
ref: 36
SCREW(5X14)
€ 3.50
37
1327802340
ref: 37
O RING
€ 2.00
38
0935545855600
ref: 38
L:600->250
HOSE(4.5X8.5X600)
€ 15.50
38
0935545855600
ref: 38
E18, L:600->225
HOSE(4.5X8.5X600)
€ 15.50
39
1368432E00
ref: 39
~F.NO.JS1SP46A000504
HOSE (3X5X425)
€ 9.00
39
1368432E10
ref: 39
F.NO.JS1SP46A0005042
HOSE(3X5X450)
€ 9.00
40
1328105A00
ref: 40
E18
PLUG
€ 4.50
41
0936706002
ref: 41
E18
JOINT,3 WAY
€ 3.50
42
0935545855600
ref: 42
E18, L:600->70
HOSE(4.5X8.5X600)
€ 15.50
43
0940406432
ref: 43
CLAMP(L:65)
€ 3.00
up
all assemblies
* COLOR CHART *
* COLOR CHART *
* CATALOG PREFACE *
CYLINDER HEAD
CARBURETOR
AIR CLEANER
MUFFLER
OIL PUMP
OIL COOLER
OIL PIPE
2ND AIR (E18)
CLUTCH
TRANSMISSION
GEAR SHIFTING
STARTING MOTOR
CYLINDER
MAGNETO
BATTERY
ELECTRICAL
SPEEDOMETER
HEADLAMP
TURN SIGNAL LAMP
TAIL LAMP
WIRING HARNESS
HANDLE SWITCH
FRAME (MODEL T/V/W)
FRAME (MODEL X)
STAND - REAR BRAKE
CRANKCASE
FOOTREST
GRIP - CARRIER (MODEL T)
GRIP - CARRIER (MODEL V/W)
GRIP - CARRIER (MODEL X)
FUEL TANK (MODEL T/V)
FUEL TANK (MODEL W/X)
FUEL COCK
FRAME COVER (MODEL T/V)
FRAME COVER (MODEL W/X)
HEADLAMP HOUSING
HANDLEBAR
RIGHT HANDLE LEVER
LEFT HANDLE LEVER
REAR FENDER
CRANKCASE COVER
LABEL (MODEL T/V)
LABEL (MODEL W/X)
SEAT
FRONT DAMPER
STEERING STEM
FRONT WHEEL
FRONT CALIPER
FRONT MASTER CYLINDER
REAR SWINGING ARM
REAR CUSHION LEVER
REAR WHEEL
CRANKSHAFT
REAR CALIPER
REAR MASTER CYLINDER
OPTIONAL
STARTER CLUTCH
CRANK BALANCER
CAM SHAFT - VALVE
CAM CHAIN
up