×
Buy Suzuki DR Parts Online
home
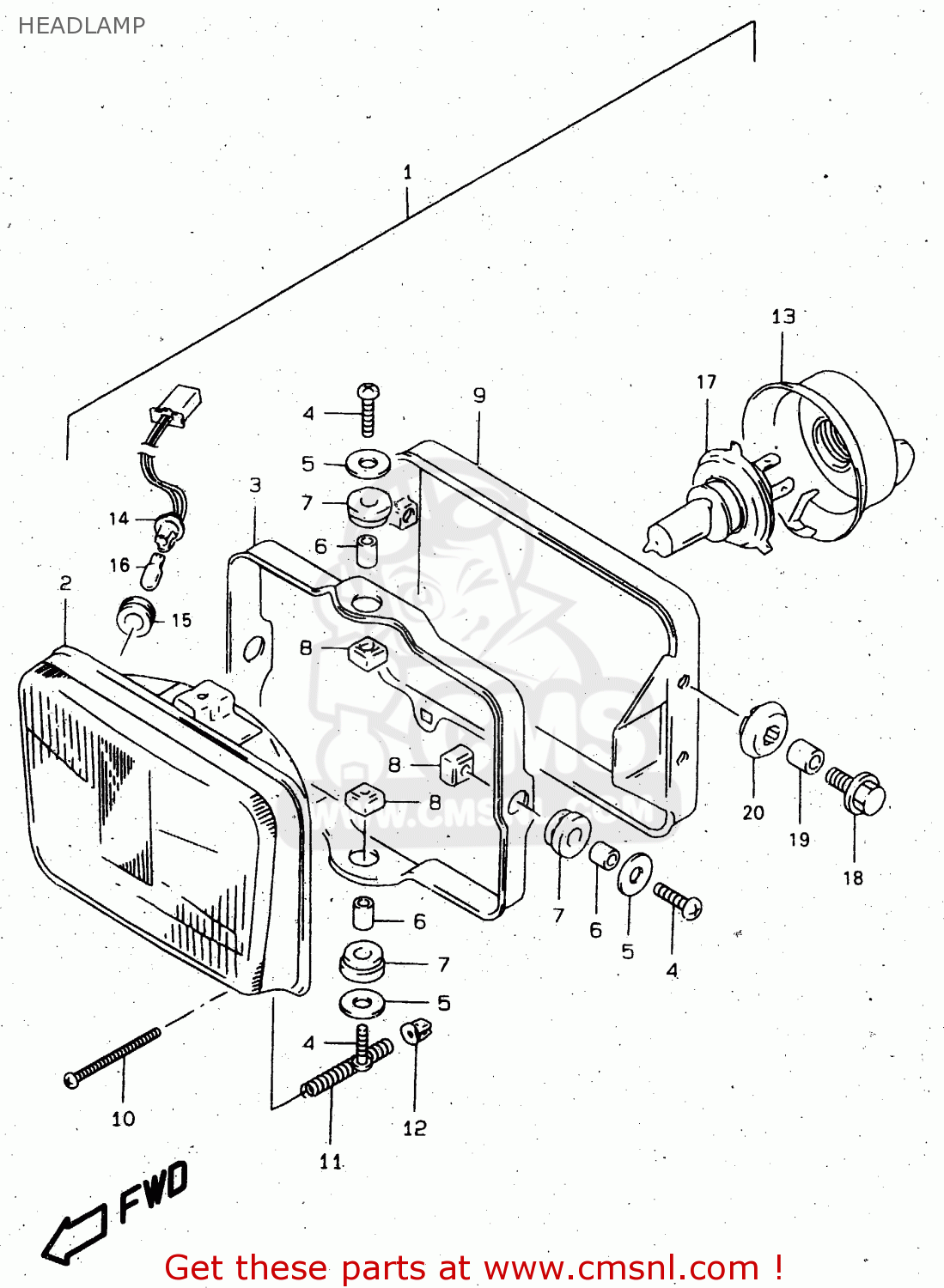
HEADLAMP
DR650SE 2000 (Y)
Headlamp diagram DR650SE 2000 (Y)
HEADLAMP DR650SE 2000 (Y)
×
prices are in EUR
ref
part #
description
quantity
1
3510012E20999
ref: 1
HEADLAMP ASSY
€ 346.00
1
3510012E30999
ref: 1
E24
HEADLAMP ASSEMBLY
€ 0.00
1
3510012E40999
ref: 1
E4, E17, E18, E22, E
HEADLAMP ASSY
€ 323.50
2
3512112E20
ref: 2
UNIT ASSY
€ 0.00
2
3512112E30
ref: 2
E24
UNIT ASSY
€ 145.00
2
3512112E40
ref: 2
E4, E17, E18, E22, E
UNIT ASSY
€ 232.00
3
3513012E20
ref: 3
RING,MOUNTING
€ 37.50
4
0211205163
ref: 4
SCREW
€ 2.50
5
0916005045
ref: 5
<-09160-05003
WASHER(5.5X18X1)
€ 2.00
6
3513345230
ref: 6
SPACER
€ 2.50
7
3513945230
ref: 7
CUSHION
€ 1.50
8
3513545900
ref: 8
NUT
€ 2.50
9
3514112E20
ref: 9
HOUSING
€ 58.00
10
0912504501
ref: 10
SCREW(4X45)
€ 3.50
11
3515412E20
ref: 11
SPRING,ADJUSTING
€ 2.00
12
3513512E20
ref: 12
NUT,ADJUSTING
€ 3.00
13
3517301440
ref: 13
COVER,SOCKET
€ 11.00
14
3611812E20
ref: 14
CORD,POSITION
€ 26.00
15
3611622630
ref: 15
JOINT,RUBBER
€ 5.50
16
0947112063
ref: 16
BULB(12V4W)
€ 5.00
17
0947112060
ref: 17
BULB(12V60/55W,H4)
€ 8.00
18
0911606167
ref: 18
BOLT(6X20)
€ 2.50
19
0918006310
ref: 19
<-09180-06030
SPACER(6.5X10X10)
€ 2.50
20
0932009018
ref: 20
CUSHION
€ 2.00
up
all assemblies
* COLOR CHART *
* COLOR CHART *
* CATALOG PREFACE *
CYLINDER HEAD
CARBURETOR
AIR CLEANER
MUFFLER
OIL PUMP
OIL COOLER
OIL PIPE
2ND AIR (E18)
CLUTCH
TRANSMISSION
GEAR SHIFTING
STARTING MOTOR
CYLINDER
MAGNETO
BATTERY
ELECTRICAL
SPEEDOMETER
HEADLAMP
TURN SIGNAL LAMP
TAIL LAMP
WIRING HARNESS
HANDLE SWITCH
FRAME (MODEL T/V/W)
FRAME (MODEL X)
STAND - REAR BRAKE
CRANKCASE
FOOTREST
GRIP - CARRIER (MODEL T)
GRIP - CARRIER (MODEL V/W)
GRIP - CARRIER (MODEL X)
FUEL TANK (MODEL T/V)
FUEL TANK (MODEL W/X)
FUEL COCK
FRAME COVER (MODEL T/V)
FRAME COVER (MODEL W/X)
HEADLAMP HOUSING
HANDLEBAR
RIGHT HANDLE LEVER
LEFT HANDLE LEVER
REAR FENDER
CRANKCASE COVER
LABEL (MODEL T/V)
LABEL (MODEL W/X)
SEAT
FRONT DAMPER
STEERING STEM
FRONT WHEEL
FRONT CALIPER
FRONT MASTER CYLINDER
REAR SWINGING ARM
REAR CUSHION LEVER
REAR WHEEL
CRANKSHAFT
REAR CALIPER
REAR MASTER CYLINDER
OPTIONAL
STARTER CLUTCH
CRANK BALANCER
CAM SHAFT - VALVE
CAM CHAIN
up