×
Buy Suzuki GN Parts Online
home
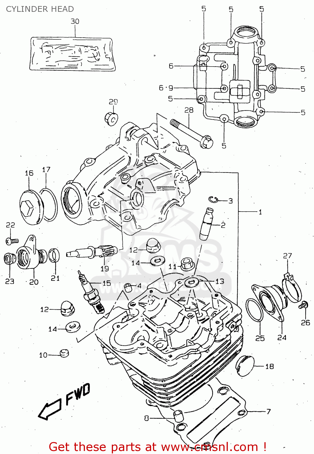
CYLINDER HEAD
GN125E 1999 (X) SINGAPORE (E30)
Cylinder head diagram GN125E 1999 (X) SINGAPORE (E30)
CYLINDER HEAD GN125E 1999 (X) SINGAPORE (E30)
×
prices are in EUR
ref
part #
description
quantity
1
1110005263
ref: 1
HEAD ASSY,CYLINDER
€ 761.00
2
1111505270
ref: 2
GUIDE,VALVE
€ 20.00
3
0938110004
ref: 3
RING,SNAP
€ 1.50
4
0920608001
ref: 4
PIN(6.2X8X11)
€ 2.00
5
0155006357
ref: 5
BOLT
€ 3.00
6
0155006607
ref: 6
BOLT
€ 3.00
7
1114105201
ref: 7
GASKET,CYLINDER HEAD (NAS)
€ 8.00
8
0421111169
ref: 8
PIN
€ 2.00
9
0916806023
ref: 9
GASKET(5.8X13X1.2) (NAS)
€ 2.00
10
1115145000
ref: 10
PAD,CYLINDER HEAD
€ 3.50
11
0831610083
ref: 11
NUT
€ 3.00
12
0915908049
ref: 12
NUT
€ 7.50
13
0916008053
ref: 13
<-09160-08039
WASHER (8.5X19X2.3)
€ 2.50
14
0916808021
ref: 14
GASKET(8.5X17X2.3) (NAS)
€ 3.00
15
0948200144
ref: 15
MODEL V E30
SPARK PLUG D8EA
€ 3.50
15
0948200145
ref: 15
MODEL V E30
SPARK PLUG X24ES-U
€ 3.50
15
0948200399
ref: 15
E2,E4,E18,E21,E22,E7
PLUG,SPARK(DR8EA)
€ 3.50
15
0948200223
ref: 15
E2,E4,E18,E21,E22,E7
PLUG,SPARK(X24ESR-U)
€ 3.50
15
0948200144
ref: 15
GN125V E1
SPARK PLUG D8EA
€ 3.50
15
0948200145
ref: 15
GN125V E1
SPARK PLUG X24ES-U
€ 3.50
15
0948200399
ref: 15
GN125EV E1
PLUG,SPARK(DR8EA)
€ 3.50
15
0948200223
ref: 15
GN125EV E1
PLUG,SPARK(X24ESR-U)
€ 3.50
16
1117537111
ref: 16
MODEL V
CAP,INSPECTION HOLE
€ 15.50
16
1117518900
ref: 16
MODEL W/X
CAP,INSPECTION
€ 15.50
17
0928030001
ref: 17
O RING(D:3,ID:29.5)
€ 2.00
18
0924122002
ref: 18
PLUG(OD:22.5)
€ 6.00
19
2643105201
ref: 19
GEAR,TACHOMETER DRIVEN
€ 21.50
20
2644149000
ref: 20
SLEEVE,TACHOMETER DRIVE GEAR
€ 19.50
21
2645145000A
ref: 21
SEAL,TACHOMETER DRIVEN
€ 4.50
22
0912805101
ref: 22
SCREW(5X12)
€ 1.50
23
0928905002
ref: 23
SEAL,OIL(5X12X8)
€ 11.00
24
1311005300
ref: 24
PIPE,INTAKE
€ 37.00
24
1311005370
ref: 24
GN125UV/UW/UX E22
PIPE,INTAKE
€ 21.00
25
0928032006
ref: 25
O RING(D:2.4,ID:31.7)
€ 2.50
25
0928032006
ref: 25
GN125UVE22, ~F.NO.24
O RING(D:2.4,ID:31.7)
€ 2.50
26
0211236163
ref: 26
SCREW
€ 2.50
26
0913906014
ref: 26
GN125UV/UW/UX E22
SCREW(6X16)
€ 3.00
27
0940244208
ref: 27
CLAMP
€ 6.50
28
0910308081
ref: 28
BOLT(8X50)
€ 4.00
29
0831931087
ref: 29
NUT
€ 3.00
30
1140105862
ref: 30
~F.NO.239071
GASKET SET (NAS)
€ 86.50
30
1140105863
ref: 30
F.NO.239072~
GASKET SET (NAS)
€ 86.50
up
all assemblies
* COLOR CHART *
* CATALOG PREFACE *
* CONVERSION CHART *
CYLINDER HEAD
AIR CLEANER
MUFFLER
OIL PUMP
CLUTCH
TRANSMISSION
GEAR SHIFTING
STARTING MOTOR
MAGNETO
BATTERY
ELECTRICAL
CYLINDER
SPEEDOMETER - TACHOMETER (GN125V/W/X)
SPEEDOMETER - TACHOMETER (GN125EV/EW/EX)
HEADLAMP (E2,E71,P9)
HEADLAMP (E4,E18,E21,E22)
HEADLAMP (GN125E E1,E30)
TURN SIGNAL LAMP (E1,E2,E4,E18,E21,E22,E71,P9)
TURN SIGNAL LAMP (GN125E E1,E30)
REAR COMBINATION LAMP (E1,E71,P9)
REAR COMBINATION LAMP (E2,E4,E21)
REAR COMBINATION LAMP (E18,E22)
REAR COMBINATION (GN125E E1,E30)
WIRING HARNESS (GN125V/W/X)
WIRING HARNESS (GN125EV/EW/EX)
HANDLE SWITCH
FRAME
STAND
FOOTREST
CARRIER
CRANKCASE
FUEL TANK (MODEL V/W)
FUEL TANK (MODEL X)
FUEL COCK
FRAME COVER (MODEL V/W)
FRAME COVER (MODEL X)
FRONT FENDER - HEADLAMP HOUSING
HANDLEBAR - FRONT CABLE
HANDLE LEVER
REAR FENDER
SEAT
FRONT DAMPER
STEERING STEM
CRANKCASE COVER
FRONT WHEEL (GN125V/W/X)
FRONT WHEEL (GN125EV/EW/EX)
FRONT CALIPER
FRONT MASTER CYLINDER
REAR SWINGING ARM
REAR SHOCK ABSOBER
REAR WHEEL (GN125V/W/X)
REAR WHEEL (GN125EV/EW/EX)
OPTIONAL
CRANKSHAFT
STARTER CLUTCH
CAM SHAFT - VALVE
CAM CHAIN
CARBURETOR
up