Buy Suzuki GN Parts Online

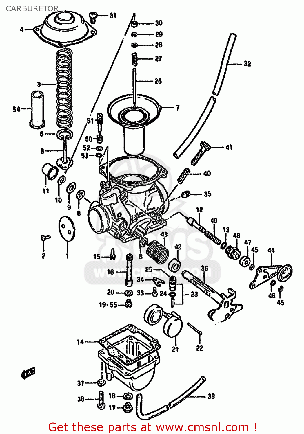
CARBURETOR

GN250 1991 (M) (E02 E04 E22 E24 E25 E34 E39 E53)

Carburetor diagram GN250 1991 (M) (E02 E04 E22 E24 E25 E34 E39 E53)

CARBURETOR GN250 1991 (M) (E02 E04 E22 E24 E25 E34 E39 E53)
CARBURETOR GN250 1991 (M) (E02 E04 E22 E24 E25 E34 E39 E53)
CARBURETOR GN250 1991 (M) (E02 E04 E22 E24 E25 E34 E39 E53)
prices are in EUR
ref
part #
description
quantity
0
1320038310
ref: 0
CARBURETOR ASSY
€ 375.00

0
1320038330
ref: 0

MODEL J/K E24
CARBURETOR ASSY
€ 0.00

0
1320038350
ref: 0

E53,MODEL L E24 MODE
CARBURETOR ASSY
1320038350
€ 425.00

0
1320038380
ref: 0

E39
CARBURETOR ASSY
€ 0.00

1
1355138310
ref: 1
THROTTLE VALVE (100)
€ 0.00

2
1360444080
ref: 2
SCREW
1360444080
€ 4.00

3
1350337100
ref: 3
SPRING
1350337100
€ 10.00

4
1350238300
ref: 4
COVER
€ 22.00

5
1338944030
ref: 5
HOLDER,GUIDE
1338944030
€ 10.50

6
1358144030
ref: 6
E RING
1358144030
€ 6.50

7-1
1350038310
ref: 7-1
DIAPHRAGM ASSY
1350038310
€ 168.00

7-2
1350038350
ref: 7-2

E53,MODEL L E24 MODE
DIAPHRAGM ASSY
1350038350
€ 184.50

8
1365151010
ref: 8
SEAL
1365151010
€ 4.50

9
1355747070
ref: 9
GASKET,THROTTLE SHAFT (NAS)
1355747070
€ 5.00

10
1361744080
ref: 10
E RING
1361744080
€ 4.00

11
1357847070
ref: 11
CAP
1357847070
€ 4.50

12
1341138300
ref: 12
PLUNGER ASSY
€ 13.50

13
1327847090
ref: 13
O RING
1327847090
€ 2.50

14-1
1325137100
ref: 14-1
GASKET,FLOAT CHAMBER (NAS)
1325137100
€ 9.50

14-2
1325138300
ref: 14-2

E39
GASKET,FLOAT CAHMBER (NAS)
1325138300
€ 9.50

15-1
0949242010
ref: 15-1
JET,PILOT(42.5)
0949242010
€ 9.50

15-2
0949235010
ref: 15-2

E39
JET,PILOT(37.5)
0949235010
€ 11.50

16-1
0949400363
ref: 16-1
JET, NEEDLE (P-1)
0949400363
€ 36.50

16-2
0949400756
ref: 16-2

E39
JET,NEEDLE(P-1)
0949400756
€ 36.50

17
1324744080
ref: 17
PLUG,DRAIN
1324744080
€ 9.50

18
1324644080
ref: 18
GASKET (NAS)
1324644080
€ 4.00

19
0949126011
ref: 19
JET,MAIN(130)
0949126011
€ 13.00

20
1333244080
ref: 20
WASHER,NEEDLE NOZZLE
€ 3.00

21
1325037100
ref: 21
FLOAT
1325037100
€ 37.00

22
1325492311
ref: 22
PIN,FLOAT
1325492311
€ 2.00

23-1
1337037400
ref: 23-1
VALVE ASSEMBLY,NEEDLE
1337037400
€ 72.00

23-2
1337037100
ref: 23-2

E39
VALVE ASSEMBLY,NEEDLE
1337037100
€ 68.50

24
1337444080
ref: 24
O-RING,NEEDLE VALVE
1337444080
€ 6.00

25
1337684110
ref: 25
FILTER
€ 7.00

26-1
1338338310
ref: 26-1
NEEDLE,JET
1338338310
€ 11.00

26-2
1338311910
ref: 26-2

E53,MODEL L E24 MODE
NEEDLE,JET
1338311910
€ 15.00

26-3
1338338370
ref: 26-3

E39
NEEDLE, JET (5DF90-3)
€ 13.00

27
1338844030
ref: 27
SPRING
1338844030
€ 6.50

28
1338244030
ref: 28
WASHER
1338244030
€ 4.00

29
1339410010
ref: 29
CLIP
1339410010
€ 5.00

30
1338747010
ref: 30
RING
1338747010
€ 8.00

31
0211205106
ref: 31
SCREW 5X10
€ 2.50

32-1
1368422A00
ref: 32-1
HOSE
€ 14.00

32-2
1368405300
ref: 32-2

E39
HOSE (5X8X300)
€ 14.00

33
0211204066
ref: 33
SCREW
€ 2.00

34
1337339110
ref: 34
PLATE
1337339110
€ 7.00

35
0949330003
ref: 35
JET,AIR(150)
0949330003
€ 13.00

36
1355038300
ref: 36
SHAFT ASSEMBLY,THROTTLE
€ 0.00

37
0832121056
ref: 37
LOCK WASHER
0832121056
€ 3.00

38
0211205166
ref: 38
SCREW
€ 2.50

39
1368337420
ref: 39

L:500 MODEL F/J/K/L/
HOSE
€ 6.50

40
1327144220
ref: 40
SPRING,THROTTLE ADJUST
€ 4.00

41
1326737100
ref: 41
SCREW,THROTTLE STOP
€ 10.00

42
1357445110
ref: 42
RING
€ 3.50

43
1357338300
ref: 43
SPRING,THROTTLE SHAFT
€ 0.00

44
1341338300
ref: 44
STARTER LEVER ASSY
1341338300
€ 40.00

45
1341538300
ref: 45
E RING
1341538300
€ 2.00

46
1342738300
ref: 46
WASHER
1342738300
€ 1.50

47
1368231210
ref: 47
CAP,STARTER VALVE
1368231210
€ 5.50

48
1341844080
ref: 48
GUIDE SCREW,PLUNGER
1341844080
€ 9.00

49
1341747070
ref: 49
SPRING
1341747070
€ 4.00

50-1
1326847070
ref: 50-1
SPRING
1326847070
€ 5.50

50-2
1326837420
ref: 50-2

E39
SPRING,THROTTLE SCREW
1326837420
€ 4.00

51
1327947080
ref: 51
SCREW,PILOT AIR
1327947080
€ 12.50

52
1329129900
ref: 52
WASHER
1329129900
€ 2.00

53
1329529900
ref: 53
O RING,PILOT AIR SCREW
1329529900
€ 4.00

54
1348538330
ref: 54

MODEL J/K E24
RING
€ 0.00

55
0949125011
ref: 55

P95 OPT,HIGH ALTITUD
JET,MAIN(127.5)
0949125011
€ 11.00