×
Buy Suzuki GN Parts Online
home
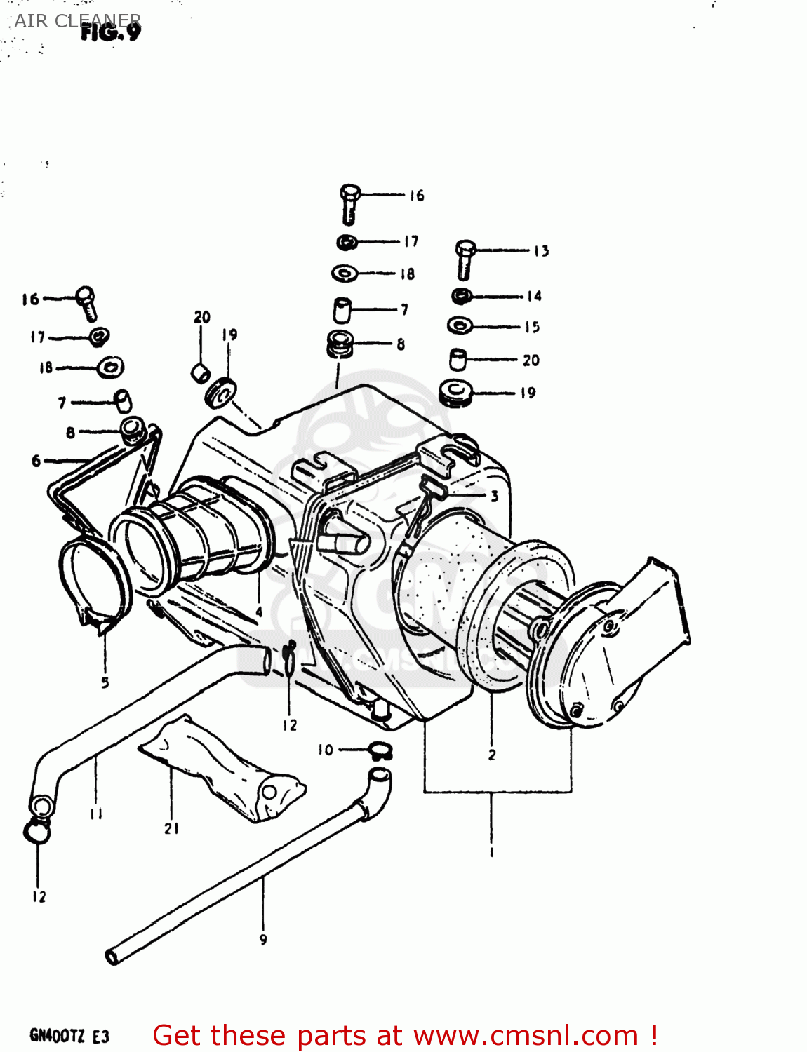
AIR CLEANER
GN400T 1982 (Z) USA (E03)
Air cleaner diagram GN400T 1982 (Z) USA (E03)
AIR CLEANER GN400T 1982 (Z) USA (E03)
×
prices are in EUR
ref
part #
description
quantity
1
1370037300
ref: 1
CLEANER ASSEMBLY,AIR
€ 75.50
2
1378037210
ref: 2
FILTER ASSY
€ 58.50
3
1382337200
ref: 3
SNAP PIN,AIR CLEANER
€ 0.00
4
1388137300
ref: 4
TUBE,AIR CLEANER OUTLET
€ 10.50
5
0940262306
ref: 5
09402-62208
CLAMP
€ 6.50
6
1374537300
ref: 6
CAP,TOOL BOX
€ 5.50
7
0918006030
ref: 7
09180-06310
SPACER (6.8X10X10)
€ 2.50
8
0932010008
ref: 8
CUSHION
€ 2.50
9
1387000080
ref: 9
DRAIN TUBE
€ 16.50
10
0940114301
ref: 10
CLIP
€ 2.00
11
1385237200
ref: 11
TUBE,BREATHER
€ 0.00
12
1382837300
ref: 12
09401-16401
CLIP
€ 3.50
13
0110706208
ref: 13
01500-06207
BOLT
€ 2.50
14
0832121068
ref: 14
08321-01067
LOCK WASHER
€ 2.50
15
0916006007
ref: 15
09160-06084
WASHER
€ 2.00
16
0110706208
ref: 16
01500-06207
BOLT
€ 2.50
17
0832121068
ref: 17
08321-01067
LOCK WASHER
€ 2.50
18
0916006007
ref: 18
09160-06084
WASHER
€ 2.00
19
0932010014
ref: 19
CUSHION
€ 4.50
20
0918006082
ref: 20
SPACER(6.5X10.5X6.5)
€ 3.00
21
0980001800
ref: 21
09800-21021
TOOL SET
€ 33.00
up
all assemblies
AIR CLEANER
CAM CHAIN
CAM SHAFT - VALVE
CARBURETOR
CHAIN CASE - SHOCK ABSORBER
CLUTCH
CRANKCASE
CRANKCASE COVER
CRANKSHAFT
CYLINDER
CYLINDER HEAD
ELECTRICAL
FOOTREST
FRAME
FRAME COVER
FRONT BRAKE HOSE
FRONT CARIPERS
FRONT FORK
FRONT WHEEL
FUEL COCK
FUEL TANK
GEAR SHIFTING
HANDLEBAR
HEADLAMP
HEADLAMP HOUSING - FRONT FENDER
KICK STARTER
LEFT HANDLE SWITCH
MAGNETO
MASTER CYLINDER
MUFFLER
OIL PUMP
REAR COMBINATION LAMP
REAR FENDER
REAR SWINGING ARM
REAR WHEEL
RIGHT HANDLE SWITCH
SEAT
SPEEDOMETER - TACHOMETER
STAND
STEERING STEM
TRANSMISSION
TURN SIGNAL LAMP
WIRING HARNESS
up