×
Buy Suzuki GS Parts Online
home
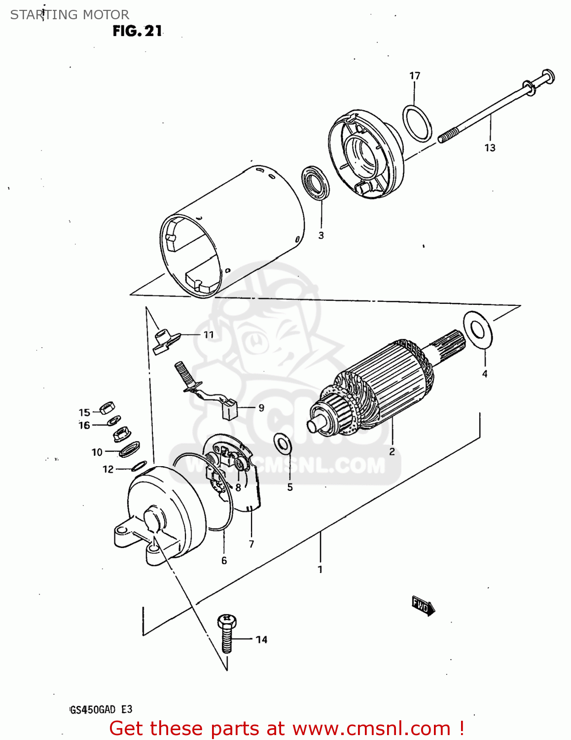
STARTING MOTOR
GS450GA 1983 (D) USA (E03)
Starting motor diagram GS450GA 1983 (D) USA (E03)
STARTING MOTOR GS450GA 1983 (D) USA (E03)
×
prices are in EUR
ref
part #
description
quantity
1
3110044110
ref: 1
31100-30B00-H17
MOTOR ASSEMBLY,STARTING
€ 731.50
2
3131144110
ref: 2
31311-49211-H17
ARMATURE
€ 255.00
3
3115345010
ref: 3
31153-43400
SEAL,OIL
€ 21.50
4
3136110200
ref: 4
RING,SNAP
€ 3.00
5
3136147010
ref: 5
31170-43400
SHIM,ARMATURE
€ 4.00
6
3126444110
ref: 6
O RING
€ 8.50
7
3113244110
ref: 7
31132-27A01
HOLDER,BRUSH
€ 51.00
8
3113565010
ref: 8
SPRING
€ 3.50
9
3113044110
ref: 9
31130-38300
BRUSH (+)
€ 14.00
10
3117244110
ref: 10
BUSHING (1)
€ 6.00
11
3117144110
ref: 11
BUSH,NO.2
€ 8.00
12
3114344110
ref: 12
O-RING
€ 3.00
13
3128144110
ref: 13
31281-87402
BOLT,STARTING MOTOR HOUSING
€ 13.00
14
0912806024
ref: 14
09103-06212
SCREW (6X25)
€ 3.00
15
0831022068
ref: 15
08310-00067
NUT 6MM
€ 2.50
16
0832121068
ref: 16
08321-01067
LOCK WASHER
€ 2.50
17
0928024001
ref: 17
O RING(D:2,ID:24.5)
€ 2.00
up
all assemblies
AIR CLEANER
BATTERY
CAM CHAIN
CAM SHAFT - VALVE
CARBURETOR
CRANKCASE
CRANKCASE COVER
CRANKSHAFT
CRANKSHAFT BALANCER
CYLINDER
CYLINDER HEAD
CYLINDER HEAD COVER
ELECTRICAL
FILTER - OIL PUMP
FOOTREST
FRAME
FRAME COVER (MODEL D)
FRAME COVER (MODEL Z)
FRONT BRAKE HOSE
FRONT CALIPERS
FRONT FORK
FRONT WHEEL
FUEL COCK (MODEL D)
FUEL COCK (MODEL Z)
FUEL TANK (MODEL D)
FUEL TANK (MODEL Z)
GEAR SHIFTING
GENERATOR
HANDLEBAR
HEADLAMP
HEADLAMP HOUSING - FRONT FENDER
LEFT HANDLE SWITCH
MASTER CYLINDER
MUFFLER
OIL COOLER
PROPELLER SHAFT - FINAL DRIVE GEAR
REAR COMBINATION
REAR FENDER
REAR SWINGING ARM
REAR WHEEL
RIGHT HANDLE SWITCH
SEAT (MODEL D)
SEAT (MODEL Z)
SECONDARY DRIVE GEAR
SIGNAL GENERATOR
SPEEDOMETER (MODEL D)
SPEEDOMETER (MODEL Z)
STAND - REAR BRAKE
STARTER CLUTCH
STARTING MOTOR
STEERING STEM
TORQUE CONVERTER
TRANSMISSION
TURN SIGNAL LAMP
WIRING HARNESS
up