×
Buy Suzuki GS Parts Online
home
FRAME
GS450L 1981 (X) USA (E03)
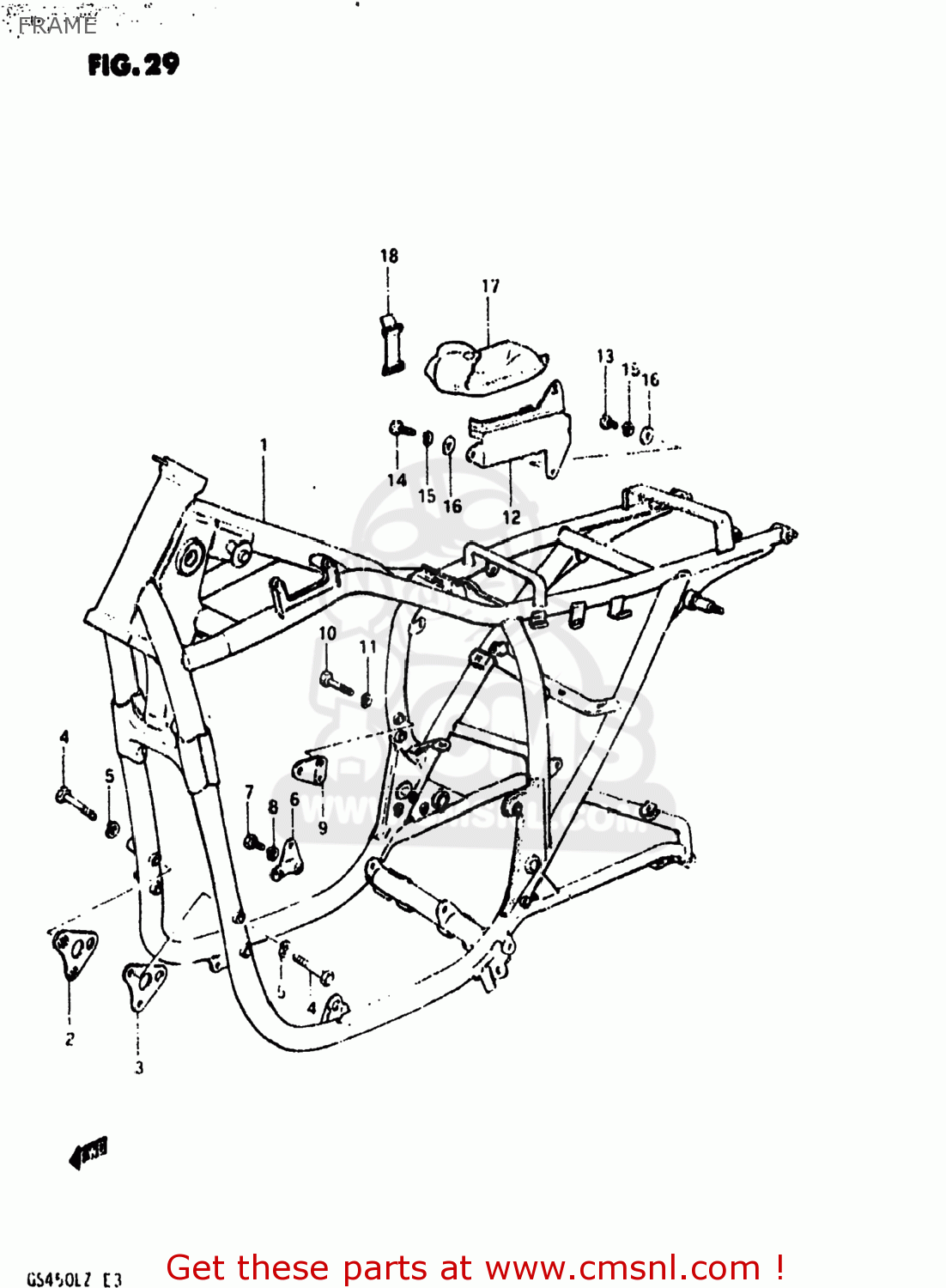
Frame diagram GS450L 1981 (X) USA (E03)
FRAME GS450L 1981 (X) USA (E03)
×
prices are in EUR
ref
part #
description
quantity
1
4110044210019
ref: 1
41100-44250-019
FRAME
€ 411.50
2
4193044000019
ref: 2
PLATE,ENGINE MOUNTING
€ 8.00
3
4194044000019
ref: 3
PLATE,ENGINE MOUNTING
€ 8.00
4
0110708608
ref: 4
01500-0860B
BOLT
€ 2.50
5
0832121088
ref: 5
08321-01087
LOCK WASHER
€ 2.50
6
4192044100019
ref: 6
PLATE,ENGINE MOUNTING
€ 0.00
7
0110708168
ref: 7
01500-0816B
BOLT
€ 2.00
8
0832121088
ref: 8
08321-01087
LOCK WASHER
€ 2.50
9
4191044000019
ref: 9
PLATE,ENGINE MOUNTING
€ 0.00
10
0110708458
ref: 10
01500-08453
BOLT 8X45
€ 3.00
11
0832121088
ref: 11
08321-01087
LOCK WASHER
€ 2.50
12
4155144100
ref: 12
HOLDER,TOOL
€ 28.50
13
0211206128
ref: 13
02112-06127
SCREW 6X12
€ 2.50
14
0211206208
ref: 14
02112-06207
SCREW
€ 2.00
15
0832121068
ref: 15
08321-01067
LOCK WASHER
€ 2.50
16
0832221068
ref: 16
08322-01067
WASHER
€ 2.50
17-1
0980000193
ref: 17-1
09800-06801
TOOL SET
€ 52.00
17-2
0980000811
ref: 17-2
09800-06801
TOOL ASSY
€ 52.00
17-3
0980006800
ref: 17-3
09800-06801
TOOL SET
€ 52.00
18
0946200072
ref: 18
BAND
€ 8.50
up
all assemblies
AIR CLEANER
BATTERY
CAM CHAIN
CAM SHAFT - VALVE
CARBURETOR
CLUTCH
CRANKCASE
CRANKCASE COVER
CRANKSHAFT
CRANKSHAFT BALANCER
CYLINDER
CYLINDER HEAD
CYLINDER HEAD COVER (MODEL T
CYLINDER HEAD COVER (MODEL Z)
ELECTRICAL
FOOTREST
FRAME
FRAME COVER (MODEL T)
FRAME COVER (MODEL X)
FRAME COVER (MODEL Z)
FRONT BRAKE HOSE
FRONT CARIPERS
FRONT FORK (MODEL T
FRONT FORK (MODEL Z)
FRONT WHEEL (MODEL T
FRONT WHEEL (MODEL Z)
FUEL COCK
FUEL TANK (MODEL T)
FUEL TANK (MODEL X)
FUEL TANK (MODEL Z)
GEAR SHIFTING
GENERATOR
HANDLEBAR
HEADLAMP
HOUSING HEADLAMP - FRONT FENDER
LEFT HANDLE SWITCH (MODEL T
LEFT HANDLE SWITCH (MODEL Z)
MASTER CYLINDER (MODEL T
MASTER CYLINDER (MODEL Z)
MUFFLER
OIL FILTER - OIL PUMP
REAR COMBINATION
REAR FENDER
REAR SWINGING ARM
REAR WHEEL (MODEL T
REAR WHEEL (MODEL Z)
RIGHT HANDLE SWITCH (MODEL T
RIGHT HANDLE SWITCH (MODEL Z)
SEAT
SIGNAL GENERATOR
SPEEDOMETER - TACHOMETER
STAND - REAR BRAKE
STARTER CLUTCH
STARTING MOTOR
STEERING STEM (MODEL T
STEERING STEM (MODEL Z)
TRANSMISSION
TURN SIGNAL LAMP
WIRING HARNESS
up