×
Buy Suzuki GS Parts Online
home
ELECTRICAL
GS500E 1993 (P) USA (E03)
Electrical diagram GS500E 1993 (P) USA (E03)
ELECTRICAL GS500E 1993 (P) USA (E03)
×
prices are in EUR
ref
part #
description
quantity
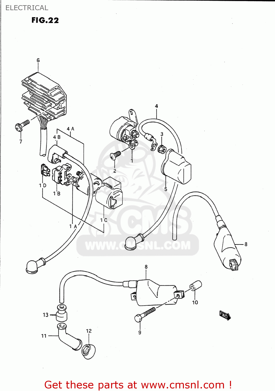
1
3180049100
ref: 1
RELAY ASSY,STARTING MOTOR
€ 97.00
1A
3180001D00
ref: 1A
RELAY ASSY,STARTING MOTOR
€ 116.50
1B
3184101D00
ref: 1B
TERMINAL,RELAY
€ 25.00
1C
3189207D00
ref: 1C
BRACKET,STARTING MOTOR RELAY
€ 13.50
1D
0948120101
ref: 1D
FUSE(20A)
€ 2.00
2
0211206106
ref: 2
02112-0610B
SCREW
€ 1.50
3
0836135066
ref: 3
08361-3506A
NUT
€ 2.00
4
3385001D00
ref: 4
33850-04A00
WIRE,STARTER MOTOR LEAD
€ 34.50
4A
3385001D10
ref: 4A
WIRE,STARTER MOTOR LEAD
€ 25.00
4B
3362401D10
ref: 4B
CAP,STARTER RELAY TERMINAL
€ 9.50
5
3186144500
ref: 5
31861-46D00
CAP,STARTER RELAY
€ 6.50
6-1
3280030B01
ref: 6-1
32800-33C01
RECTIFIER ASSY
€ 390.00
6-2
3280033C00
ref: 6-2
32800-33C01
RECTIFIER ASSEMBLY
€ 390.00
7-1
0215206206
ref: 7-1
SCREW
€ 2.50
7-2
0214206203
ref: 7-2
02142-0620A
SCREW
€ 2.00
8
3341001D00
ref: 8
COIL ASSY,IGNITION
€ 154.00
9
0150006403
ref: 9
01500-0640B
BOLT
€ 2.00
10
0918006204
ref: 10
SPACER(6.2X12X18)
€ 6.50
11-1
3351038B00
ref: 11-1
CAP,SPARK PLUG
€ 23.50
11-2
3351097313
ref: 11-2
CAP,SPARK PLUG
€ 19.50
11-3
3351022010
ref: 11-3
33510-97313
CAP ASSY,SPARK PLUG
€ 19.50
12
3354124510
ref: 12
33541-47D00
SEAL,SPARK PLUG CAP
€ 8.00
13
3354238B00
ref: 13
SEAL,HIGH TENSION CORD
€ 5.00
up
all assemblies
AIR CLEANER
BATTERY
CAM CHAIN
CAM SHAFT - VALVE
CANISTER (CALIFORNIA ONLY)
CARBURETOR
CLUTCH
COWLING (MODEL K/L OPTIONAL)
COWLING (MODEL M/N/P/R/S/T OPTIONAL)
CRANKCASE
CRANKCASE COVER
CRANKSHAFT
CRANKSHAFT BALANCER
CUSHION LEVER (MODEL K/L)
CUSHION LEVER (MODEL M/N/P/R/S/T)
CYLINDER
CYLINDER HEAD
CYLINDER HEAD COVER
ELECTRICAL
FOOTREST
FRAME
FRAME COVER (MODEL K/L/M)
FRAME COVER (MODEL N)
FRAME COVER (MODEL P)
FRAME COVER (MODEL R/S/T)
FRONT CALIPER (MODEL K/L/M/N/P/R/S)
FRONT CALIPER (MODEL T)
FRONT DAMPER
FRONT FENDER
FRONT MASTER CYLINDER
FRONT WHEEL
FUEL COCK
FUEL TANK (MODEL K/L)
FUEL TANK (MODEL M)
FUEL TANK (MODEL N/P)
FUEL TANK (MODEL R/S/T)
GEAR SHIFTING
GENERATOR
HANDLE LEVER (MODEL K)
HANDLE LEVER (MODEL L/M/N/P/R/S/T)
HANDLE SWITCH
HANDLEBAR (MODEL K)
HANDLEBAR (MODEL L/M/N/P/R/S/T)
HEADLAMP (MODEL K/L/M/N/P)
HEADLAMP (MODEL R/S/T)
HEADLAMP HOUSING (MODEL K/L/M/N/P)
HEADLAMP HOUSING (MODEL R/S/T)
MUFFLER
OIL FILTER - OIL PUMP
REAR CALIPER (MODEL K/L/M/N)
REAR CALIPER (MODEL P/R/S/T)
REAR COMBINATION LAMP
REAR FENDER
REAR MASTER CYLINDER
REAR SWINGING ARM
REAR WHEEL
SEAT
SIGNAL GENERATOR
SPEEDOMETER - TACHOMETER
STAND - REAR BRAKE
STARTER CLUTCH
STARTING MOTOR
STEERING STEM
TRANSMISSION
TURNSIGNAL LAMP
WIRING HARNESS
up