Buy Suzuki GS Parts Online

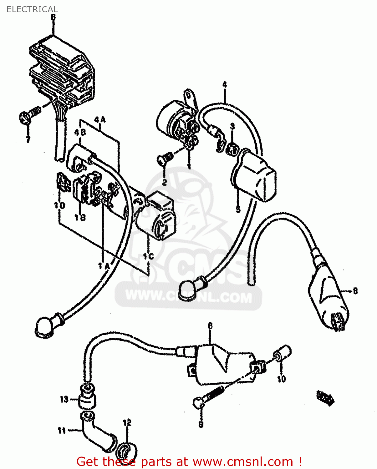
ELECTRICAL

GS500E 1996 (T) (E02 E04 E18 E22 E24 E25 E34)

Electrical diagram GS500E 1996 (T) (E02 E04 E18 E22 E24 E25 E34)

ELECTRICAL GS500E 1996 (T) (E02 E04 E18 E22 E24 E25 E34)
ELECTRICAL GS500E 1996 (T) (E02 E04 E18 E22 E24 E25 E34)
ELECTRICAL GS500E 1996 (T) (E02 E04 E18 E22 E24 E25 E34)
prices are in EUR
ref
part #
description
quantity
1
3180049100
ref: 1

MODEL K
RELAY ASSY,STARTING MOTOR
3180049100
€ 97.00

1A
3180001D00
ref: 1A

MODEL L/M/N/P/R/S/T
RELAY ASSY,STARTING MOTOR
3180001D00
€ 116.50

1B
3184101D00
ref: 1B

MODEL L/M/N/P/R/S/T
TERMINAL,RELAY
3184101D00
€ 25.00

1C
3189207D00
ref: 1C

MODEL L/M/N/P/R/S/T
BRACKET,STARTING MOTOR RELAY
3189207D00
€ 13.50

1D
0948120101
ref: 1D

MODEL L/M/N/P/R/S/T
FUSE(20A)
0948120101
€ 2.00

2
0211206103
ref: 2

MODEL K
SCREW
0211206103
€ 1.50

3
0836135066
ref: 3
NUT
€ 2.00

4
3385004A00
ref: 4

MODEL K,-33850-01D00
WIRE,STARTER MOTOR LEAD
€ 34.50

4A
3385001D10
ref: 4A

MODEL L/M/N/P/R/S/T
WIRE,STARTER MOTOR LEAD
€ 25.00

4B
3362401D10
ref: 4B

MODEL L/M/N/P/R/S/T
CAP,STARTER RELAY TERMINAL
3362401D10
€ 9.50

5
3186146D00
ref: 5

MODEL K,-31861-44500
CAP,STARTER RELAY
3186146D00
€ 6.50

6-1
3280030B01
ref: 6-1

MODEL K/L/M/N
RECTIFIER ASSY
€ 390.00

6-2
3280033C00
ref: 6-2

MODEL P/R/S/T
RECTIFIER ASSEMBLY
€ 390.00

7-1
0215206206
ref: 7-1

MODEL K/L/M/N/P
SCREW
€ 2.50

7-2
0214206203
ref: 7-2

MODEL R/S/T
SCREW
0214206203
€ 2.00

8
3341001D00
ref: 8
COIL ASSY,IGNITION
3341001D00
€ 154.00

9-1
0110706406
ref: 9-1

MODEL K/L/M/N/P
BOLT
€ 2.00

9-2
0150006403
ref: 9-2

MODEL R/S/T
BOLT
0150006403
€ 2.00

10
0918006204
ref: 10
SPACER(6.2X12X18)
0918006204
€ 6.50

11-1
3351038B00
ref: 11-1

MODEL K/L/M
CAP,SPARK PLUG
3351038B00
€ 23.50

11-2
3351022010
ref: 11-2

MODEL N/P E1,E24 MOD
CAP ASSY,SPARK PLUG
3351022010
€ 19.50

11-3
3351038B00
ref: 11-3

MODEL N/P E2,E4,E17,
CAP,SPARK PLUG
3351038B00
€ 23.50

12
3354124510
ref: 12
SEAL,SPARK PLUG CAP
3354124510
€ 8.00

13
3354238B00
ref: 13
SEAL,HIGH TENSION CORD
3354238B00
€ 5.00