Buy Suzuki GS Parts Online

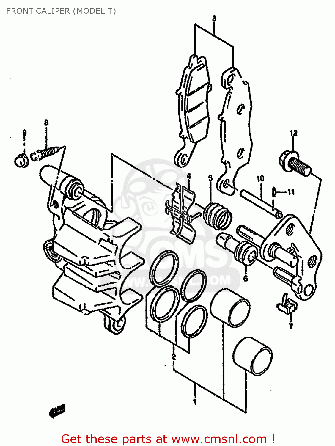
FRONT CALIPER (MODEL T)

GS500E 1996 (T) (E02 E04 E18 E22 E24 E25 E34)

Front caliper (model t) diagram GS500E 1996 (T) (E02 E04 E18 E22 E24 E25 E34)

FRONT CALIPER (MODEL T) GS500E 1996 (T) (E02 E04 E18 E22 E24 E25 E34)
FRONT CALIPER (MODEL T) GS500E 1996 (T) (E02 E04 E18 E22 E24 E25 E34)
FRONT CALIPER (MODEL T) GS500E 1996 (T) (E02 E04 E18 E22 E24 E25 E34)
prices are in EUR
ref
part #
description
quantity
0
5910033D00
ref: 0
CALIPER ASSEMBLY,FRONT,RIGHT
€ 552.00

1
5930033830
ref: 1
PISTON SET
€ 71.00

2
5930033840
ref: 2
SEAL SET,PISTON
5930033840
€ 26.50

3
5910033850
ref: 3
PAD SET (NAS)
5910033850
€ 55.50

4
5911533D00
ref: 4
SPRING,PAD,R
5911533D00
€ 13.50

5
5911244B00
ref: 5
BOOT,AXLE
5911244B00
€ 8.00

6
5931336500
ref: 6
INSULATOR,AXLE
5931336500
€ 6.00

7
5911633D00
ref: 7
GUIDE,PAD
5911633D00
€ 7.50

8
5912118410
ref: 8
BLEEDER
5912118410
€ 8.50

9
5515666310
ref: 9
CAP,BLEEDER PLUG
5515666310
€ 6.50

10
5914144B01
ref: 10
PIN,PAD
5914144B01
€ 9.00

11
6914245000
ref: 11
CLIP,PAD PIN
6914245000
€ 5.00

12
0155010253
ref: 12
BOLT
0155010253
€ 3.50

11
5915001D00
ref: 11
CARRIER,CALIPER
5915001D00
€ 73.00

12
5912118410
ref: 12
BLEEDER
5912118410
€ 8.50

13
5912218410
ref: 13
CAP,BREATHER
5912218410
€ 6.50

14-1
0712010258
ref: 14-1

MODEL K/L/M/N/P
BOLT
0712010258
€ 4.50

14-2
0712010253
ref: 14-2

MODEL R
BOLT
0712010253
€ 3.00

14-3
0155010253
ref: 14-3

MODEL S
BOLT
0155010253
€ 3.50