×
Buy Suzuki GS Parts Online
home
ELECTRICAL
GS500EU 1990 (L) GERMANY (E22)
Electrical diagram GS500EU 1990 (L) GERMANY (E22)
ELECTRICAL GS500EU 1990 (L) GERMANY (E22)
×
prices are in EUR
ref
part #
description
quantity
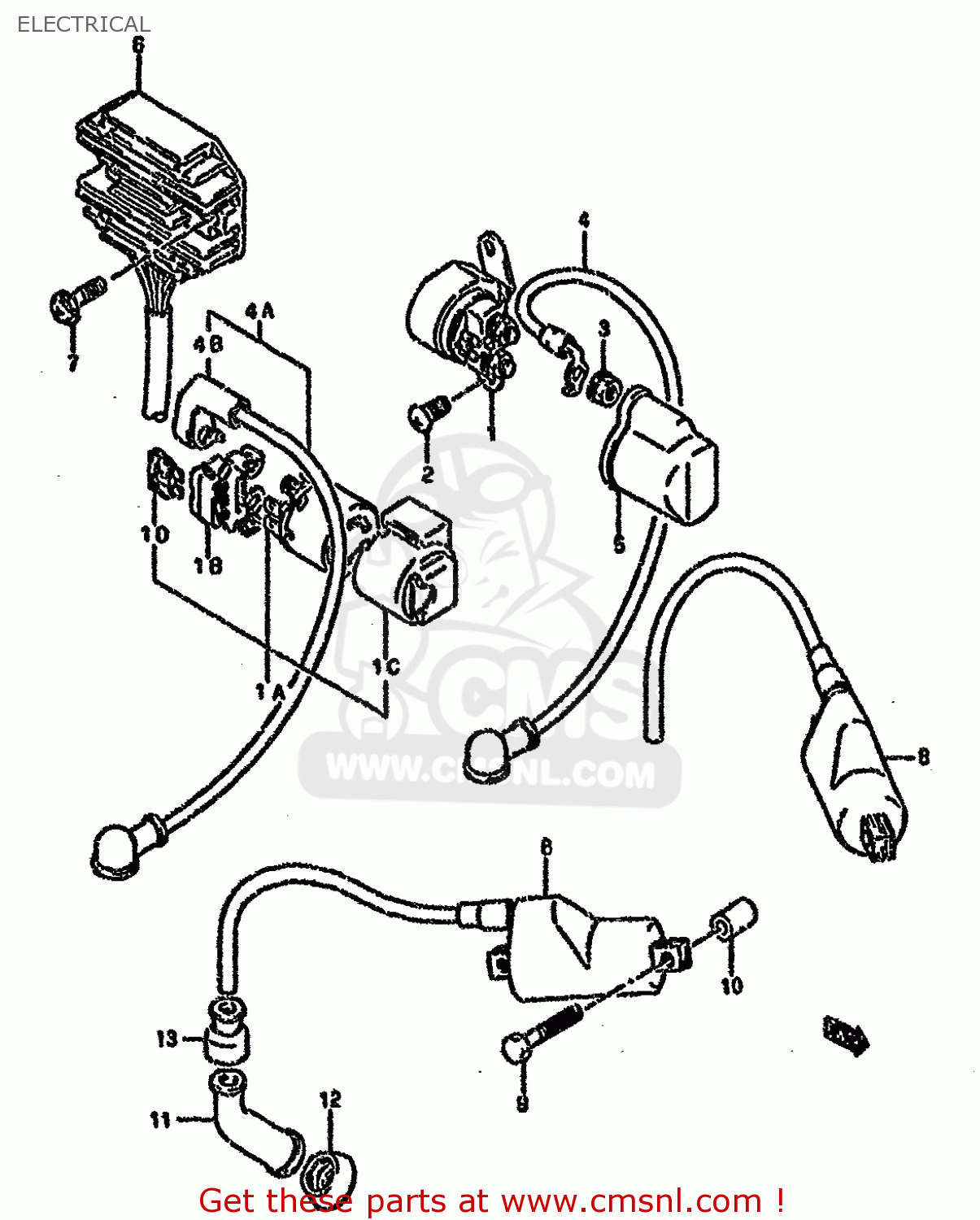
1
3180049100
ref: 1
MODEL K
RELAY ASSY,STARTING MOTOR
€ 97.00
1A
3180001D00
ref: 1A
MODEL L/M/N/P/R/S/T
RELAY ASSY,STARTING MOTOR
€ 116.50
1B
3184101D00
ref: 1B
MODEL L/M/N/P/R/S/T
TERMINAL,RELAY
€ 25.00
1C
3189207D00
ref: 1C
MODEL L/M/N/P/R/S/T
BRACKET,STARTING MOTOR RELAY
€ 13.50
1D
0948120101
ref: 1D
MODEL L/M/N/P/R/S/T
FUSE(20A)
€ 2.00
2
0211206103
ref: 2
MODEL K
SCREW
€ 1.50
3
0836135066
ref: 3
NUT
€ 2.00
4
3385004A00
ref: 4
MODEL K,-33850-01D00
WIRE,STARTER MOTOR LEAD
€ 34.50
4A
3385001D10
ref: 4A
MODEL L/M/N/P/R/S/T
WIRE,STARTER MOTOR LEAD
€ 25.00
4B
3362401D10
ref: 4B
MODEL L/M/N/P/R/S/T
CAP,STARTER RELAY TERMINAL
€ 9.50
5
3186146D00
ref: 5
MODEL K,-31861-44500
CAP,STARTER RELAY
€ 6.50
6-1
3280030B01
ref: 6-1
MODEL K/L/M/N
RECTIFIER ASSY
€ 390.00
6-2
3280033C00
ref: 6-2
MODEL P/R/S/T
RECTIFIER ASSEMBLY
€ 390.00
7-1
0215206206
ref: 7-1
MODEL K/L/M/N/P
SCREW
€ 2.50
7-2
0214206203
ref: 7-2
MODEL R/S/T
SCREW
€ 2.00
8
3341001D00
ref: 8
COIL ASSY,IGNITION
€ 154.00
9-1
0110706406
ref: 9-1
MODEL K/L/M/N/P
BOLT
€ 2.00
9-2
0150006403
ref: 9-2
MODEL R/S/T
BOLT
€ 2.00
10
0918006204
ref: 10
SPACER(6.2X12X18)
€ 6.50
11-1
3351038B00
ref: 11-1
MODEL K/L/M
CAP,SPARK PLUG
€ 23.50
11-2
3351022010
ref: 11-2
MODEL N/P E1,E24 MOD
CAP ASSY,SPARK PLUG
€ 19.50
11-3
3351038B00
ref: 11-3
MODEL N/P E2,E4,E17,
CAP,SPARK PLUG
€ 23.50
12
3354124510
ref: 12
SEAL,SPARK PLUG CAP
€ 8.00
13
3354238B00
ref: 13
SEAL,HIGH TENSION CORD
€ 5.00
up
all assemblies
* COLOR CHART *
* COLOR CHART *
* CATALOG PREFACE *
* CONVERSION CHART *
CYLINDER HEAD COVER
CYLINDER HEAD
CYLINDER
CRANKCASE
CRANKCASE COVER
OIL FILTER-OIL PUMP
CRANKSHAFT
CRANKSHAFT BALANCER
STARTER CLUTCH
CAM SHAFT-VALVE (MODEL R/S/T)
CAM CHAIN
CARBURETOR (MODEL T)
AIR CLEANER
SECOND AIR (MODEL N/P/R/S/T:E18,E39)
CLUTCH
TRANSMISSION
GEAR SHIFTING
STARTING MOTOR
GENERATOR
SIGNAL GENERATOR
BATTERY
ELECTRICAL
SPEEDOMETER-TACHOMETER
HEADLAMP (MODEL K/L/M/N)
HEADLAMP (MODEL T)
TURNSIGNAL LAMP (MODEL S/T)
REAR COMBINATION LAMP (MODEL T)
WIRING HARNESS
HANDLE SWITCH (MODEL L/M/N/P/R/S/T)
FRAME
STAND-REAR BRAKE
FOOTREST
FUEL TANK (MODEL T)
FUEL COCK
FRAME COVER (MODEL R/S/T)
HEADLAMP HOUSING (MODEL R/S/T)
FRONT FENDER (MODEL T)
HANDLEBAR (MODEL T)
HANDLE LEVER (MODEL L/M/N/P/R/S/T)
REAR FENDER (MODEL T)
COWLING (MODEL M/N/P/R/S/T OPTIONAL)
SEAT (MODEL S/T)
FRONT DAMPER (MODEL N/P/R/S/T)
STEERING STEM
FRONT WHEEL
FRONT CALIPER (MODEL T)
FRONT MASTER CYLINDER
REAR SWINGING ARM
CUSHION LEVER (MODEL M/N/P/R/S/T)
REAR WHEEL
REAR CALIPER (MODEL P/R/S/T)
REAR MASTER CYLINDER
OPTIONAL
up