×
Buy Suzuki GS Parts Online
home
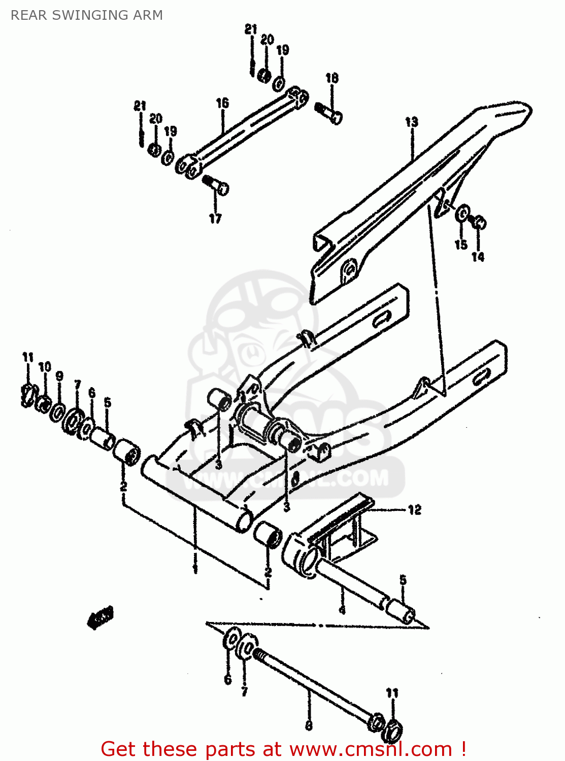
REAR SWINGING ARM
GS500EU 1990 (L) GERMANY (E22)
Rear swinging arm diagram GS500EU 1990 (L) GERMANY (E22)
REAR SWINGING ARM GS500EU 1990 (L) GERMANY (E22)
×
prices are in EUR
ref
part #
description
quantity
1-1
6100001D010FP
ref: 1-1
MODEL K/L/M/N/P
SWING ARM ASSEMBLY,REAR
€ 596.50
1-2
6100001D0113L
ref: 1-2
MODEL R
SWING ARM ASSEMBLY,REAR
€ 596.50
1-3
6100001D0213L
ref: 1-3
MODEL S
SWING ARM ASSEMBLY,REAR
€ 596.50
1-4
6100001D0213L
ref: 1-4
MODEL T E37 F.NO.137
SWING ARM ASSEMBLY,REAR
€ 596.50
1-5
6100001D1013L
ref: 1-5
MODEL T E37 F.NO.137
SWINGINGARM ASSY,RR
€ 596.50
1-6
6100001D1013L
ref: 1-6
MODEL T
SWINGINGARM ASSY,RR
€ 596.50
2
0926322017
ref: 2
BEARING(22X29X30)
€ 20.50
3
0926317037
ref: 3
BEARING(17X24X25)
€ 19.00
4
6128201D00
ref: 4
SPACER,RR SWGARM PIVOT CTR
€ 13.50
5
6125145001
ref: 5
SPACER,RR SWGARM PIVOT
€ 10.50
6
0916014020
ref: 6
WASHER(14.2X34X1)
€ 3.00
7
6126245002
ref: 7
CVR,RR SWGARM DUST SEAL(OD:40)
€ 4.50
8
6121130B00
ref: 8
SHAFT,RR SWINGINGARM PIVOT
€ 22.50
9
0916014009
ref: 9
WASHER(14.5X29X2.3)
€ 3.50
10
0915914019
ref: 10
NUT
€ 9.50
11
6122248B00
ref: 11
CAP,RR SWINGING ARM PIVOT
€ 4.50
12
6127301D00
ref: 12
BUFFER,CHAIN TOUCH DEFENSE
€ 28.50
13
6131001D00
ref: 13
CASE,CHAIN
€ 38.50
14-1
0151706105
ref: 14-1
MODEL K/L/M/N/P
BOLT
€ 3.00
14-2
0155006103
ref: 14-2
MODEL R
BOLT
€ 3.00
14-3
0214206123
ref: 14-3
MODEL S/T
SCREW 6X12
€ 2.00
15
0916906026
ref: 15
WASHER
€ 2.50
16-1
6431001D010FP
ref: 16-1
MODEL K
LINK,REAR TORQUE
€ 21.00
16-2
6431001D02
ref: 16-2
MODEL L/M/N/P/R/S/T
TORQUELINK,RR
€ 21.00
17
0911110016
ref: 17
BOLT(10X41)
€ 6.50
18
0910110036
ref: 18
BOLT(10X35)
€ 5.00
19
0916010069
ref: 19
WASHER (10X18X3.2)
€ 2.00
20-1
0831441108
ref: 20-1
MODEL K/L/M/N/P
NUT
€ 3.00
20-2
0831440103
ref: 20-2
MODEL R/S/T
NUT
€ 3.00
21
0411120208
ref: 21
PIN 20X20
€ 1.50
up
all assemblies
* COLOR CHART *
* COLOR CHART *
* CATALOG PREFACE *
* CONVERSION CHART *
CYLINDER HEAD COVER
CYLINDER HEAD
CYLINDER
CRANKCASE
CRANKCASE COVER
OIL FILTER-OIL PUMP
CRANKSHAFT
CRANKSHAFT BALANCER
STARTER CLUTCH
CAM SHAFT-VALVE (MODEL R/S/T)
CAM CHAIN
CARBURETOR (MODEL T)
AIR CLEANER
SECOND AIR (MODEL N/P/R/S/T:E18,E39)
CLUTCH
TRANSMISSION
GEAR SHIFTING
STARTING MOTOR
GENERATOR
SIGNAL GENERATOR
BATTERY
ELECTRICAL
SPEEDOMETER-TACHOMETER
HEADLAMP (MODEL K/L/M/N)
HEADLAMP (MODEL T)
TURNSIGNAL LAMP (MODEL S/T)
REAR COMBINATION LAMP (MODEL T)
WIRING HARNESS
HANDLE SWITCH (MODEL L/M/N/P/R/S/T)
FRAME
STAND-REAR BRAKE
FOOTREST
FUEL TANK (MODEL T)
FUEL COCK
FRAME COVER (MODEL R/S/T)
HEADLAMP HOUSING (MODEL R/S/T)
FRONT FENDER (MODEL T)
HANDLEBAR (MODEL T)
HANDLE LEVER (MODEL L/M/N/P/R/S/T)
REAR FENDER (MODEL T)
COWLING (MODEL M/N/P/R/S/T OPTIONAL)
SEAT (MODEL S/T)
FRONT DAMPER (MODEL N/P/R/S/T)
STEERING STEM
FRONT WHEEL
FRONT CALIPER (MODEL T)
FRONT MASTER CYLINDER
REAR SWINGING ARM
CUSHION LEVER (MODEL M/N/P/R/S/T)
REAR WHEEL
REAR CALIPER (MODEL P/R/S/T)
REAR MASTER CYLINDER
OPTIONAL
up