×
Buy Suzuki GSX Parts Online
home
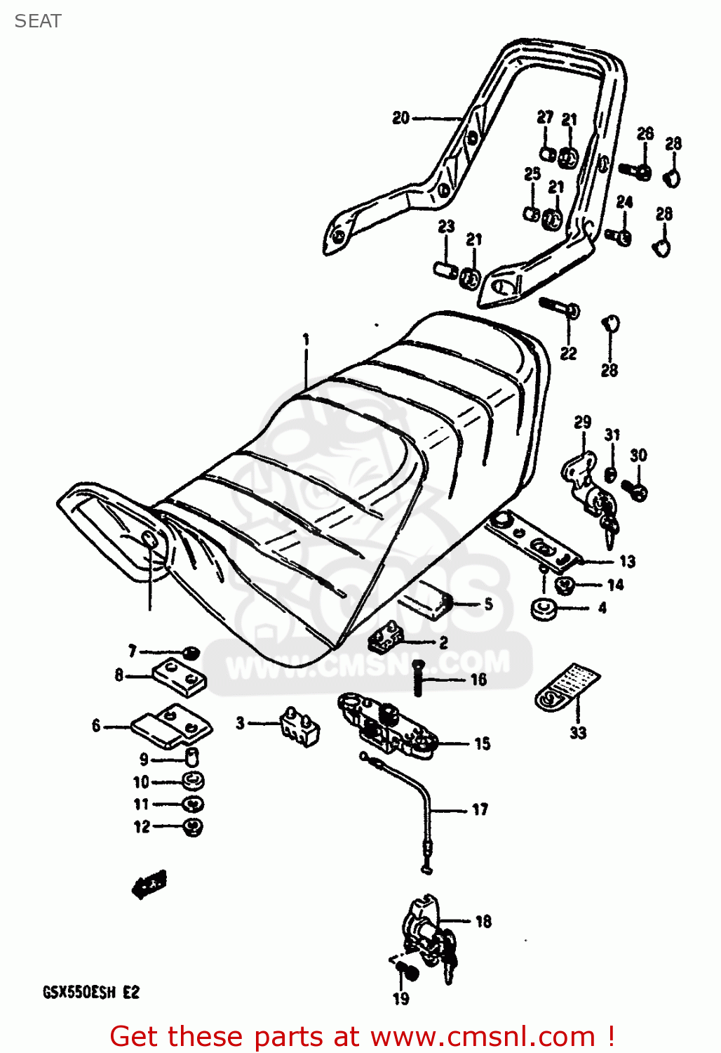
SEAT
GSX550E 1987 (H)
Seat diagram GSX550E 1987 (H)
SEAT GSX550E 1987 (H)
×
prices are in EUR
ref
part #
description
quantity
1-1
451004340248H
ref: 1-1
MODEL E,FOR 7JJ
SEAT ASSEMBLY
€ 245.50
1-2
451004340253L
ref: 1-2
MODEL E,FOR 7JH
SEAT ASSEMBLY
€ 245.50
1-3
451004342158R
ref: 1-3
MODEL G/H
SEAT ASSEMBLY
€ 245.50
1-4
451004341248H
ref: 1-4
MODEL F E18,E24,FOR
SEAT ASSY (BLAC)
€ 249.00
1-5
451004341253L
ref: 1-5
MODEL F E18,E24,FOR
SEAT ASSY (BLUE)
€ 415.00
1-6
451004343158R
ref: 1-6
MODEL G/H E18,E24
SEAT ASSY (BLACK)
€ 249.00
1-7
451004340358R
ref: 1-7
MODEL H E17
SEAT ASSEMBLY
€ 245.50
2
4514931300
ref: 2
CUSHION,SEAT(40X20X15)
€ 2.50
3
4514945330
ref: 3
CUSHION,SUPPORT(50X25X32)
€ 2.50
4
4521343400
ref: 4
CUSHION,STRIKER
€ 3.50
5
0932910018
ref: 5
CUSHION
€ 2.50
6
9498229400
ref: 6
CUSHION(30X60X10)
€ 1.50
7
4511943401
ref: 7
PLATE,SEAT HOOK,FRONT
€ 0.00
8
0832221067
ref: 8
WASHER
€ 2.50
9
4512513600
ref: 9
CUSHION,SEAT
€ 3.00
10
0918006035
ref: 10
SPACER (6.1X8X12)
€ 3.00
11
0932426470
ref: 11
CUSHION
€ 0.00
12
0916006006
ref: 12
WASHER
€ 2.00
13
0831616066
ref: 13
NUT
€ 2.50
14
4521043400
ref: 14
STRIKER, SEAT LOCK
€ 18.50
15
0831626066
ref: 15
NUT
€ 2.00
16
4522013601
ref: 16
LOCK ASSY,SEAT STRIKER
€ 51.50
17
0211206306
ref: 17
SCREW,6X30
€ 2.50
18
4528043400
ref: 18
CABLE,SEAT LOCK
€ 13.00
19-1
9570043400KEY
ref: 19-1
MODEL E/F/G
LOCK ASSEMBLY,SEAT & HELMET
€ 57.00
19-2
9570043401KEY
ref: 19-2
MODEL H
LOCK ASSEMBLY,SEAT & HELMET
€ 57.00
20
0711006165
ref: 20
BOLT
€ 3.50
21
4621043400
ref: 21
HANDLE,PILLION RIDER
€ 91.50
22
4552243401
ref: 22
GROMMET,PILION RIDER HANDLE
€ 4.00
23
0910608037
ref: 23
BOLT
€ 3.50
24
4621943400
ref: 24
SPACER,PILLION RIDER HOLDER
€ 2.50
25
0910608042
ref: 25
BOLT
€ 3.00
26
4621943420
ref: 26
SPACER,PILLION RIDER HOLDER
€ 3.00
27
0910608039
ref: 27
BOLT
€ 3.50
28
4621943411
ref: 28
SPACER,PILLION RIDER HOLDER
€ 3.50
29
0925006008
ref: 29
CAP(OD:10)
€ 3.50
30
9570043410KEY
ref: 30
LOCK ASSEMBLY,HELMET
€ 35.00
31
0711006165
ref: 31
BOLT
€ 3.50
32
0832121064
ref: 32
WASHER,LOCK
€ 2.50
33
1196782000
ref: 33
E2
LABEL,ASBESTOS WARNING
€ 2.00
up
all assemblies
* COLOR CHART *
* CATALOG PREFACE *
* CONVERSION CHART *
CYLINDER HEAD COVER
CYLINDER HEAD
CYLINDER
CRANKCASE
CRANKCASE COVER
OIL PUMP-OIL FILTER
CRANKSHAFT
STARTER CLUTCH
CAM SHAFT-VALVE
CAM CHAIN
CARBURETOR
AIR CLEANER
MUFFLER
OIL COOLER
CLUTCH
TRANSMISSION
GEAR SHIFTING
STARTING MOTOR
GENERATOR
SIGNAL GENERATOR
BATTERY
ELECTRICAL
SPEEDOMETER-TACHOMETER (GSX550EF/EUF/EG/EUG/EUH)
SPEEDOMETER-TACHOMETER (GSX550ESF/EFF/ESG/EFG/ESH/EFH)
HEADLAMP (GSX550EF/EUF/EG/EUG/EUH)
HEADLAMP (GSX550ESF/EFF/ESG/EFG/ESH/EFH)
TURN SIGNAL LAMP (E1,E4,E6,E24,E34,E53)
TURN SIGNAL LAMP (E2,E17)
TURN SIGNAL LAMP (E18,E21,E22,E25,E26)
REAR COMBINATION LAMP
WIRING HARNESS
FRAME
STAND
FOOTREST
FUEL TANK (GSX550EF/EUF/EG/EUG)
FUEL TANK (GSX550ESF/ESG)
FUEL TANK (GSX550EFF/EFG)
FUEL TANK (MODEL H)
FUEL COCK
SEAT
SEAT TAIL COVER (GSX550EF/EUF/EG/EUG)
SEAT TAIL COVER (GSX550ESF/ESG)
SEAT TAIL COVER (GSX550EFF/EFG)
SEAT TAIL COVER (MODEL H)
FRAME COVER (GSX550EF/EUF/EG/EUG)
FRAME COVER (GSX550ESF/ESG)
FRAME COVER (GSX550EFF/EFG)
FRAME COVER (MODEL H)
FRONT DAMPER
STEERING STEM (GSX550EF/EUF/EG/EUG/EUH)
STEERING STEM (GSX550ESF/EFF/ESG/EFG/ESH/EFH)
COVER HEADLAMP-FRONT FENDER (GSX550EF/EUF/EG/EUG/EUH)
FRONT FENDER (GSX550ESF/EFF/ESG/EFG/ESH/EFH)
FRONT WHEEL
HANDLEBAR (GSX550EF/EUF/EG/EUG/EUH)
HANDLEBAR (GSX550ESF/EFF/ESG/EFG/ESH/EFH)
RIGHT HANDLE SWITCH (GSX550EF/EUF/EG/EUG/EUH)
RIGHT HANDLE SWITCH (GSX550ESF/EFF/ESG/EFG/ESH/EFH)
LEFT HANDLE SWITCH (GSX550EF/EG)
LEFT HANDLE SWITCH
FRONT CALIPERS
FRONT BRAKE HOSE
FRONT MASTER CYLINDER
REAR SWINGING ARM
REAR SHOCK ABSORBER
CUSHION LEVER
REAR FENDER
REAR WHEEL
REAR CALIPERS
REAR MASTER CYLINDER
COWLING (GSX550ESF)
COWLING (GSX550ESG)
COWLING (GSX550ESH)
COWLING (GSX550EFF)
COWLING (GSX550EFG)
COWLING (GSX550EFH)
OPTIONAL
up