×
Buy Suzuki GSX Parts Online
home
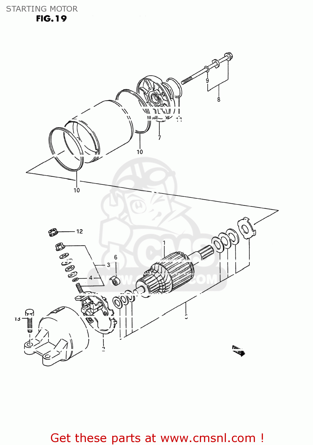
STARTING MOTOR
GSX600F KATANA 1990 (L) USA (E03)
Starting motor diagram GSX600F KATANA 1990 (L) USA (E03)
STARTING MOTOR GSX600F KATANA 1990 (L) USA (E03)
×
prices are in EUR
ref
part #
description
quantity
 
3110019C01
ref:  
31100-19C03
MOTOR ASSEMBLY,STARTING
€ 700.00
 
3110019C02
ref:  
31100-19C03
MOTOR ASSEMBLY,STARTING
€ 700.00
1-1
3131119C01
ref: 1-1
31311-19C02
ARMATURE
€ 128.00
1-2
3131119C02
ref: 1-2
ARMATURE
€ 128.00
2
3113219B10
ref: 2
HOLDER SET,BRUSH
€ 29.00
3
3113019B10
ref: 3
TERMINAL SET,BRUSH,PLUS
€ 27.50
4
3114349040
ref: 4
O RING
€ 3.00
5
3117019B10
ref: 5
SHIM SET,STARTING MOTOR
€ 8.00
6
3113531300
ref: 6
SPRING,BRUSH
€ 4.00
7
3115019B10
ref: 7
BRACKET ASSY,FR
€ 107.00
8
3128019B10
ref: 8
BOLT SET,STARTING MOTOR
€ 8.50
9
3114349040
ref: 9
O RING
€ 3.00
10
3126431300
ref: 10
31264-32E00
O RING
€ 7.50
11
0928024003
ref: 11
O RING(D:3,ID:24.5)
€ 2.00
12
0836135068
ref: 12
08361-3506A
NUT
€ 2.00
13
0912806024
ref: 13
09103-06212
SCREW (6X25)
€ 2.50
up
all assemblies
AIR CLEANER (MODEL J/K)
AIR CLEANER (MODEL L/M/N/P/R/S/T)
ALTERNATOR
BATTERY (MODEL J)
BATTERY (MODEL K/L/M/N/P/R/S/T)
CAM CHAIN (MODEL J/K/L/M/N/P/R/S)
CAM CHAIN (MODEL T)
CAM SHAFT - VALVE (MODEL J/K/L/M)
CAM SHAFT / VALVE (MODEL N/P/R/S/T)
CARBURETOR (MODEL J)
CARBURETOR (MODEL K)
CARBURETOR (MODEL L/M/N/P/R/S/T)
CARBURETOR FITTINGS (MODEL L/M/N/P/R/S/T)
CLUTCH (MODEL J/K/L/M)
CLUTCH (MODEL N/P/R/S/T)
COWLING (MODEL J)
COWLING (MODEL K)
COWLING (MODEL L)
COWLING (MODEL M)
COWLING BODY (MODEL N)
COWLING BODY (MODEL P)
COWLING BODY (MODEL R)
COWLING BODY (MODEL S)
COWLING BODY (MODEL T)
CRANKCASE
CRANKCASE COVER
CRANKSHAFT
CYLINDER
CYLINDER HEAD
CYLINDER HEAD COVER
ELECTRICAL
FOOTREST
FRAME (MODEL J/K/L/M/N/P)
FRAME (MODEL R/S/T)
FRAME COVER (MODEL J/K)
FRAME COVER (MODEL L/M)
FRAME COVER (MODEL N/P)
FRAME COVER (MODEL R/S)
FRAME COVER (MODEL T)
FRONT BRAKE HOSE
FRONT CALIPERS
FRONT DAMPER (MODEL J)
FRONT DAMPER (MODEL K/L/M/N/P/R/S/T)
FRONT FENDER
FRONT MASTER CYLINDER (MODEL J)
FRONT MASTER CYLINDER (MODEL K/L/M/N)
FRONT MASTER CYLINDER (MODEL P/R/S/T)
FRONT WHEEL (MODEL J)
FRONT WHEEL (MODEL K/L/M/N/P/R/S/T)
FUEL COCK (MODEL J/K)
FUEL COCK (MODEL L/M/N/P/R/S/T)
FUEL TANK (MODEL J/K/L)
FUEL TANK (MODEL M)
FUEL TANK (MODEL N)
FUEL TANK (MODEL P/R/S/T)
GEAR SHIFTING
HANDLE LEVER (MODEL J)
HANDLE LEVER (MODEL K/L/M/N/P/R/S/T)
HANDLE SWITCH (MODEL J)
HANDLE SWITCH (MODEL K/L/M/N/P/R/S/T)
HANDLEBAR
HEADLAMP
INSTALLATION PARTS
MUFFLER
OIL COOLER
OIL PAN
OIL PUMP
PILLION RIDER HANDLE
REAR CALIPER (MODEL J)
REAR CALIPER (MODEL K/L/M/N)
REAR CALIPER (MODEL P/R/S/T)
REAR CUSHION LEVER (MODEL J)
REAR CUSHION LEVER (MODEL K/L/M/N/P/R/S/T)
REAR FENDER
REAR MASTER CYLINDER
REAR SWINGING ARM
REAR WHEEL (MODEL J)
REAR WHEEL (MODEL K/L/M/N/P/R/S/T)
SEAT (MODEL J/K/L/M/N/P)
SEAT (MODEL R/S/T)
SIGNAL GENERATOR
SPEEDOMETER (MODEL J)
SPEEDOMETER (MODEL K/L/M/N/P/S/T)
STAND
STARTER CLUTCH
STARTING MOTOR
STEERING STEM
TAIL LAMP - LICENSE LAMP
TRANSMISSION
TURN SIGNAL LAMP
WIRING HARNESS
up