×
Buy Suzuki GSXR Parts Online
home
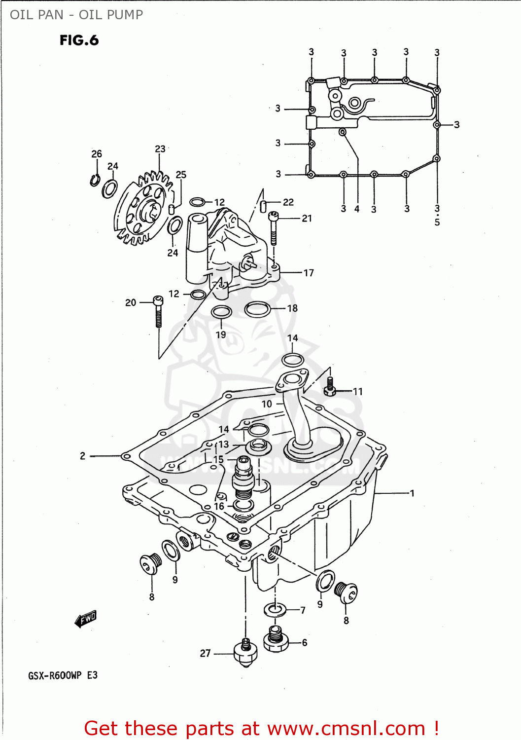
OIL PAN - OIL PUMP
GSXR600W 1993 (P) USA (E03)
Oil pan - oil pump diagram GSXR600W 1993 (P) USA (E03)
OIL PAN - OIL PUMP GSXR600W 1993 (P) USA (E03)
×
prices are in EUR
ref
part #
description
quantity
1
1151117E00
ref: 1
PAN,OIL
€ 267.00
2
1148917E00
ref: 2
11489-17E01
GASKET,OIL PAN
€ 18.50
3
0154706257
ref: 3
BOLT
€ 2.50
4
0154706307
ref: 4
BOLT
€ 3.00
5
0916806024
ref: 5
GASKET(5.8X11X1.2) (NAS)
€ 2.50
6
0924714001
ref: 6
09247-14002
PLUG
€ 5.50
7
0916814004
ref: 7
GASKET(14X19.2X2) (NAS)
€ 2.50
8
0924816010
ref: 8
09248-16012
PLUG
€ 5.00
9
0916816002
ref: 9
GASKET(16X22X2) (NAS)
€ 2.50
10
1652017E00
ref: 10
STRAINER COMP,ENGINE OIL
€ 46.50
11
0912806039
ref: 11
SCREW
€ 2.00
12
0928012012
ref: 12
O RING(D:2.4,ID:11.8)
€ 5.00
13
1652927A01
ref: 13
GASKET,OIL OUTLET (NAS)
€ 2.50
14
0928018009
ref: 14
O RING(D:3.2,ID:17.8)
€ 8.00
15
1644017C00
ref: 15
16440-17C10
VALVE ASSEMBLY,OIL RELIEF
€ 74.00
16
0916816002
ref: 16
GASKET(16X22X2) (NAS)
€ 2.50
17
1640017E00
ref: 17
PUMP ASSY,ENGINE OIL
€ 277.50
18
0928026005
ref: 18
O RING(D:2.4,ID:26.2)
€ 3.00
19
0928018009
ref: 19
O RING(D:3.2,ID:17.8)
€ 8.00
20
0711006307
ref: 20
07130-06307
BOLT
€ 3.00
21
0711006357
ref: 21
07130-06357
BOLT
€ 4.00
22
0421109129
ref: 22
PIN
€ 2.00
23
1633219C00
ref: 23
GEAR,OIL PUMP DRIVEN(NT:37)
€ 65.00
24
0822112205
ref: 24
SHIM
€ 2.00
25
0926105006
ref: 25
PIN(5X18)
€ 1.50
26
0833131126
ref: 26
08331-3112A
CIRCLIP,12 MM
€ 2.00
27
3782033D00
ref: 27
37820-33D10
SWITCH ASSEMBLY,OIL PRESSURE
€ 29.00
up
all assemblies
AIR CLEANER
ALTERNATOR
BATTERY
CAM CHAIN
CAM SHAFT - VALVE
CANISTER (CALIFORNIA ONLY)
CARBURETOR
CARBURETOR FITTINGS
CLUTCH
COWLING BODY (MODEL N N67
COWLING BODY (MODEL P 1JX
COWLING FITTING SET
CRANKCASE
CRANKCASE COVER
CRANKSHAFT
CYLINDER
CYLINDER HEAD
CYLINDER HEAD COVER
ELECTRICAL
FOOTREST
FRAME
FRAME COVER (MODEL N)
FRAME COVER (MODEL P)
FRONT BRAKE HOSE
FRONT CALIPERS
FRONT DAMPER
FRONT FENDER
FRONT MASTER CYLINDER
FRONT WHEEL
FUEL COCK
FUEL TANK (MODEL N)
FUEL TANK (MODEL P)
GEAR SHIFTING
HANDLE SWITCH
HANDLEBAR
HEADLAMP
MUFFLER
OIL COOLER - OIL FILTER
OIL PAN - OIL PUMP
RADIATOR
RADIATOR HOSE
REAR CALIPER
REAR CUSHION LEVER
REAR FENDER
REAR MASTER CYLINDER
REAR SWINGING ARM
REAR WHEEL
SEAT
SECOND AIR (CALIFORNIA ONLY)
SIGNAL GENERATOR
SPEEDOMETER
STAND
STARTER CLUTCH
STARTING MOTOR
STEERING STEM
TAIL LAMP
TRANSMISSION
TURNSIGNAL LAMP
WATER PUMP
WIRING HARNESS
up