×
Buy Suzuki GV Parts Online
home
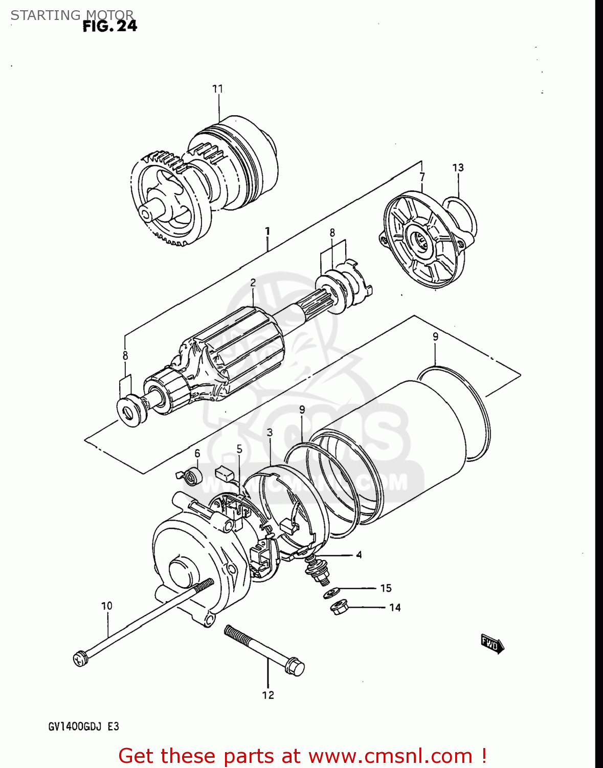
STARTING MOTOR
GV1400GC CAVALCADE 1987 (H) USA (E03)
Starting motor diagram GV1400GC CAVALCADE 1987 (H) USA (E03)
STARTING MOTOR GV1400GC CAVALCADE 1987 (H) USA (E03)
×
prices are in EUR
ref
part #
description
quantity
1
3110005A00
ref: 1
MOTOR ASSEMBLY,STARTING
€ 583.50
2
3131105A00
ref: 2
ARMATURE
€ 112.00
3
3113005A00
ref: 3
31130-06B00
BRUSH TERMINAL SET
€ 54.00
4
3114349040
ref: 4
O RING
€ 3.50
5
3113205A00
ref: 5
31132-06B00
HOLDER,BRUSH
€ 35.50
6
3113549040
ref: 6
SPRING,BRUSH
€ 5.00
7
3115005A00
ref: 7
BRACKET SET,STARTING MOTOR
€ 70.00
8
3136005A00
ref: 8
SHIM SET,STARTING MOTOR
€ 6.50
9
3126449040
ref: 9
SEAL,RING
€ 7.50
10
3128005A00
ref: 10
31280-06B00
BOLT
€ 10.50
11
3137024A02
ref: 11
PINION ASSEMBLY,STARTING MOTOR
€ 286.50
12
0154706605
ref: 12
01547-0660B
BOLT (6X60)
€ 4.00
13
0928024003
ref: 13
O RING(D:3,ID:24.5)
€ 2.00
14
0831011066
ref: 14
08310-0006A
NUT
€ 2.50
15
0832121066
ref: 15
08321-0106A
WASHER,LOCK
€ 2.50
up
all assemblies
AIR CLEANER
AIR VENT FAIRING SET ((GV1400GDG/GTG/GDH/GDJ OPT)
AUDIO
AUDIO KIT (GV1400GTG OPTIONAL)
AUTO CRUISER (GV1400GDG/GCG/GDH/GCH/GDJ)
BATTERY
BUMPER (NO.1)
BUMPER (NO.2)
CAM CHAIN
CAMSHAFT - VALVE
CANISTER (FOR CALIFORNIA)
CARBURETOR
CARBURETOR (FOR CALIFORNIA)
CARBURETOR FITTINGS
CB RADIO KIT (OPTIONAL)
CLUTCH
CLUTCH HOSE
CLUTCH MASTER CYLINDER
CORNER LAMP COVER (GV1400GCG/GCH)
CORNERING LAMP (GV1400GCG/GCH)
CORNERING LAMP SET (GV1400GDG/GTG/GDH/GDJ OPT)
COWLING BRACE
CRANKCASE
CRANKCASE COVER
CRANKSHAFT
CRUISE CONTROL KIT (GV1400GTG OPTIONAL)
CYLINDER HEAD (FRONT)
CYLINDER HEAD (REAR)
CYLINDER HEAD COVER
ELECTRICAL
FAIRING (GV1400GCG/GCH)
FRAME
FRAME COVER (MODEL G)
FRAME COVER (MODEL H/J)
FRAME UPPER COVER (MODEL G)
FRAME UPPER COVER (MODEL H/J)
FRONT BRAKE HOSE
FRONT CALIPERS
FRONT FENDER
FRONT FOOTREST
FRONT FORK (GV1400GCG/MODEL H/J)
FRONT FORK (GV1400GDG/GTG)
FRONT MARKER LAMP SET (OPTIONAL)
FRONT MASTER CYLINDER
FRONT TURNSIGNAL LAMP
FRONT WHEEL (GV1400GDG/GTG F.NO.103765~/GCG/MODEL H/J)
FRONT WHEEL (GV1400GDG/GTG ~F.NO.103764)
FUEL COCK
FUEL PUMP
FUEL TANK
GEAR SHIFTING
GENERATOR
HANDLEBAR - CONTROL CABLE (GV1400GCG/MODEL H/J)
HANDLEBAR - CONTROL CABLE (GV1400GDG/GTG)
HEADLAMP
INNER COWLING (GV1400GCG/GCH)
INNER COWLING (GV1400GDG/GTG/GDH/GDJ)
LEFT HANDLE SWITCH
LICENSE LAMP
MAP CASE SET/COIN BOX SET (GV1400GDG/GTG/GDH/GDJ OPT)
MUFFLER
OIL PUMP
OUTER COWLING (GV1400GCG)
OUTER COWLING (GV1400GDG F.NO.104471~)
OUTER COWLING (GV1400GDG/GTG ~F.NO.104470)
OUTER COWLING (MODEL H)
OUTER COWLING (MODEL J)
PILLION FOOTREST
PROPELLER SHAFT - FINAL DRIVE GEAR
RADIATOR
RADIATOR HOSE - RESERVE TANK
REAR BRAKE
REAR CALIPERS
REAR COMBINATION LAMP
REAR END MARKER LAMP SET (OPTIONAL)
REAR FENDER
REAR MASTER CYLINDER
REAR SHOCK ABSORBER (GV1400GDG/GCG/MODEL H/J)
REAR SHOCK ABSORBER (GV1400GTG)
REAR SWINGING ARM
REAR WHEEL (GV1400GDG F.NO.103765~/GCG/MODEL H/J)
REAR WHEEL (GV1400GDG/GTG ~F.NO.103764)
RIGHT HANDLE SWITCH (GV1400GDG/GCG/MODEL H/J)
RIGHT HANDLE SWITCH (GV1400GTG)
SADDLEBAG TRIM SET (OPTIONAL)
SEAT
SECONDARY DRIVE GEAR
SIDE BAG (GV1400GCG)
SIDE BAG (GV1400GDG/GTG)
SIDE BAG (MODEL H)
SIDE BAG (MODEL J)
SPEEDOMETER - TACHOMETER
STAND
STARTING MOTOR
STEERING STEM
TAIL MARKER LAMP/HARNESS SET (OPTIONAL)
TRANSMISSION
TRAVEL TRUNK (GV1400GCG)
TRAVEL TRUNK (GV1400GDG/GTG)
TRAVEL TRUNK (MODEL H)
TRAVEL TRUNK (MODEL J)
TRAVEL TRUNK MARKER LAMP SET (OPTIONAL)
TRAVEL TRUNK PAD (GV1400GCG/GCH)
TRAVEL TRUNK PAD (GV1400GDG/GTG/GDH/GDJ)
TRAVEL TRUNK RACK/TRIM SET (OPTIONAL)
TRUNK LAMP
WATER PUMP
WIRING HARNESS
up