×
Buy Suzuki RG Parts Online
home
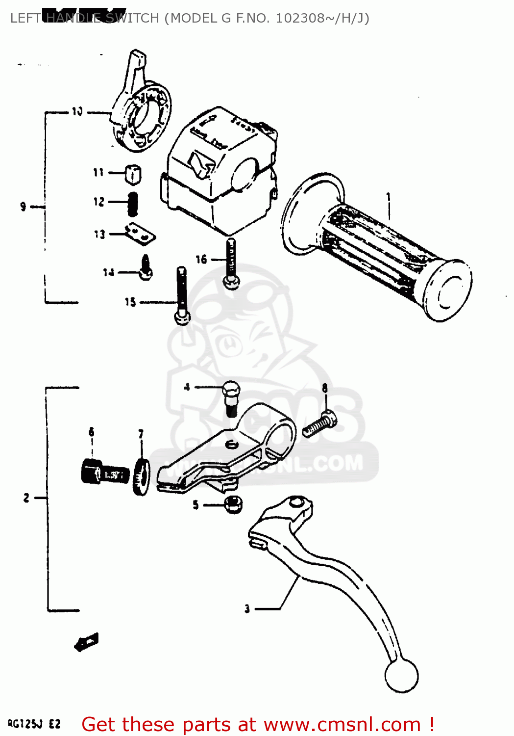
LEFT HANDLE SWITCH (MODEL G F.NO. 102308~/H/J)
RG125AU 1988 (J) (E01)
Left handle switch (model g f.no. 102308~/h/j) diagram RG125AU 1988 (J) (E01)
LEFT HANDLE SWITCH (MODEL G F.NO. 102308~/H/J) RG125AU 1988 (J) (E01)
×
prices are in EUR
ref
part #
description
quantity
1
5721134310
ref: 1
GRIP,L
€ 9.50
2
5750036A01
ref: 2
LEVER ASSY,CLUTCH
€ 37.50
3
5762033451
ref: 3
LEVER,CLUTCH
€ 29.00
4
5743133450
ref: 4
BOLT,LEVER
€ 9.50
5
0831921065
ref: 5
NUT
€ 3.00
6
5744144400
ref: 6
ADJUSTER,CABLE
€ 7.00
7
5744244400
ref: 7
NUT,CABLE ADJUSTER LOCK
€ 4.50
8
0110706205
ref: 8
BOLT
€ 2.50
9
3740032B00
ref: 9
SWITCH ASSEMBLY,HANDLE,LEFT
€ 146.00
10
3748130B00
ref: 10
LEVER,CHOKE
€ 14.00
11
3748230B00
ref: 11
PIECE,SLIDE
€ 4.00
12
3748330B00
ref: 12
SPRING
€ 7.50
13
3748630B00
ref: 13
PLATE
€ 3.00
14
0351204125
ref: 14
SCREW
€ 1.00
15
0211205455
ref: 15
SCREW, 5X45
€ 4.50
16
0211205405
ref: 16
SCREW
€ 2.00
up
all assemblies
* COLOR CHART *
* CATALOG PREFACE *
* CONVERSION CHART *
FUEL TANK - FRAME COVER
SEAT TAIL COVER
FENDER - COWLING
CRANKSHAFT
CARBURETOR
AIR CLEANER
MUFFLER
OIL PUMP
WATER PUMP
RADIATOR
CLUTCH
TRANSMISSION
GEAR SHIFTING
KICK STARTER
MAGNE TO
BATTERY
ELECTRICAL
SPEEDOMETER - TACHOMETER
HEADLAMP (E2, E4, E15, E17, E18, E21, E53)
TURN SIGNAL LAMP (SEE NOTE)
HEAR COMBINAITON LAMP
WIRING HARNESS
FRAME
STAND - REAR BRAKE
FOOTREST
FUEL TANK (RG125AJ/BJ/UAJ/BUJ)
FUEL COCK
OIL TANK
SEAT (MODEL J)
SEAT TAIL COVER (RG125AJ/BJ/UAJ/BUJ)
FRAME COVER (RG125AJ/BJ/UAJ/BUJ)
FRONT DAMPER
STEERING STEM
FRONT FENDER
FRONT WHEEL
HANDLEBAR
RIGHT HANDLE SWITCH (MODEL G F.NO. 102308~/H/J)
LEFT HANDLE SWITCH (MODEL G F.NO. 102308~/H/J)
FRONT CALIPER
FRONT BRAKE HOSE
FRONT MASTER CYLINDER
REAR SWINGING ARM
REAR FENDER
REAR WHEEL
COWLING (MODEL J 2WB, 3HZ)
OPTIONAL
up