×
Buy Suzuki RM Parts Online
home
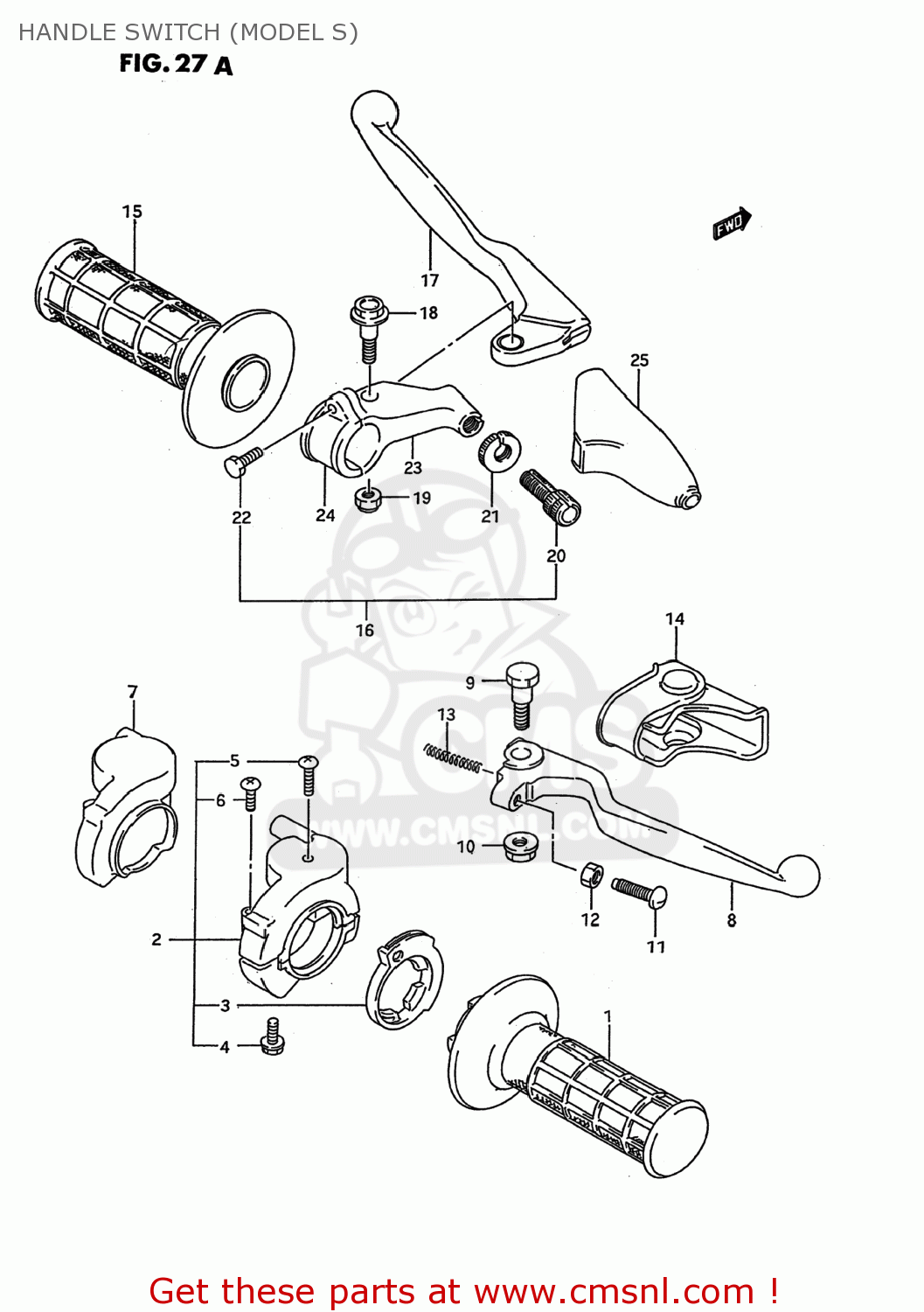
HANDLE SWITCH (MODEL S)
RM125 1995 (S) USA (E03)
Handle switch (model s) diagram RM125 1995 (S) USA (E03)
HANDLE SWITCH (MODEL S) RM125 1995 (S) USA (E03)
×
prices are in EUR
ref
part #
description
quantity
1
5711028E00
ref: 1
GRIP,THROTTLE
€ 24.00
2
5710028E00
ref: 2
57100-28E01
CASE ASSEMBLY,THROTTLE
€ 88.00
3
5711428E00
ref: 3
ROTOR,THROTTLE
€ 8.00
4
0154706254
ref: 4
01547-0625B
BOLT 6X25
€ 3.00
5
0212204103
ref: 5
02122-0410A
SCREW,UPPER
€ 2.50
6
0212204163
ref: 6
02122-0416A
SCREW
€ 2.50
7
5712928E00
ref: 7
57129-28E01
COVER,THROTTLE CASE
€ 29.50
8
5742127C00
ref: 8
LEVER,BRAKE
€ 11.00
9
5743114500
ref: 9
BOLT,BRAKE LEVER
€ 5.00
10
5744214500
ref: 10
08316-1006B
NUT,BRAKE LEVER
€ 2.50
11
5743114511
ref: 11
BOLT,ADJUST
€ 4.50
12
0831012055
ref: 12
08310-0005A
NUT ,5MM
€ 2.50
13
5731814502
ref: 13
SPRING,RETURN
€ 3.50
14
5734114501
ref: 14
COVER,BRAKE LEVER
€ 5.50
15
5721127C00
ref: 15
GRIP,L
€ 12.00
16
5750028C11
ref: 16
57500-28C12
LEVER ASSEMBLY,CLUTCH
€ 43.00
17
5762128C00
ref: 17
LEVER,CLUTCH
€ 36.50
18
5743128C01
ref: 18
BOLT,LEVER
€ 5.00
19
0831921068
ref: 19
08319-2106A
NUT 6MM
€ 2.50
20
5744128C10
ref: 20
ADJUSTER,WIRE
€ 10.00
21
5744228C00
ref: 21
NUT,LOCK
€ 12.50
22
0150005163
ref: 22
01500-0516B
BOLT
€ 1.50
23
5751128C00
ref: 23
HOLDER,CLUTCH LEVER
€ 25.00
24
5751228C00
ref: 24
BRACKET,CLUTCH LEVER HOLDER
€ 14.00
25
5734140001
ref: 25
57341-40002
COVER,CLUTCH LEVER
€ 8.00
up
all assemblies
AIR CLEANER (MODEL N)
AIR CLEANER (MODEL P/R/S)
CARBURETOR (MODEL N/P)
CARBURETOR (MODEL R/S)
CLUTCH
CRANKCASE
CRANKCASE COVER- WATER PUMP
CRANKSHAFT
CUSHION LEVER (MODEL N)
CUSHION LEVER (MODEL P/R/S)
CYLINDER
ELECTRICAL
EXHAUST VALVE
FRAME - SEAT (MODEL N/P)
FRAME - SEAT (MODEL R/S)
FRAME COVER (MODEL N)
FRAME COVER (MODEL P/R/S)
FRONT CALIPER (MODEL N/P/R)
FRONT CALIPER (MODEL S)
FRONT DAMPER (MODEL N)
FRONT DAMPER (MODEL P)
FRONT DAMPER (MODEL R)
FRONT DAMPER (MODEL S)
FRONT FENDER - FRONT NUMBER PLATE
FRONT MASTER CYLINDER
FRONT WHEEL
FUEL COCK
FUEL TANK (MODEL N)
FUEL TANK (MODEL P/R/S)
GEAR SHIFTING
HANDLE SWITCH (MODEL S)
HANDLE SWITCH (N/P/R)
HANDLEBAR
KICK STARTER
LABEL
MAGNETO
MUFFLER
RADIATOR (MODEL N/P)
RADIATOR (MODEL R/S)
REAR BRAKE
REAR CALIPER (MODEL P/R)
REAR CALIPER (MODEL S)
REAR CALIPERS (MODEL N)
REAR FENDER (MODEL N)
REAR FENDER (MODEL P/R/S)
REAR MASTER CYLINDER (MODEL N)
REAR MASTER CYLINDER (MODEL P/R/S)
REAR SWINGING ARM (MODEL N)
REAR SWINGING ARM (MODEL P/R/S)
REAR WHEEL
SHOCK ABSORBER (MODEL N)
SHOCK ABSORBER (MODEL P)
SHOCK ABSORBER (MODEL R)
SHOCK ABSORBER (MODEL S)
STAND - FOOTREST
STEERING STEM (MODEL N)
STEERING STEM (MODEL P/R/S)
TRANSMISSION
up