×
Buy Suzuki RM Parts Online
home
RM250 1976 (A) USA (E03)
AIR CLEANER
27 products
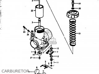
CARBURETOR
46 products
CLUTCH
27 products
CRANKCASE
31 products
CRANKCASE COVER
18 products
CRANKSHAFT
41 products
CYLINDER
30 products
ELECTRICAL
12 products
FENDER (RM250C2)
13 products
FENNER (RM250A
17 products
FRAME - SEAT
21 products
FRAME COVER
17 products
FRONT FORK (RM250A
50 products
FRONT FORK (RM250C)
43 products
FRONT FORK (RM250c2)
51 products
FRONT WHEEL (RM250A
33 products
FRONT WHEEL (RM250C
35 products
FUEL COCK
14 products
FUEL TANK (A
11 products
FUEL TANK (RM250C2)
20 products
GEAR SHIFTING
33 products
HANDLE GRIP - LEVER
35 products
HANDLEBAR
40 products
KICK STARTER
23 products
MAGNETO
17 products
MUFFLER
32 products
OPTIONAL (RM250B
30 products
REAR SWINGING ARM (RH250A)
45 products
REAR SWINGING ARM (RM2508)
38 products
REAR SWINGING ARM (RM250C)
39 products
REAR SWINGING ARM (RM250C2)
51 products
REAR WHEEL (RM250A)
43 products
REAR WHEEL (RM250B
49 products
STAND - FOOTREST
45 products
TRANSMISSION
44 products
up
popular products
5111838010
RING
Suzuki
1312540000
GASKET,INTAKE PIPE (NAS)
Suzuki
2474140001
PLATE,COUNTERSHAFT BEARING
Suzuki
5530041810
SPOKE SET,FRONT
Suzuki