×
Buy Suzuki RM Parts Online
home
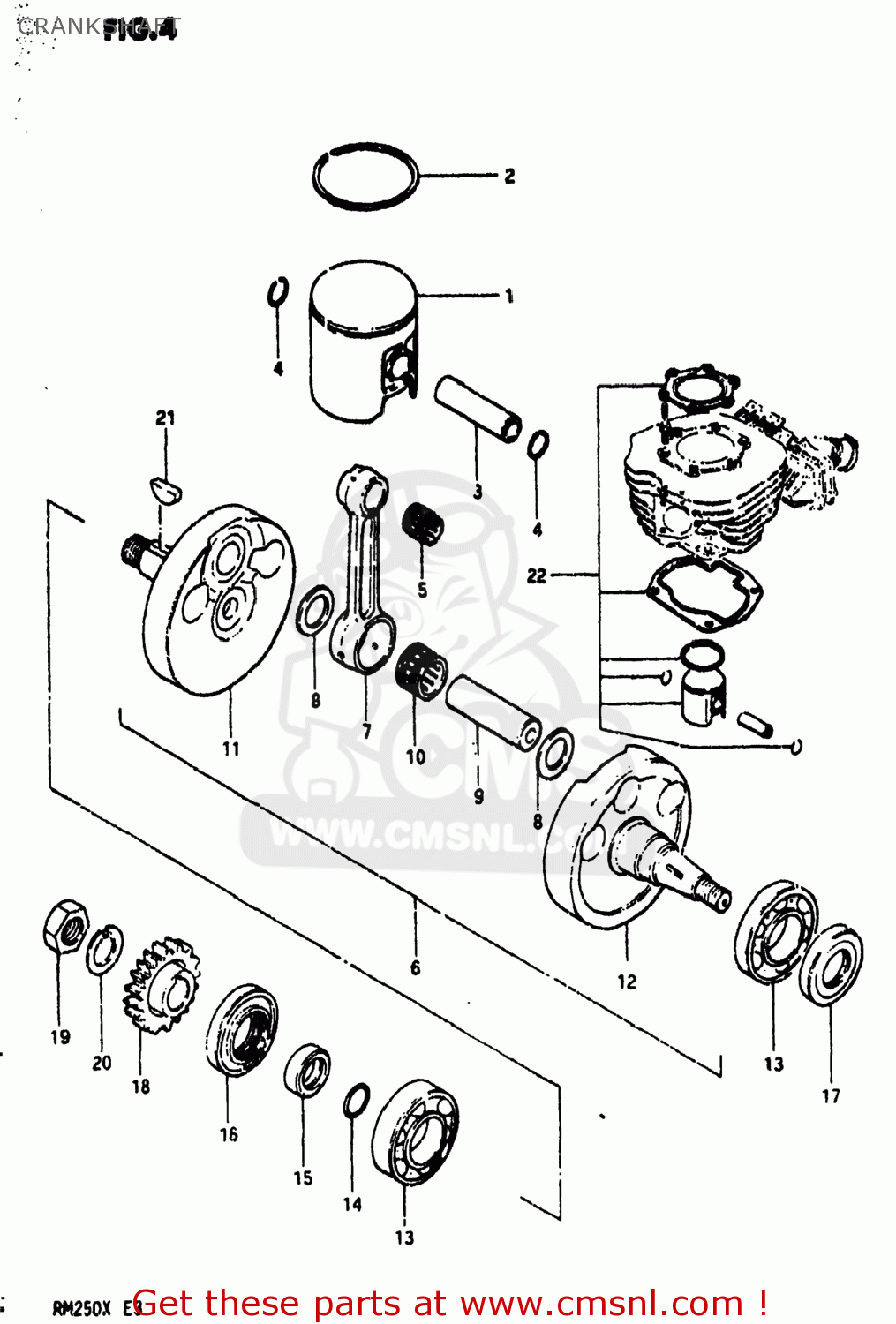
CRANKSHAFT
RM250 1981 (X) USA (E03)
Crankshaft diagram RM250 1981 (X) USA (E03)
CRANKSHAFT RM250 1981 (X) USA (E03)
×
prices are in EUR
ref
part #
description
quantity
1-1
1211040312
ref: 1-1
PISTON (67.00MM)
€ 71.00
1-2
1211040312025
ref: 1-2
PISTON (67.25MM)
€ 68.00
1-3
1211040312050
ref: 1-3
PISTON (67.50MM)
€ 111.50
2-1
1214141600
ref: 2-1
12141-41620
RING,PISTON
€ 22.50
2-2
1214141600025
ref: 2-2
RING,PISTON
€ 26.00
2-3
1214141600050
ref: 2-3
RING,PISTON
€ 22.50
3
1215192201
ref: 3
12151-45501
PIN,PISTON (18MM)
€ 14.00
4
0938118002
ref: 4
CIRCLIP
€ 1.50
5
0926318014
ref: 5
BEARING(18X22X22)
€ 20.50
6
1220014202
ref: 6
CRANKSHAFT ASSEMBLY
€ 0.00
7
1216114200
ref: 7
ROD,CONNECTING
€ 82.00
8
0916024015
ref: 8
WASHER(24X29X1.5)
€ 7.50
9
1221140300
ref: 9
12211-05D00
PIN,CRANK
€ 33.00
10
0926324014
ref: 10
09263-24026
BEARING
€ 62.50
11
1222114202
ref: 11
CRANKSHAFT
€ 358.50
12
1226114202
ref: 12
CRANKSHAFT,LEFT
€ 134.00
13
0926230058
ref: 13
09262-30066
BEARING
€ 38.00
14
0928022001
ref: 14
O RING(D:2.4,ID:21.8)
€ 2.00
15
1235914201
ref: 15
SPACER,PRIMARY DRIVE GEAR
€ 15.00
16
0928936003
ref: 16
SEAL,OIL(36X52X8)
€ 47.00
17
0928320034
ref: 17
SEAL,OIL(19.6X37X8)
€ 6.00
18
2111140302
ref: 18
GEAR,PRIMARY DRIVE
€ 41.00
19
0914014017
ref: 19
NUT
€ 4.00
20
0916614010
ref: 20
WASHER
€ 2.00
21
0834131059
ref: 21
KEY
€ 3.00
22-1
1210014830
ref: 22-1
PISTON SET
€ 0.00
22-2
1210014830025
ref: 22-2
PISTON KIT (OS:0.25)
€ 0.00
up
all assemblies
AIR CLEANER
CARBURETOR
CHAIN GUIDE
CLUTCH
CRANKCASE
CRANKCASE COVER
CRANKSHAFT
CUSHION LEVER
CYLINDER
ELECTRICAL
FRAME - SEAT
FRAME COVER
FRONT FENDER
FRONT FORK
FRONT WHEEL
FUEL COCK
FUEL TANK
GEAR SHIFTING
HANDLE GRIP - LEVER
HANDLEBAR
KICK STARTER
MAGNETO
MUFFLER
REAR BRAKE
REAR FENDER
REAR SWINGING ARM
REAR WHEEL
SHOCK ABSORBER
STAND - FOOTREST
TRANSMISSION
up