×
Buy Suzuki RM Parts Online
home
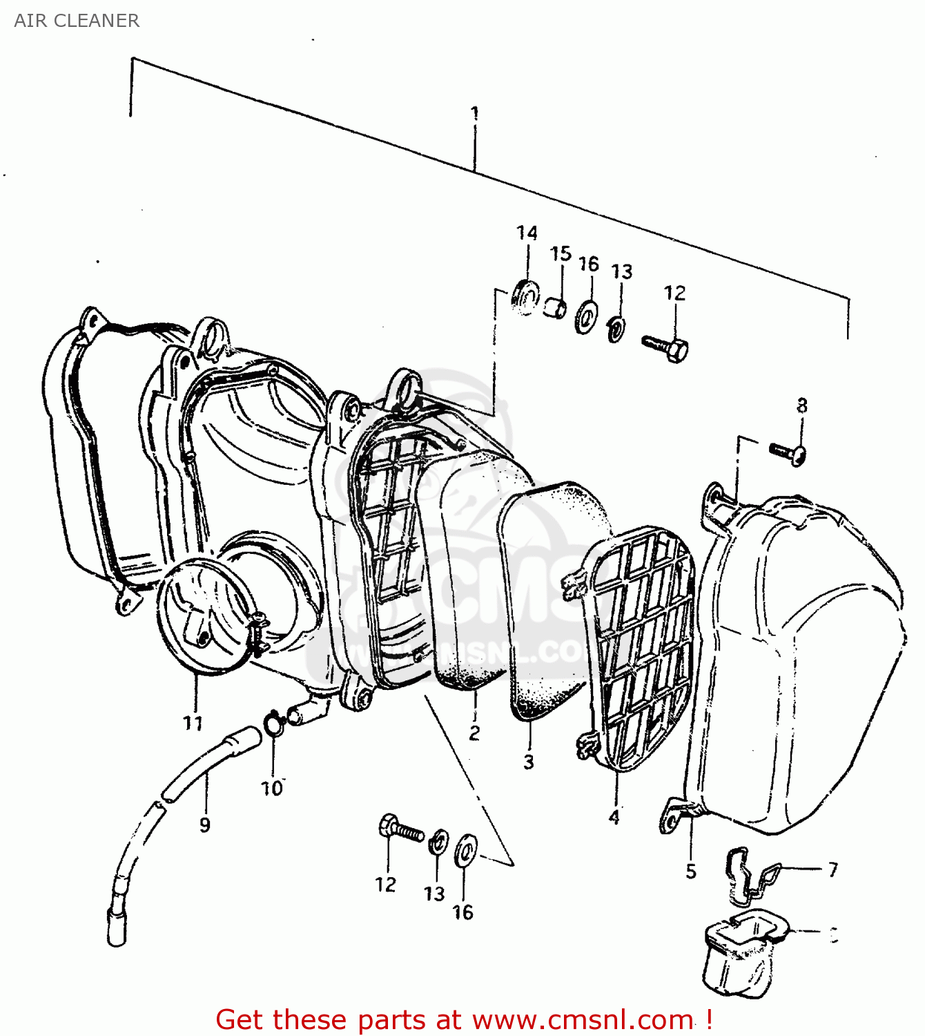
AIR CLEANER
RM250 1983 (D)
Air cleaner diagram RM250 1983 (D)
AIR CLEANER RM250 1983 (D)
×
prices are in EUR
ref
part #
description
quantity
1
1370014210
ref: 1
CLEANER ASSEMBLY,AIR
€ 0.00
2
1378114200
ref: 2
FILTER
€ 15.00
3
1378614210
ref: 3
FILTER,2ND
€ 11.50
4-1
1379114210
ref: 4-1
HOLDER,AIR CLEANER,RIGHT
€ 6.50
4-2
1379214210
ref: 4-2
HOLDER,AIR CLEANER,LEFT
€ 9.00
5-1
1374014210
ref: 5-1
CAP,AIR CLEANER,RIGHT
€ 15.00
5-2
1375014210
ref: 5-2
CAP,AIR CLEANER,LEFT
€ 15.00
6
1387114210
ref: 6
DRAIN TUBE
€ 24.00
7
1387714110
ref: 7
DRAIN STOPPER
€ 4.00
8
0214205167
ref: 8
SCREW
€ 2.00
9
1387000170
ref: 9
DRAIN TUBE
€ 15.00
10
0940114301
ref: 10
CLIP
€ 2.00
11
0940268306
ref: 11
CLAMP
€ 4.50
12
0150006207
ref: 12
BOLT
€ 2.50
13
0832101067
ref: 13
WASHER,LOCK
€ 2.50
14
0932008021
ref: 14
CUSHION
€ 4.50
15
0918007005
ref: 15
SPACER (7X9X7)
€ 3.00
16
0916006066
ref: 16
WASHER(6.5X20X1.6)
€ 2.00
up
all assemblies
* COLOR CHART *
* CATALOG PREFACE *
* CONVERSION CHART *
CYLINDER
CRANKCASE
CRANKCASE COVER
CRANKSHAFT
CARBURETOR
AIR CLEANER
MUFFLER
WATER PUMP
RADIATOR
CLUTCH
TRANSMISSION MODEL Z
TRANSMISSION MODEL D
GEAR SHIFTING MODEL Z
GEAR SHIFTING MODEL D
KICK STARTER
MAGNETO
ELECTRICAL
FRAME -SEAT
STAND -FOOTREST
REAR BRAKE MODEL Z
REAR BRAKE MODEL D
FUEL TANK MODEL Z
FUEL TANK MODEL D
FUEL COCK
FRAME COVER MODEL Z
FRAME COVER MODEL D
FRONT FORK MODEL Z
FRONT FORK MODEL D
FRONT FENDER
FRONT WHEEL MODEL Z
FRONT WHEEL MODEL D
HANDLEBAR
RIGHT HANDLE SWITCH
LEFT HANDLE GRIP
REAR SWINGING ARM MODEL Z
REAR SWINGING ARM MODEL D
CHAIN GUIDE
SHOCK ABSORBER MODEL Z
SHOCK ABSORBER MODEL D
CUSHION LEVER MODEL Z
CUSHION LEVER MODEL D
REAR FENDER
REAR WHEEL MODEL Z
REAR WHEEL MODEL D
OPTIONAL
OPTIONAL MODEL Z
up