×
Buy Suzuki RM Parts Online
home
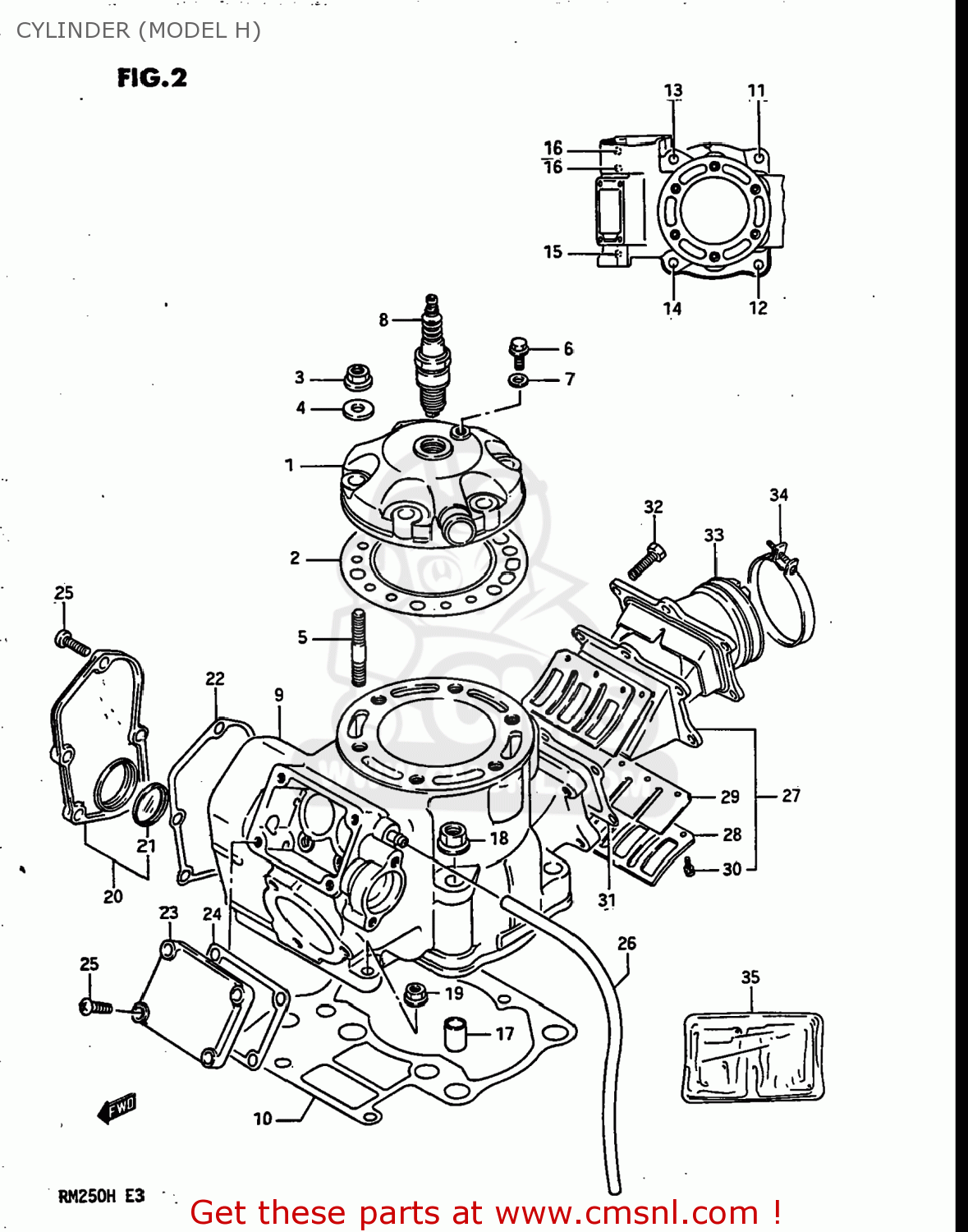
CYLINDER (MODEL H)
RM250 1986 (G) USA (E03)
Cylinder (model h) diagram RM250 1986 (G) USA (E03)
CYLINDER (MODEL H) RM250 1986 (G) USA (E03)
×
prices are in EUR
ref
part #
description
quantity
1
1111100B01
ref: 1
11111-26C02
HEAD,CYLINDER
€ 98.00
2
1114100B02
ref: 2
11141-01C01-H17
GASKET,CYLINDER HEAD (MCA)
€ 29.50
3
0831616088
ref: 3
08316-10087
NUT
€ 2.50
4
0916008095
ref: 4
09160-08039
WASHER
€ 2.50
5
0910808142
ref: 5
BOLT,STUD
€ 4.00
6
0936006007
ref: 6
UNION
€ 3.50
7
0916806004
ref: 7
GASKET(6.2X11X1).2 (NAS)
€ 2.00
8
0948200208
ref: 8
PLUG,SPARK(NGK B-8EN)
€ 16.00
9
1120000810
ref: 9
CYLINDER
€ 451.50
10
1124100B20
ref: 10
11241-00B20-H17
GASKET,CYLINDER (MCA)
€ 13.50
11
0142110408
ref: 11
01421-1040A
STUD BOLT (L:40)
€ 2.50
12
0142110508
ref: 12
01421-1050A
STUD BOLT (10X50)
€ 3.00
13
0910810093
ref: 13
STUD
€ 4.50
14
0142110908
ref: 14
STUD BOLT (10X90)
€ 3.50
15
0142106258
ref: 15
01421-06257
STUD 6X25
€ 3.00
16
0142106358
ref: 16
01421-0635A
STUD BOLT
€ 1.50
17
0920613001
ref: 17
04211-13189
PIN
€ 2.50
18
0831616108
ref: 18
08316-10107
NUT
€ 2.00
19
0915906017
ref: 19
08319-31067
NUT
€ 2.50
20
1123000B20
ref: 20
11231-00B21
COVER COMP,CYLINDER
€ 20.50
21
1123201B00
ref: 21
LENS,CYLINDER COVER
€ 16.00
22
1123300B20
ref: 22
11233-00B20-H17
GASKET,CYLINDER COVER (MCA)
€ 6.00
23
1124800B20
ref: 23
COVER,CYLINDER NO.2
€ 16.50
24
1123800B20
ref: 24
11238-00B20-H17
GASKET,CYLINDER COVER NO.2 (MCA)
€ 4.00
25
0211206208
ref: 25
02112-06207
SCREW
€ 2.00
26
0934304104
ref: 26
09352-40703-600
HOSE
€ 4.00
27
1315000B20
ref: 27
13150-00B21
VALVE ASSEMBLY,REED
€ 102.50
28
1315200B20
ref: 28
STOPPER,REED VALVE
€ 5.00
29
1315300B20
ref: 29
VALVE,REED
€ 11.50
30
1315401B20
ref: 30
02112-0306B
SCREW,REED VALVE
€ 2.00
31
1315600B20
ref: 31
13156-00B20-H17
GASKET,REED VALVE (MCA)
€ 4.00
32
0110706207
ref: 32
01500-06207
BOLT
€ 2.50
33
1311000B20
ref: 33
PIPE,INTAKE
€ 45.50
34
0940256208
ref: 34
09402-56901
CLAMP
€ 4.00
35
1140000870
ref: 35
11400-00874
GASKET SET (MCA)
€ 84.00
up
all assemblies
AIR CLEANER (MODEL G)
AIR CLEANER (MODEL H)
CARBURETOR (MODEL G)
CARBURETOR (MODEL H)
CLUTCH
CRANKCASE (MODEL G)
CRANKCASE (MODEL H)
CRANKCASE COVER - WATER PUMP (MODEL G)
CRANKCASE COVER - WATER PUMP (MODEL H)
CRANKSHAFT (MODEL G)
CRANKSHAFT (MODEL H)
CUSHION LEVER (MODEL G)
CUSHION LEVER (MODEL H)
CYLINDER (MODEL G)
CYLINDER (MODEL H)
ELECTRICAL (MODEL G)
ELECTRICAL (MODEL H)
EXHAUST VALVE (MODEL G)
EXHAUST VALVE (MODEL H)
FRAME - SEAT (MDOEL G)
FRAME - SEAT (MDOEL H)
FRAME COVER
FRONT BRAKE HOSE
FRONT CALIPER (MODEL G)
FRONT CALIPER (MODEL H)
FRONT DAMPER (MODEL G)
FRONT FENDER
FRONT FORK (MODEL H)
FRONT MASTER CYLINDER (MODEL G)
FRONT MASTER CYLINDER (MODEL H)
FRONT WHEEL
FUEL COCK
FUEL TANK
GEAR SHIFTING
HANDLEBAR
KICK STARTER
LEFT HANDLE SWITCH
MAGNETO (MODEL G)
MAGNETO (MODEL H)
MUFFLER
RADIATOR
REAR BRAKE
REAR CALIPERS (MODEL H)
REAR FENDER
REAR MASTER CYLINDER (MODEL H)
REAR SWINGING ARM (MODEL G)
REAR SWINGING ARM (MODEL H)
REAR WHEEL (MODEL G)
REAR WHEEL (MODEL H)
RIGHT HANDLE SWITCH
SHOCK ABSORBER (MODEL G)
SHOCK ABSORBER (MODEL H)
STAND - FOOTREST
STEERING STEM
TRANSMISSION
up