×
Buy Suzuki RM Parts Online
home
RM80 2000 (Y) USA (E03)
AIR CLEANER
17 products
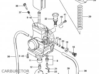
CARBURETOR
48 products
CDI UNIT - IGNITION COIL
13 products
CLUTCH
20 products
CRANKCASE
19 products
CRANKCASE COVER- WATER PUMP
23 products
CRANKSHAFT
30 products
CYLINDER
23 products
EXHAUST VALVE
35 products
FRAME
12 products
FRAME COVER
8 products
FRONT CALIPER
15 products
FRONT FENDER
8 products
FRONT FORK BRACKET
12 products
FRONT FORK DAMPER
26 products
FRONT MASTER CYLINDER
15 products
FRONT WHEEL
23 products
FUEL COCK
8 products
FUEL TANK
18 products
GEAR SHIFTING
32 products
HANDLE LEVER
25 products
HANDLEBAR
6 products
KICK STARTER
15 products
LABEL
16 products
MAGNETO
9 products
MUFFLER
15 products
RADIATOR
19 products
REAR BRAKE
11 products
REAR CALIPER
14 products
REAR CUSHION LEVER
23 products
REAR FENDER
14 products
REAR MASTER CYLINDER
25 products
REAR SHOCK ABSORBER (TYPE K1)
17 products
REAR SHOCK ABSORBER (TYPE Y)
16 products
REAR SWINGING ARM
19 products
REAR WHEEL
37 products
SEAT
2 products
STAND
11 products
TRANSMISSION
31 products
up
popular products
9901102B7504F
MANUAL,OWNER'S RM80Y
Suzuki
1210003810050
PISTON KIT(OS:0.5)
Suzuki
5112134A00
PISTON
Suzuki
1216102B52
ROD,CONNECTING
Suzuki