×
Buy Suzuki RV Parts Online
home
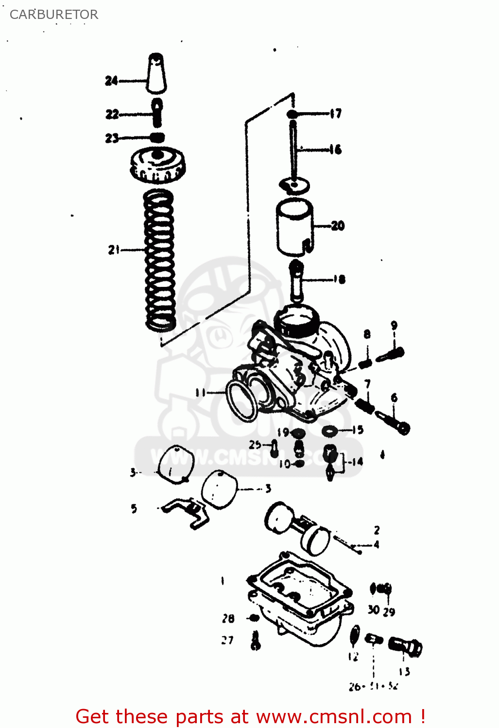
CARBURETOR
RV125 1977 (B) USA (E03)
Carburetor diagram RV125 1977 (B) USA (E03)
CARBURETOR RV125 1977 (B) USA (E03)
×
prices are in EUR
ref
part #
description
quantity
0-1
1320027311
ref: 0-1
13200-27312
CARBURETOR ASSEMBLY
€ 93.00
0-2
1320027312
ref: 0-2
CARBURETOR ASSEMBLY
€ 93.00
1
1325111010
ref: 1
GASKET,FLOAT CHAMBER (NAS)
€ 7.00
2
1325211010
ref: 2
FLOAT
€ 23.50
3
1325218620
ref: 3
FLOAT
€ 29.50
4
1325435013
ref: 4
13254-01010
PIN,FLOAT
€ 3.50
5
1325328010
ref: 5
ARM,FLOAT
€ 3.00
6
1326727310
ref: 6
SCREW
€ 3.50
7
1326803110
ref: 7
SPRING,THROTTLE SCREW
€ 4.00
8
1326801010
ref: 8
SPRING
€ 4.00
9
1326915010
ref: 9
SCREW,PILOT AIR
€ 10.50
10
1329428010
ref: 10
O RING
€ 6.50
11
1329528010
ref: 11
O RING
€ 4.00
12
1333297010
ref: 12
WASHER
€ 3.00
13
1333397010
ref: 13
HOLDER
€ 11.00
14
1337027310
ref: 14
VALVE ASSY,NEEDLE
€ 41.00
15
1339258600
ref: 15
GASKET,VALVE SEAT (NAS)
€ 2.00
16
1338307630
ref: 16
NEEDLE JET
€ 9.00
17
1339410010
ref: 17
CLIP
€ 5.00
18-1
0949400113
ref: 18-1
JET,NEEDLE
€ 13.50
18-2
0949400166
ref: 18-2
JET,NEEDLE
€ 13.50
19
1338203110
ref: 19
WASHER
€ 3.00
20
1355128010
ref: 20
VALVE,THROTTLE
€ 50.50
21
1357397010
ref: 21
13573-30900
SPRING, THROTTLE VALVE
€ 6.50
22
1357722600
ref: 22
ADJUSTER,CABLE
€ 6.50
23
1366116600
ref: 23
NUT
€ 5.50
24
1368133010
ref: 24
CAP,CABLE ADJUSTER
€ 8.50
25-1
0949220002
ref: 25-1
09492-20008
JET
€ 11.50
25-2
0949225003
ref: 25-2
09492-25005
JET
€ 7.00
26-1
0949192001
ref: 26-1
09491-92004
JET
€ 9.00
26-2
0949122003
ref: 26-2
JET,MAIN 110
€ 7.50
26-3
0949121013
ref: 26-3
JET, MAIN
€ 10.00
27
0211104168
ref: 27
02112-0416A
SCREW
€ 1.00
28
0832121048
ref: 28
08321-0104A
LOCK WASHER
€ 2.50
29
1324705010
ref: 29
PLUG
€ 6.50
30
1324905010
ref: 30
GASKET,DRAIN,PLUG (NAS)
€ 2.00
31-1
0949185004
ref: 31-1
09491-85008
JET
€ 9.50
31-2
0949185002
ref: 31-2
JET,MAIN 85
€ 6.00
31-3
0949187001
ref: 31-3
09491-87005
JET
€ 7.00
31-4
0949190003
ref: 31-4
09491-90007
JET
€ 11.50
31-5
0949195003
ref: 31-5
09491-95005
JET
€ 9.50
32-1
0949120002
ref: 32-1
JET,MAIN(100)
€ 7.00
32-2
0949123008
ref: 32-2
09491-23010
JET
€ 5.50
32-3
0949124002
ref: 32-3
09491-24014
JET
€ 8.00
32-4
0949125004
ref: 32-4
09491-25009
JET
€ 5.50
32-5
0949126003
ref: 32-5
JET,MAIN(130)
€ 10.00
32-6
0949127005
ref: 32-6
09491-27015
JET
€ 13.00
up
all assemblies
AIR CLEANER
CARBURETOR
CLUTCH
CONTROL CABLE
CRANKCASE
CYLINDER
ELECTRICAL
ELECTRICAL (2)
ELECTRICAL (3)
ENGINE COVER (RV125K
ENGINE COVER (RV125M
FRAME - FRAME COVER
FRONT FENDER
FRONT FORK (RV125K)
FRONT FORK (RV125L
FRONT WHEEL
FUEL TANK
GEAR SHIFTING
HANDLE SWITCH
HANDLEBAR
HEADLAMP
KICK STARTER
MAGNETO
MUFFLER
OIL PUMP
OIL TANK
PISTON - CRANKSHAFT
REAR COMBINATION LAMP
REAR FENDER
REAR SWINGING ARM
REAR WHEEL
REDUCTION SHIFTING (RV125M
SEAT
SPEEDOMETER - TACHOMETER (RV125K
SPEEDOMETER - TACHOMETER (RV125M
STAND - FOOTREST
TRANSMISSION (RV125K
TRANSMISSION (RV125M
TURN SIGNAL LAMP
up