×
Buy Suzuki RV Parts Online
home
MAGNETO
RV125 1977 (B) USA (E03)
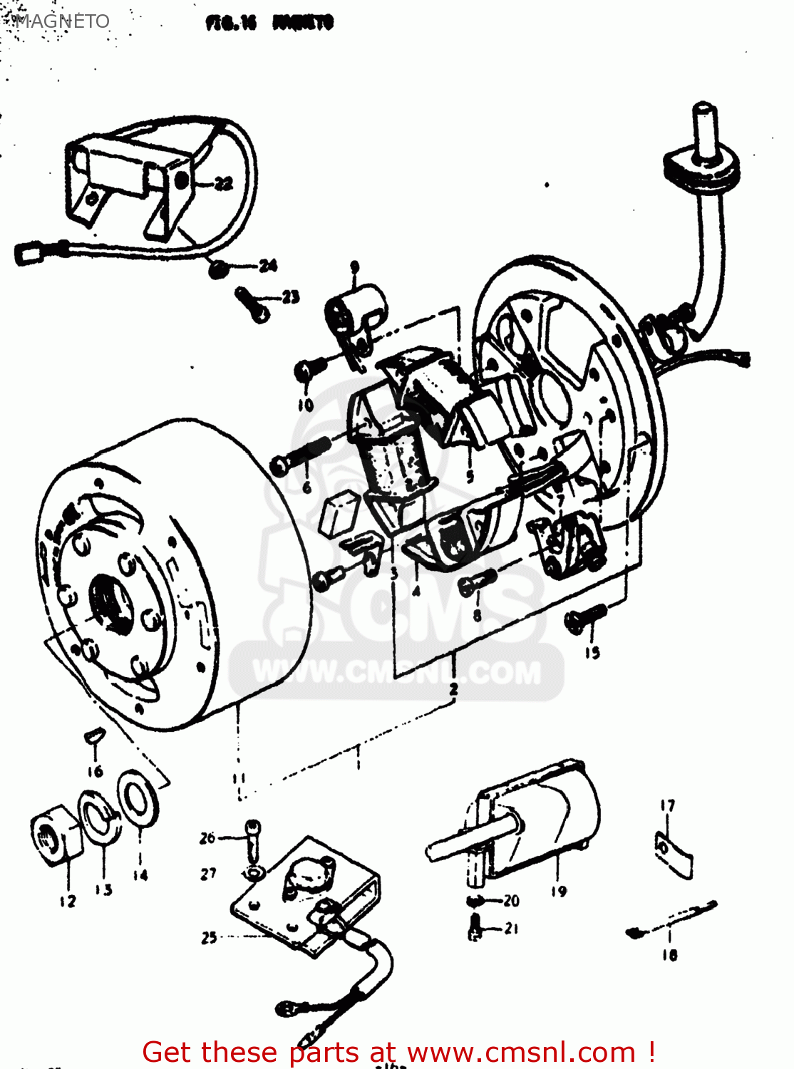
Magneto diagram RV125 1977 (B) USA (E03)
MAGNETO RV125 1977 (B) USA (E03)
×
prices are in EUR
ref
part #
description
quantity
1-1
3210028612
ref: 1-1
32101-28611
MAGNETO ASSEMBLY
€ 66.00
1-2
3210028613
ref: 1-2
32101-28613
MAGNETO ASSEMBLY
€ 91.50
2-1
3210128611
ref: 2-1
STATOR ASSEMBLY
€ 66.00
2-2
3210128612
ref: 2-2
32101-28613
STATOR ASSEMBLY
€ 91.50
3-1
3212028611
ref: 3-1
COIL,LIGHTING
€ 72.00
3-2
3212028612
ref: 3-2
COIL,LIGHTING
€ 69.50
4-1
3213028611
ref: 4-1
COIL,LIGHTING
€ 50.00
4-2
3213028612
ref: 4-2
COIL,LIGHTING
€ 50.00
5-1
3214028011
ref: 5-1
COIL,PRIMARY
€ 50.00
5-2
3214028012
ref: 5-2
COIL,PRIMARY
€ 68.50
6
0211104308
ref: 6
09125-04023
SCREW
€ 1.50
7
3224028010
ref: 7
32240-43012
POINT ASSEMBLY,CONTACT
€ 20.00
8
0231104108
ref: 8
02112-0410A
.SCREW
€ 1.50
9-1
3234112010
ref: 9-1
32341-12011
CONDENSER
€ 18.00
9-2
3234112011
ref: 9-2
CONDENSER
€ 18.00
10
0211104107
ref: 10
02112-04107
SCREW
€ 3.00
11-1
3210228612
ref: 11-1
ROTOR ASSEMBLY
€ 66.00
11-2
3210228613
ref: 11-2
ROTOR ASSEMBLY
€ 86.00
11-3
3210228011
ref: 11-3
ROTOR ASSEMBLY
€ 0.00
12
0914010003
ref: 12
09140-10041
NUT (10MM)
€ 4.50
13
0832121108
ref: 13
08321-01107
LOCK WASHER
€ 2.50
14
0832221108
ref: 14
08322-01107
WASHER
€ 2.50
15
0212206168
ref: 15
02122-06167
SCREW
€ 2.50
16
0834131039
ref: 16
KEY
€ 2.00
17
0940406401
ref: 17
09404-06432
CLAMP L:35
€ 3.00
18
0940711302
ref: 18
09407-18301
CLAMP
€ 7.00
19
3341022220
ref: 19
33410-22221
COIL ASSEMBLY,IGNITION
€ 184.50
20
0832121058
ref: 20
08321-0105A
LOCK WASHER
€ 2.00
21-1
0111105128
ref: 21-1
01500-05127
BOLT
€ 2.00
21-2
0211105127
ref: 21-2
02112-05127
Screw
€ 2.50
22
3650027690
ref: 22
REGISTER ASSEMBLY,SAFETY L
€ 47.00
22
3650027690
ref: 22
REGISTER ASSEMBLY,SAFETY L
€ 47.00
23
0211105087
ref: 23
02112-05087
SCREW
€ 2.00
23
0211105087
ref: 23
02112-05087
SCREW
€ 2.00
24
0832121058
ref: 24
08321-0105A
LOCK WASHER
€ 2.00
24
0832121058
ref: 24
08321-0105A
LOCK WASHER
€ 2.00
25
3250027600
ref: 25
32500-25600
REGULATOR ASSEMBLY
€ 176.50
26
0211206128
ref: 26
02112-06127
SCREW 6X12
€ 2.50
27
0832221068
ref: 27
08322-01067
WASHER
€ 2.50
up
all assemblies
AIR CLEANER
CARBURETOR
CLUTCH
CONTROL CABLE
CRANKCASE
CYLINDER
ELECTRICAL
ELECTRICAL (2)
ELECTRICAL (3)
ENGINE COVER (RV125K
ENGINE COVER (RV125M
FRAME - FRAME COVER
FRONT FENDER
FRONT FORK (RV125K)
FRONT FORK (RV125L
FRONT WHEEL
FUEL TANK
GEAR SHIFTING
HANDLE SWITCH
HANDLEBAR
HEADLAMP
KICK STARTER
MAGNETO
MUFFLER
OIL PUMP
OIL TANK
PISTON - CRANKSHAFT
REAR COMBINATION LAMP
REAR FENDER
REAR SWINGING ARM
REAR WHEEL
REDUCTION SHIFTING (RV125M
SEAT
SPEEDOMETER - TACHOMETER (RV125K
SPEEDOMETER - TACHOMETER (RV125M
STAND - FOOTREST
TRANSMISSION (RV125K
TRANSMISSION (RV125M
TURN SIGNAL LAMP
up